Запчасти Case IH 595 (6-010) - CLUTCH HOUSING TOP COVER, TRACTOR WITH CAB (06) - POWER TRAIN

Схема запчастей Case IH 595 - (6-010) - CLUTCH HOUSING TOP COVER, TRACTOR WITH CAB (06) - POWER TRAIN
19
9
6
11
15
3
17
16
10
8
2
18
19
12
21
4
16
23
18
7
22
19
17
18
14
1
16
13
5
20
17
FIT
1:1
100%

Артикул

Название

Примечание

Количество

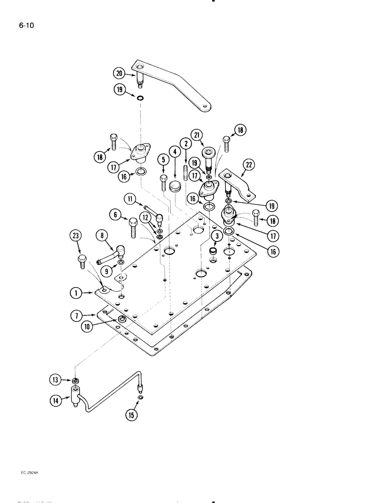
1

1288499C91

COVER ASSY

COVER ASSEMBLY - clutch housing top (MFD), Includes: Ref. 2 - 5

1шт.

1

1288499C91

COVER ASSY

COVER ASSEMBLY - clutch housing top (With 2 speed power shift), Includes: Ref. 2 - 5

1шт.

1

99493C91

COVER ASSY

COVER ASSEMBLY - clutch housing top (2WD Without 2 speed power shift), Includes: Ref. 2 - 5

1шт.

1

1343285C1

COVER ASSY

COVER ASSEMBLY - clutch housing top (Creeper attachment), Includes: Ref. 2 - 5

1шт.

1

1343123C1

COVER ASSY

COVER ASSEMBLY - clutch housing top (Forward and reverse), Includes: Ref. 2 - 5

1шт.

2

3129159R1

STUD

- top cover

1шт.

3

386194R1

PLUG,Cup, 3/4"

- cup, 3/4 inch

1шт.

3

21050R1

PLUG,Cup, 1/2"

- cup, 1/2 inch (Use with 1343123C1)

1шт.

4

349373R1

PLUG

- cup, 1-1/4 inch (Order 23623R1)

1шт.

5

13-512

BOLT,Hex, 5/16" - 18 x 3/4", Gr 5

1шт.

6

13-614

BOLT,Hex, 3/8" - 16 x 7/8", Gr 5, Full Thd

14шт.

6

413-616

BOLT,Hex, 3/8" - 16 x 1", Gr 5

2шт.

6

413-616

BOLT,Hex, 3/8" - 16 x 1", Gr 5

(Use with 1343123C1) Hex, 3/8"-16 x 1", G5, Full Thd

14шт.

7

1970894C1

GASKET

- clutch housing top cover

1шт.

8

3129197R1

PIPE

TUBE - brake line dump

1шт.

8

1343144C1

PIPE

TUBE - brake line dump (Use with 1343123C1)

1шт.

9

238-5015

O-RING,0.07" Thk x 0.551" ID, -15, Cl 5, 75 Duro

-015, 70 Duro, .551" ID x .070" Thk

1шт.

10

21332R1

SNAP RING,#68, Ext

1шт.

11

88117C1

PIPE,60 mm L

TUBE - lubricator inlet

1шт.

12

238-5012

O-RING,0.07" Thk x 0.364" ID, -12, Cl 5, 75 Duro

-012, 70 Duro, .364" ID x .070" Thk

2шт.

13

971043R1

SNAP RING,#50, Ext

1шт.

14

88157C3

PIPE,12.77 mm ID x 98.6, 40.64 mm L

TUBE - internal inlet

1шт.

15

238-5010

O-RING,0.07" Thk x 0.239" ID, -10, Cl 5, 75 Duro

-010, 70 Duro, .239" ID x .070" Thk

1шт.

16

238-6024

O-RING,0.07" Thk x 1.114" ID, -24, Cl 6, 90 Duro

3шт.

17

3129165R2

HOUSING

- speed shift arm

3шт.

18

13-512

BOLT,Hex, 5/16" - 18 x 3/4", Gr 5

6шт.

19

238-6016

O-RING,0.07" Thk x 0.614" ID, -16, Cl 6, 90 Duro

3шт.

20

3129190R4

ARM

- speed shift actuating, 3rd/4th (See Figure 6-72)

1шт.

21

1277030C1

PIVOT ASSY.

PIVOT - interlock

1шт.

22

3129184R1

ARM ASSY.

ARM - speed shift actuating, 1st/2nd (See Figure 6-72)

1шт.

23

13-612

BOLT,Hex, 3/8" - 16 x 3/4", Gr 5, Full Thd

Use with 1343123C1 Hex, 3/8"-16 x 3/4", G5, Full Thd

2шт.

Выбрано товаров: 31