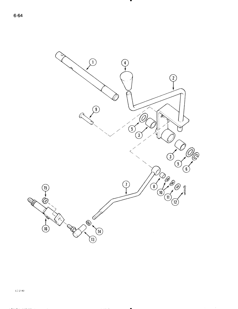
Запчасти Case IH 595 (6-064) - TRANSMISSION RANGE SHIFT CONTROL, TRACTOR WITHOUT CAB, WITH FORWARD AND REVERSE (06) - POWER TRAIN

Схема запчастей Case IH 595 - (6-064) - TRANSMISSION RANGE SHIFT CONTROL, TRACTOR WITHOUT CAB, WITH FORWARD AND REVERSE (06) - POWER TRAIN
15
12
14
6
1
2
13
3
4
8
5
10
7
5
9
5
16
11
FIT
1:1
100%

Артикул

Название

Примечание

Количество

1

3129270R1

SHAFT

- idle, range shift lever

1шт.

2

3129271R95

LEVER ASSY.

LEVER - range shift, Includes: Ref. 3

1шт.

3

530815R1

BUSHING,22.27mm ID x 25.46mm OD x 22.23mm L

- range shift lever

2шт.

4

1265216C1

BALL KNOB

KNOB - range lever

1шт.

5

95-81028

WASHER,0.91" ID x 1.25" OD x 0.03" Thk

- flat, 29/32 x 1-1/4 x 1/32 inch

2шт.

6

454331R1

SNAP RING,#87, Ext

1шт.

7

1536646C1

ROD ASSY.

ROD - range shift, rear (L/R), Includes: Ref. 8

1шт.

8

3129156R1

BUSHING,9.58mm ID x 12.79mm OD x 12.7mm L

- range shift rod

1шт.

9

865197R1

CLEVIS PIN,3/8" x 1.218"

PIN - clevis, 3/8 x 1-7/32 inch

1шт.

10

83723R1

WAVE WASHER

- spring

2шт.

11

95-81079

WASHER,13/32" x 3/4" x .024"

- flat, 13/32 x 3/4 x 1/64 inch

1шт.

12

32-612

COTTER PIN,3/32" x 3/4"

PIN, SPLIT (COTTER), 3/32" x 3/4"

1шт.

13

1500497C1

BALL JOINT

JOINT - ball, 7/16 inch

1шт.

14

1500536C1

JAM NUT

- hex, jam, 7/16 inch NF

1шт.

15

231-4617

LOCK NUT,7/16"-20, GB

NUT - lock, 7/16 inch NF

1шт.

16

1536518C1

ARM ASSY.

ARM - range shift, outer rear (L/R)

1шт.

Выбрано товаров: 0