Запчасти Case IH 595 (7-02) - BRAKE PEDALS, TRACTOR WITHOUT CAB (07) - BRAKES

Схема запчастей Case IH 595 - (7-02) - BRAKE PEDALS, TRACTOR WITHOUT CAB (07) - BRAKES
13
12
14
10
7
10
17
4
5
19
23
11
15
8
24
21
25
18
25
2
6
20
1
3
9
16
22
FIT
1:1
100%

Артикул

Название

Примечание

Количество

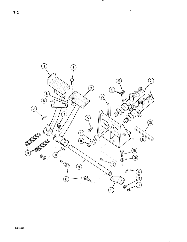
1

1500752C1

PEDAL

- brake, right

1шт.

2

19795R1

PIN,1/4" x 1 3/4", Coiled

1шт.

3

3125226R91

PEDAL ASSY.

PEDAL - brake, left, Includes: Ref. 4 - 6

1шт.

4

NSS

NOT SOLD SEPARAT

RIVET - solid round head, 1/4 x 1-1/4 inch

1шт.

5

51293D0

SPRING, LEAF

SPRING - tension, brake pedal lock

1шт.

6

43751DB

LATCH, PEDALS

PLATE - brake pedal lock

1шт.

7

219-45

LUBE NIPPLE,65 Degree Elbow, 1/4" NPTF

FITTING - grease, 65 degree, 1/4 inch drive type

1шт.

8

3125230R1

SPRING

- return, brake pedal

2шт.

9

1500753C1

SHAFT

- pedal support

1шт.

10

124551

SCREW

- woodruff, 1/4 x 7/8 inch

2шт.

11

1500755C1

ARM

- brake pedal, right

1шт.

12

19534R1

PIN,1/4" x 1 1/2", Coiled

1шт.

13

399744R1

BOLT

BOLT - brake pedal adjusting

2шт.

14

92-11038

LOCK WASHER,3/8"

WASHER, LOCK, 3/8"

2шт.

15

425-116

NUT,3/8" - 24, Gr 5

- hex, 3/8 inch NF

2шт.

16

1970643C2

SUPPORT

BRACKET - brake cylinder mounting

1шт.

17

1970644C1

PLATE

- brake pedal stop (Prior to P.I.N. JJE0019242)

1шт.

18

894980H1

LOCK NUT

- hex, self locking, 1/2 inch NF (Prior to P.I.N. JJE0019242)

1шт.

19

13-612

BOLT,Hex, 3/8" - 16 x 3/4", Gr 5, Full Thd

3шт.

20

92-11038

LOCK WASHER,3/8"

WASHER, LOCK, 3/8"

3шт.

21

1287843C91

MASTER CYLINDER

CYLINDER ASSEMBLY - brake master (See Figure 7-10)

2шт.

22

14-514

BOLT,Hex, 5/16" - 24 x 7/8", Gr 5, Full Thd

4шт.

23

92-11031

LOCK WASHER,5/16"

WASHER, LOCK, 5/16"

4шт.

24

25-115

NUT,5/16"-24, G5

- hex, 5/16" NF

4шт.

25

1537114C1

GASKET

STRIP - edging

2шт.

Выбрано товаров: 0