Запчасти Case IH 595 (9-094) - SUSPENSION SEAT, TRACTOR WITHOUT CAB (09) - CHASSIS/ATTACHMENTS

Схема запчастей Case IH 595 - (9-094) - SUSPENSION SEAT, TRACTOR WITHOUT CAB (09) - CHASSIS/ATTACHMENTS
11
1
17
9
33
23
11
12
15
20
4
25
32
15
26
3
24
30
18
9
7
9
16
19
27
10
2
8
22
28
21
6
16
5
14
29
31
13
FIT
1:1
100%

Артикул

Название

Примечание

Количество

1536395C1

SEAT

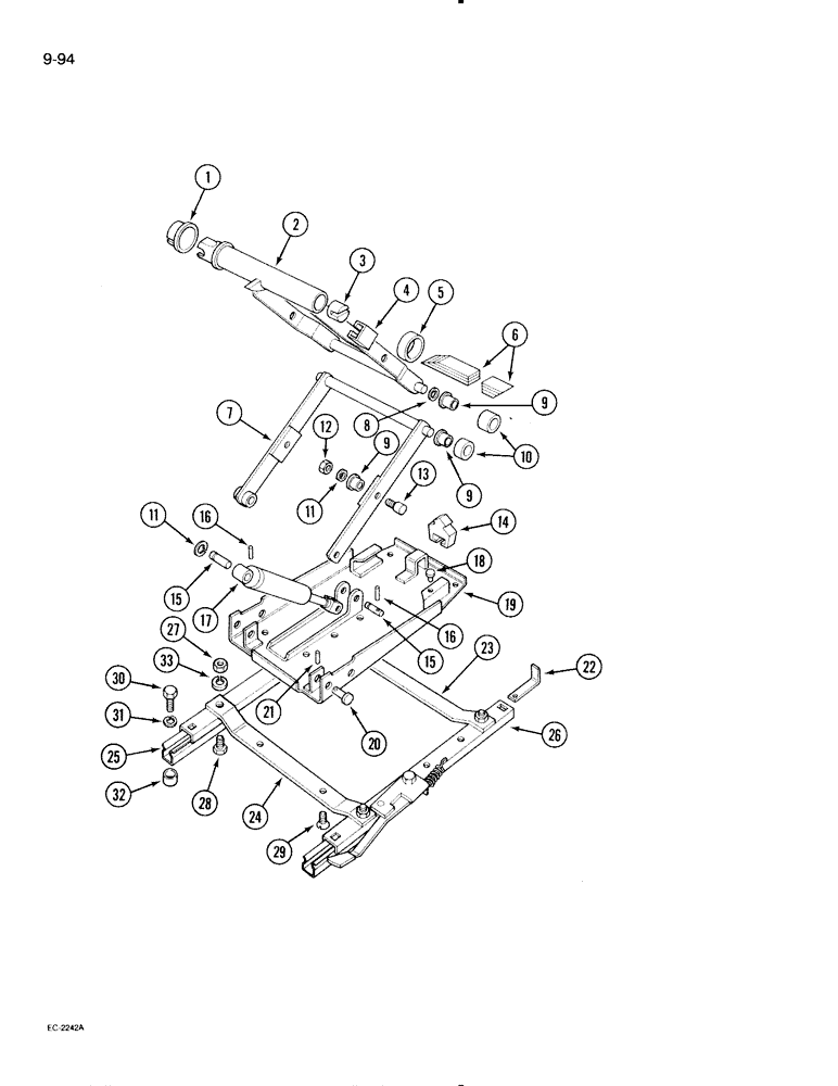
ASSEMBLY - PVC covered, with 2 inch seat belt (Continued from Figure 9-90), Includes: Ref. 1 - 33

1шт.

3121421R92

SEAT

ASSEMBLY - deluxe suspension (PVC) (Continued from Figure 9-90), Includes: Ref. 1 - 33 and pin

1шт.

1

3123316R1

BUSHING

BEARING - center lever

1шт.

2

3123315R1

LEVER

- centre

1шт.

3

3220529R1

RETAINER

- center lever

1шт.

4

3220519R1

STOP

- limit

2шт.

5

3109331R1

FLANGED BEARING

BEARING - flange

1шт.

6

3129922R1

BAR

- torsion (Set of 5)

1шт.

7

3220517R1

ARM

LEVER - outer

1шт.

8

538565R1

WASHER

- suspension scissors

4шт.

9

3123319R1

BUSHING

BEARING - suspension scissors

4шт.

10

3123320R1

ROLLER BEARING

- suspension scissors

4шт.

11

892-11008

LOCK WASHER,8mm ID

WASHER, LOCK, M8

2шт.

12

934109R1

NUT

- hex, 4 mm - 0.7

2шт.

13

3123321R1

PIVOT PIN

PIN - pivot

2шт.

14

3220516R1

STOP

BUMPER - rubber

1шт.

15

538578R1

PIN

- damper

2шт.

16

538579R1

PIN, ROLL

PIN - roll

2шт.

17

3123329R1

SHOCK ABSORBER

DAMPER - complete

1шт.

18

3123308R1

BUMPER

BUTTON - bumper

2шт.

19

3220524R1

PLATE

- base

1шт.

20

3123318R1

PIVOT PIN

PIN - pivot

2шт.

21

3125165R1

PIN, ROLL

PIN - roll, 3 mm

2шт.

22

3123376R1

BRACKET

- stop

1шт.

23

3123306R1

BRACKET

STRAP - mounting, rear

1шт.

24

3123305R1

BRACKET

STRAP - mounting, front

1шт.

25

3123304R1

RAIL

- slide, right (Free)

1шт.

26

3123303R1

RAIL

- slide, left (Adjustable)

1шт.

27

43362

NUT,M8 x 1.25, Cl 10

- lock, 8 mm - 1.25

4шт.

28

628-8016

BOLT,Hex, M8 x 1.25 x 16mm, Cl 10.9, Full Thd

- hex, 8 - 1.25 x 16 mm, class 10.9

2шт.

29

931237R1

HEX SOC SCREW,Flat Hd, CSK, M8 x 20mm, Cl 8.8

- countersunk, 8 mm - 1.25 x 20 mm

4шт.

30

3123563R1

SCREW

- fillister, Phillips, 5/16 NC x 1-1/2 inch

4шт.

31

3123564R1

LOCK WASHER

WASHER - lock, 5/16 inch

4шт.

32

3123562R1

SPACER

- seat

4шт.

33

112723

LOCK WASHER,5/16"

WASHER - lock, 5/16 inch

4шт.

17084R1

LOCK PIN,1/8" x 1 1/4", Slotted

PIN, , Not illustrated 1/8" x 1 1/4", Slotted

2шт.

Выбрано товаров: 36