Запчасти Case IH 595 (2-48) - CYLINDER BLOCK (02) - ENGINE

Схема запчастей Case IH 595 - (2-48) - CYLINDER BLOCK (02) - ENGINE
5
1
34
33
17
21
36
35
32
10
5
30
6
19
31
13
29
4
16
2
27
24
26
28
25
8
20
31
23
3
3
4
34
22
12
3
9
23
18
15
2
7
FIT
1:1
100%

Артикул

Название

Примечание

Количество

3144742R94

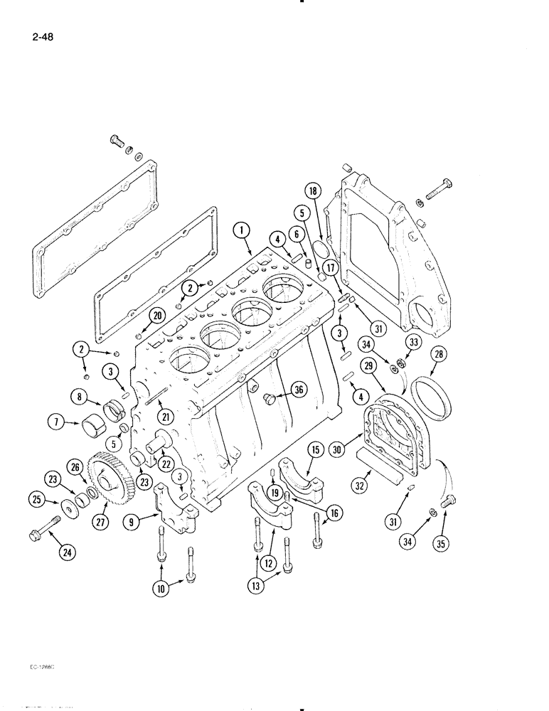
CRANKCASE

BLOCK ASSEMBLY - cylinder, Includes: Ref. 1 - 20

1шт.

1

NSS

NOT SOLD SEPARAT

BLOCK - cylinder

1шт.

2

3144520R1

PLUG

- slotted headless pipe

4шт.

3

141242

DOWEL

PIN - dowel, 3/8 x 7/8 inch

4шт.

4

141284

PIN,25.4mm OD x 31.75mm L

Pin 1/2" x 1 1/8"

2шт.

5

933537R1

PLUG,M25, Conical

- cup

4шт.

6

3055007R1

BUSHING

- dowel

2шт.

7

3055008R2

CRANKSHAFT BEARING,57.56mm ID x 63.1mm OD x 30mm W

BEARING - camshaft, front

1шт.

8

1806820C1

CAMSHAFT BEARING,57.98mm ID x 63mm OD x 18mm W

BEARING - camshaft

2шт.

9

NSS

NOT SOLD SEPARAT

CAP - front bearing

1шт.

10

3138885R1

SCREW

BOLT - crankshaft bearing cap

2шт.

3144440R91

BEARING ASSY

KIT - service, bearing cap (Center), Includes: Ref. 12 and 13

3шт.

12

NSS

NOT SOLD SEPARAT

CAP - crankshaft bearing

1шт.

13

3138885R1

SCREW

BOLT - crankshaft bearing cap

2шт.

3144434R91

CRANKSHAFT BEARING

KIT - service, rear bearing cap, Includes: Ref. 15 and 16

1шт.

15

NSS

NOT SOLD SEPARAT

CAP - rear bearing

1шт.

16

3138885R1

SCREW

BOLT - crankshaft bearing cap

2шт.

17

3055270R1

STUD

- rear

1шт.

18

172602

SUPPORT

- expansion, 2-3/4 inch

1шт.

Part of crankcase gaskets service kit

1шт.

19

3055173R1

PLUG

PIN - dowel

1шт.

20

3136004R1

COVER

- closing, 10 mm

1шт.

21

3055989R1

STUD

- crankcase front

1шт.

22

3055373R1

CARRIER

- idler gear

1шт.

23

3058816R91

NEEDLE BEARING CAGE,35mm ID x 42mm OD x 17.8mm W

BEARING - needle

2шт.

24

3055374R2

BOLT

BOLT - idler gear carrier

1шт.

25

3055372R1

DISC

RING - anti-wear, idler gear

1шт.

26

787656R1

SPACER,35.5mm ID x 41mm OD x 4mm L

RING - distance

1шт.

27

3055043R3

PINION

GEAR - idler

1шт.

28

3138701R91

SEAL

SEAL - oil, crankcase rear

1шт.

29

3055216R1

RETAINER

- oil seal

1шт.

30

3055215R2

GASKET

- crankcase oil seal retainer

1шт.

Part of crankcase gaskets service kit

1шт.

31

714868R1

SEALING STRIP

- sealing

2шт.

Part of crankcase gaskets service kit

1шт.

32

3055214R1

SUPPORT

STRIP - crankcase sealing

1шт.

33

9635082

NUT,5/16" - 18, Gr 5

- hex, 5/16 inch NC

1шт.

34

3218395R1

BELLEVILLE WASHER,8.199mm ID x 16mm OD x 0.9mm Thk

Lock (5/16") M8.2 ID x 16 OD x .9 Thk

9шт.

35

13-512

BOLT,Hex, 5/16" - 18 x 3/4", Gr 5

8шт.

36

20990R1

PLUG

- hex, 3/8 inch NPTF

1шт.

REF

INSTRUCTION

KIT - service, crankcase gaskets, Includes: Ref. 18, 30 and 31 (See Figure 2-66)

1шт.

Выбрано товаров: 41