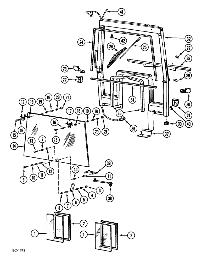
Запчасти Case IH 633 (9-728) - FRONT PANEL, DELUXE C82 CAB (09) - CHASSIS/ATTACHMENTS

Схема запчастей Case IH 633 - (9-728) - FRONT PANEL, DELUXE C82 CAB (09) - CHASSIS/ATTACHMENTS
31
17
19
7
2
9
38
36
19
23
2
26
22
21
10
33
11
12
39
8
27
14
28
16
16
6
32
37
17
7
18
11
20
34
29
20
35
4
3
1
25
30
13
1
15
43
40
16
41
24
16
18
5
42
15
21
FIT
1:1
100%

Артикул

Название

Примечание

Количество

1284821C91

FRAME

SPARE PART PANEL ASSY., with fixed glass, service parts are Ref. 1, 14, 22, 24 - 26, 29, 31 - 33, 35 - 37

1шт.

1284585C91

PANEL ASSY.

SPARE PART with opening glass, service parts are Ref. 1 - 42

1шт.

1284709C1

WINDSHIELD, service parts are Ref. 7, 9 - 12, 14 - 21

1шт.

1284711C1

STOP

SPARE PART LATCH ASSY., service parts are Ref. 3 - 8, 12, 14 - 21

1шт.

1

1284699C1

GLASS

2шт.

3220988R1

FLUID

SEAL

1шт.

2

1284700C1

SEAL

2шт.

3

NSS

NOT SOLD SEPARAT

SEAT

1шт.

4

3225261R1

NUT

1шт.

5

3217187R1

SEALING WASHER,6mm ID x 18mm OD x 1mm Thk

1шт.

6

1284643C1

STOP

1шт.

7

3224183R1

WASHER

2шт.

8

3146542R1

RUBBER WASHER

WASHER

1шт.

9

43127

BOLT,Hex, M8 x 1.25 x 25mm, Cl 8.8

2шт.

10

934488R1

LOCK WASHER,Ext Tooth, M8

2шт.

11

3224059R1

WASHER

4шт.

12

3225885R1

WASHER

2шт.

13

934719R1

BOLT,Hex, M6 x 1 x 25mm, Cl 8.8, Full Thd

1шт.

14

1284623C1

GLASS

WINDSCREEN

1шт.

14

1284750C1

WINDSHIELD

panel assy. with fixed glass

1шт.

15

43127

BOLT,Hex, M8 x 1.25 x 25mm, Cl 8.8

2шт.

16

3224069R1

TOP

WASHER

4шт.

17

1284698C1

HINGE

2шт.

18

3225452R1

SPACER

2шт.

19

3137761R1

RUBBER WASHER

2шт.

20

934540R1

NUT,M8 x 1.25, Cl 8

2шт.

21

3221592R1

CAP

M8

2шт.

22

1284542C1

MASK

RH light

1шт.

23

1284544C1

SUPPORT

SPARE PART RH light

1шт.

931138R1

SCREW,M5 x 12mm

2шт.

24

1284788C1

SEAL

1шт.

24

1284743C1

SEAL

panel assy. with fixed glass

1шт.

25

1284702C1

WIPER ARM

ARM, WIPER

1шт.

26

1284744C1

WIPER BLADE

BLADE, WIPER

1шт.

27

1284711C1

STOP

SPARE PART LATCH ASSY.

1шт.

3217187R1

SEALING WASHER,6mm ID x 18mm OD x 1mm Thk

1шт.

3216462R1

SCREW

1шт.

28

1284792C1

SUPPORT

SPARE PART

1шт.

3221592R1

CAP

M8

2шт.

934674R1

WASHER,M10.5 x 30 x 2.5

2шт.

814-8016

BOLT,Hex, M8 x 1.25 x 16mm, Cl 8.8, Full Thd

2шт.

29

1284704C1

CATCH PLATE

FASTENER

2шт.

3221520R1

CAP

2шт.

905369R1

NUT,M10, Cl 8

2шт.

934491R1

LOCK WASHER,Ext Tooth, M10

2шт.

1284705C1

PLATE, LOCKING

WASHER

2шт.

30

1284543C1

SUPPORT

LH light

1шт.

931138R1

SCREW,M5 x 12mm

2шт.

31

1284541C1

MASK

LH light

1шт.

32

1284684C1

PANEL

ASSY.

1шт.

3217117R1

NUT

2шт.

3220971R1

WASHER

SPARE PART

2шт.

30543R1

BOLT,Hex, M16 x 2 x 100mm, Cl 8.8

2шт.

3217139R1

NUT

2шт.

3217142R1

WASHER

2шт.

3217024R1

STOP

2шт.

33

1284710C1

SUPPORT

CAP

2шт.

33

1284745C1

CAP

panel assy. with fixed glass

2шт.

34

1284657C1

SEAL

1шт.

35

1284787C2

FOAM

SEAL

2шт.

36

1284706C1

HARNESS

1шт.

37

1284701C1

SUPPORT

1шт.

934870R1

BOLT,Hex, M8 x 1.25 x 20mm, Cl 8.8, Full Thd

2шт.

3217184R1

LOCK WASHER

8 mm

4шт.

934310R1

NUT,M8, Cl 8

2шт.

38

1284749C1

HANDLE

1шт.

934310R1

NUT,M8, Cl 8

2шт.

39

1284622C1

CYLINDER ASSY.

SPRING ASSY.

2шт.

934488R1

LOCK WASHER,Ext Tooth, M8

2шт.

40

3224059R1

WASHER

1шт.

41

not used

1шт.

42

not used

1шт.

Выбрано товаров: 72