Запчасти Case IH 633 (2-44) - CRANKCASE (02) - ENGINE

Схема запчастей Case IH 633 - (2-44) - CRANKCASE (02) - ENGINE
34
15
28
3
8
30
1
12
18
10
16
3
23
35
33
11
2
7
24
5
32
2
29
25
5
3
28
4
20
31
26
13
14
6
20
4
31
9
27
17
21
22
19
FIT
1:1
100%

Артикул

Название

Примечание

Количество

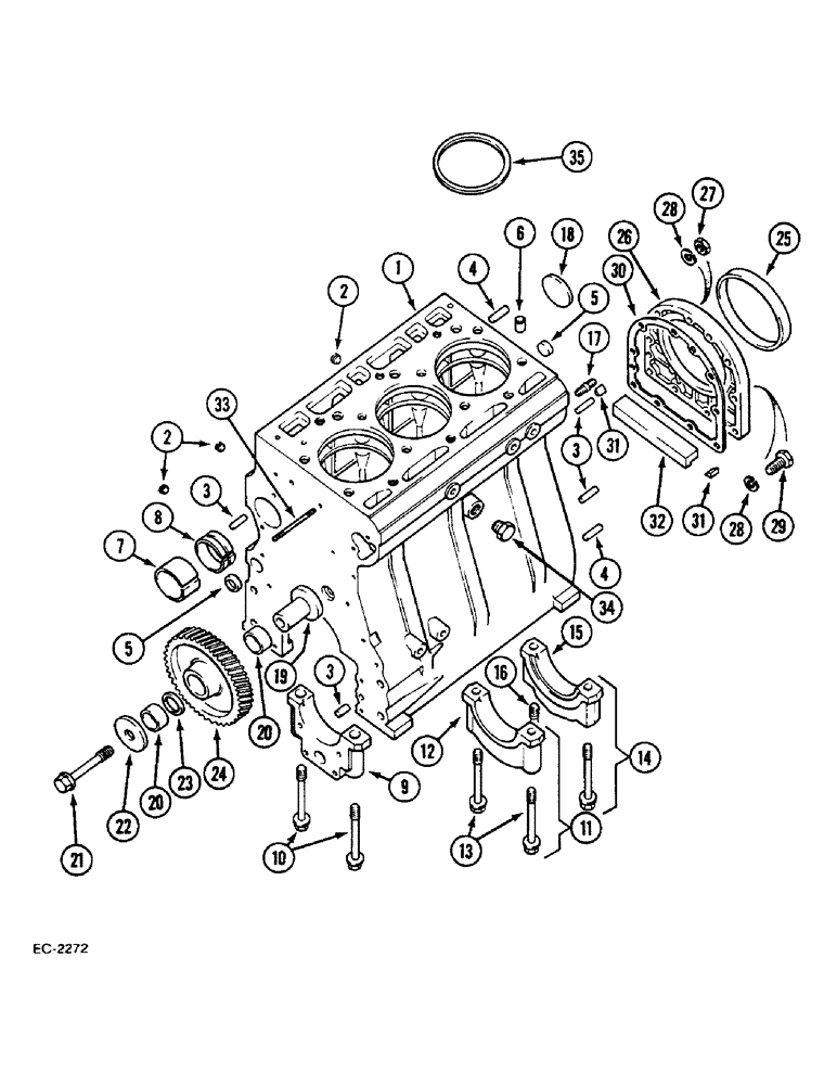
1

3055000R37

CRANKCASE

BLOCK cylinder, for models 433, 533

1шт.

1

3055001R37

CRANKCASE

BLOCK cylinder, for model 633

1шт.

2

3144520R1

PLUG

1/4 inch

3шт.

3

37-2614

DOWEL,3/8" x 7/8"

4шт.

4

141284

PIN,25.4mm OD x 31.75mm L

2шт.

5

933537R1

PLUG,M25, Conical

2шт.

6

3055007R1

BUSHING

2шт.

7

3055008R2

CRANKSHAFT BEARING,57.56mm ID x 63.1mm OD x 30mm W

1шт.

8

1806820C1

CAMSHAFT BEARING,57.98mm ID x 63mm OD x 18mm W

1шт.

9

NSS

NOT SOLD SEPARAT

BEARING

2шт.

10

3138580R1

BOLT,Hex Flg, 9/16" - 12 x 120.70mm, 12.9

1шт.

11

3144438R91

BEARING ASSY

PACKAGE service, Consists of: 12, 13

1шт.

12

NSS

NOT SOLD SEPARAT

BEARING

2шт.

13

3138580R1

BOLT,Hex Flg, 9/16" - 12 x 120.70mm, 12.9

1шт.

14

3144436R91

CRANKSHAFT BEARING

PACKAGE service, Consists of: 15, 16

1шт.

15

NSS

NOT SOLD SEPARAT

BEARING

2шт.

16

3138580R1

BOLT,Hex Flg, 9/16" - 12 x 120.70mm, 12.9

1шт.

17

3055270R1

STUD

1шт.

18

41-3044

PLUG,Exp, 2 3/4"

1шт.

19

3055373R1

CARRIER

2шт.

20

3058816R91

NEEDLE BEARING CAGE,35mm ID x 42mm OD x 17.8mm W

2шт.

20

3136515R91

BEARING

NEEDLE optional

1шт.

21

3055374R2

BOLT

1шт.

22

3055372R1

DISC

WASHER thrust

1шт.

23

787656R1

SPACER,35.5mm ID x 41mm OD x 4mm L

RING

1шт.

24

3055043R3

PINION

GEAR 68T

1шт.

25

3138701R91

SEAL

1шт.

26

3055216R1

RETAINER

1шт.

27

9635082

NUT,5/16" - 18, Gr 5

1шт.

28

3218395R1

BELLEVILLE WASHER,8.199mm ID x 16mm OD x 0.9mm Thk

Lock

9шт.

29

179816

BOLT,Hex, 5/16" - 18 x 3/4", Gr 5

8шт.

30

3055215R1

GASKET

1шт.

31

714868R1

SEALING STRIP

2шт.

32

3055214R1

SUPPORT

1шт.

33

3055989R1

STUD

1шт.

34

20990R1

PLUG

3/8 inch

1шт.

35

3218538R1

SHIM

0.05 mm

1шт.

35

3218539R1

SHIM

0.10 mm

1шт.

35

3218540R1

SHIM,112.06mm ID x 118.6mm OD x 0.25mm Thk

0.25 mm

1шт.

35

3218541R1

SHIM

0.50 mm

1шт.

35

3218542R1

SHIM

0.80 mm

1шт.

Выбрано товаров: 41