Запчасти Case IH 633 (4-166) - BATTERY, STARTING MOTOR, ALTERNATOR (04) - ELECTRICAL SYSTEMS

Схема запчастей Case IH 633 - (4-166) - BATTERY, STARTING MOTOR, ALTERNATOR (04) - ELECTRICAL SYSTEMS
8
2
10
16
12
14
4
3
6
15
7
11
5
13
1
FIT
1:1
100%

Артикул

Название

Примечание

Количество

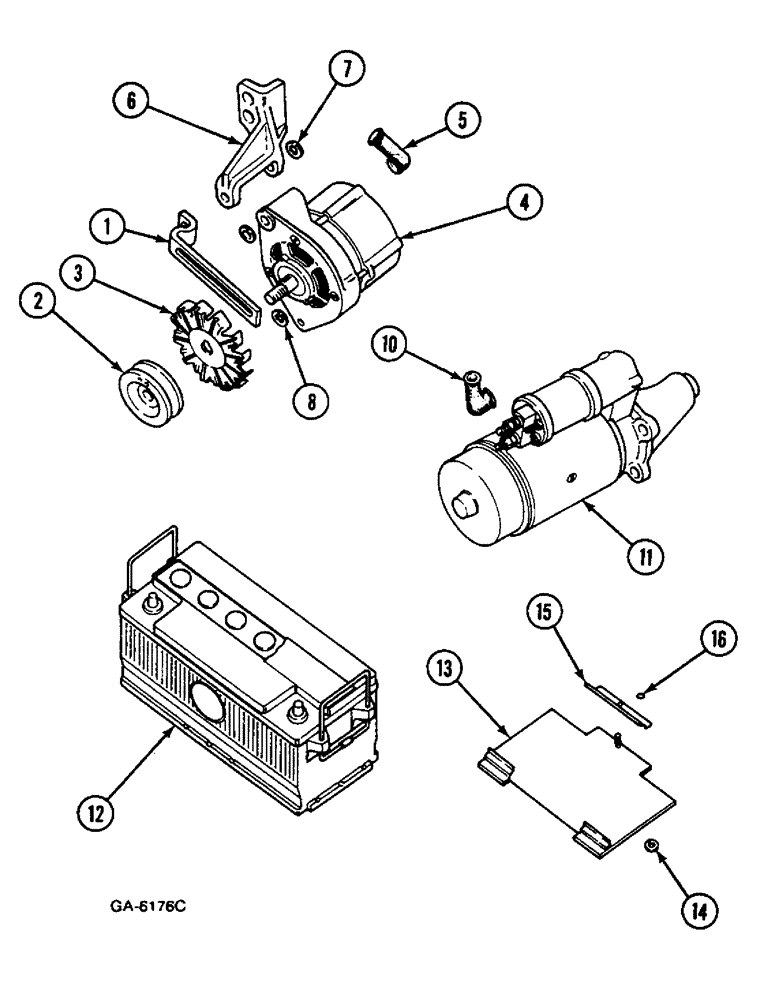
1

3144909R1

BRACE

1шт.

179848

BOLT,Hex, 3/8" - 16 x 2 1/4", Gr 5

1шт.

3050221R1

LOCK WASHER

lock, 10 mm

1шт.

102635

NUT,3/8"-16, G5

1шт.

2

3138943R1

PULLEY

1шт.

3

3138944R1

FAN BLADE

1шт.

4

3218577R91

ALTERNATOR

14V/ 33A, see Figure 4-140

1шт.

179820

BOLT,Hex, 5/16" - 18 x 1 1/4", Gr 5

1шт.

186271

SCREW,Hex, 5/16" - 18 x 3 3/4", Gr 5

1шт.

933334R1

LOCK WASHER,M8

2шт.

9635082

NUT,5/16" - 18, Gr 5

2шт.

932833R1

LOCK PIN,M13 x 18, Slotted

1шт.

5

3052809R1

PLUG

BOOT

2шт.

6

3144908R1

BRACKET

1шт.

413-1224

BOLT,Hex, 3/4" - 10 x 1-1/2", Gr 5

1шт.

3052193R1

LOCK WASHER

lock

1шт.

7

Q397

WASHER

1шт.

8

3055574R1

WASHER,8.5mm ID x 19mm OD x 2.5mm Thk

1шт.

3051771R1

WASHER

Not Used

1шт.

10

3055196R1

BOOT

3/4 inch

1шт.

11

3228192R91

STARTING MOTOR

2.7KW see Figures 4-170, 4-174

1шт.

NLS

NO LONGER SERVICED

3шт.

103321

LOCK WASHER,3/8"

3шт.

12

NSS

NOT SOLD SEPARAT

BATTERY see Figure 4-148

1шт.

13

3217835R92

BATTERY TRAY

1шт.

934286R1

THIN NUT,M8 x 1.25, Thin

2шт.

14

3401905R1

WASHER

2шт.

15

3229906R1

SUPPORT

BRACKET

1шт.

15

3140060R2

SUPPORT

BRACKET for model 533

1шт.

933618R1

THIN NUT,Thin, M8 x 1.25, Cl 04

1шт.

16

934058R1

WASHER,8.4mm ID x 15mm OD x 1.6mm Thk

8 mm

2шт.

Выбрано товаров: 31