Запчасти Case IH 633 (5-216) - STEERING (05) - STEERING

Схема запчастей Case IH 633 - (5-216) - STEERING (05) - STEERING
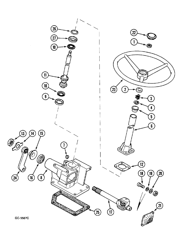
10
27
2
1
18
24
6
13
15
22
23
14
11
21
25
17
9
5
8
3
7
10
16
4
12
26
20
19
FIT
1:1
100%

Артикул

Название

Примечание

Количество

3148170R92

STEERING ASSY

with: Ref. 1-21

1шт.

340340R1

BOLT,Hex, 1/2" - 13 x 1 1/2", Gr 8

4шт.

711055R1

WASHER

1/2 inch

4шт.

905666R1

DOWEL,M14 x 16

14 x 16 mm

2шт.

1

934726R1

NUT

M6

1шт.

3142834R1

LOCK WASHER

1шт.

2

3131952R1

SEALING RING

1шт.

Column With Aluminium Flange

1шт.

2

3058219R1

SEALING RING

for models 433, 533, 633

1шт.

Column With Iron Flange

1шт.

3

715854R1

SPRING

1шт.

Column With Aluminium Flange

1шт.

3

3131820R2

COIL SPRING

for models 433, 533, 633

1шт.

Column With Iron Flange

1шт.

4

715853R1

RING

1шт.

Column With Aluminium Flange

1шт.

4

715852R1

BUSHING

for models 433, 533, 633

1шт.

Column With Iron Flange

1шт.

5

3131949R1

BUSHING

1шт.

Column With Aluminium Flange

1шт.

5

715871R91

BUSHING

for models 433, 533, 633

1шт.

Column With Iron Flange

1шт.

6

3224336R1

PEDESTAL

1шт.

Column With Aluminium Flange

1шт.

6

3221009R1

PEDESTAL

for models 433, 533, 633

1шт.

Column With Iron Flange

1шт.

931596R1

BOLT,M8 x 30mm, Cl 8.8

M8 x 30 mm, for models 433, 533, 633

4шт.

7

3058223R1

PLUG

for models 433, 533, 633

1шт.

8

3224334R1

HOUSING

1шт.

Column With Aluminium Flange

1шт.

8

3221007R1

HOUSING

for models 433, 533, 633

1шт.

Column With Iron Flange

1шт.

9

3058221R1

BEARING, CUP

24 mm dia.

1шт.

10

3058220R91

ROLLER BEARING

CONE

2шт.

11

3224335R1

SHAFT

22 mm dia

1шт.

Column With Aluminium Flange

1шт.

11

3221008R1

SHAFT

24 mm dia., for models 433, 533, 633

1шт.

Column With Iron Flange

1шт.

12

3224765R1

DISC

SHIM 0.30 mm

1шт.

Column With Aluminium Flange

1шт.

12

3224766R1

DISC

SHIM 0.40 mm

1шт.

Column With Aluminium Flange

1шт.

12

3224767R1

SHIM

0.50 mm

1шт.

Column With Aluminium Flange

1шт.

12

3224768R1

SHIM

0.60 mm

1шт.

Column With Aluminium Flange

1шт.

12

3224769R1

SHIM

SPARE PART 0.70 mm

1шт.

Column With Aluminium Flange

1шт.

12

3224770R1

SHIM

0.80 mm

1шт.

Column With Aluminium Flange

1шт.

12

3224771R1

SHIM

0.90 mm

1шт.

Column With Aluminium Flange

1шт.

12

3224772R1

SHIM

1.00 mm

1шт.

Column With Aluminium Flange

1шт.

12

3217349R1

SHIM

0.10 mm, for models 433, 533, 633

1шт.

Column With Iron Flange

1шт.

12

3217350R1

DISC

SHIM 0.12 mm, for models 433, 533, 633

1шт.

Column With Iron Flange

1шт.

12

3217351R1

SHIM

0.15 mm, for models 433, 533, 633

1шт.

Column With Iron Flange

1шт.

12

3217352R1

SHIM

0.30 mm, for models 433, 533, 633

1шт.

Column With Iron Flange

1шт.

13

934840R1

NUT

M30

1шт.

14

934841R1

WASHER,Tab, M31

WASHER 31 mm

1шт.

15

3142833R1

SEAL

1шт.

16

3131687R1

OIL SEAL

1шт.

17

3221010R91

STEERING COLUMN

ROCKSHAFT with: Ref. 18-20

1шт.

18

3058230R1

ADJUSTMENT SCREW

1шт.

934725R1

NUT

SPARE PART M14

1шт.

19

3216140R1

SHIM

2.10 mm

1шт.

19

3216141R1

SHIM

2.15 mm

1шт.

19

3216142R1

DISC

SHIM 2.20 mm

1шт.

19

3216143R1

SHIM

2.25 mm

1шт.

19

3216144R1

SHIM

2.30 mm

1шт.

19

3216145R1

SHIM

2.35 mm

1шт.

19

3216146R1

RING

SHIM 2.40 mm

1шт.

19

3216147R1

DISC

SHIM 2.45 mm

1шт.

19

3216148R1

WASHER

SHIM 2.50 mm

1шт.

20

715849R2

RING, SNAP

RING SNAP retaining

1шт.

21

3131690R1

COVER

1шт.

931599R1

SCREW,M8 x 25mm, Cl 8.8

SPARE PART M8 x 25 mm

4шт.

22

790680R1

BUTTON

CAP Petri VDM

1шт.

23

3057154R91

WHEEL (STEERING)

Petri

1шт.

23

3057155R91

STEERING WHEEL

VDM optional

1шт.

24

3137709R1

ARM

1шт.

24

3216536R1

ARM

SPARE PART for 4 wheel drive tractors

1шт.

25

3059706R2

GASKET

1шт.

26

3224337R1

BELLEVILLE SPRING

1шт.

Column With Aluminium Flange

1шт.

27

3224773R1

BEARING, CUP

22 mm dia

1шт.

Column With Aluminium Flange

1шт.

27

3058221R1

BEARING, CUP

24 mm dia., for models 433, 533, 633

1шт.

Column With Iron Flange

1шт.

Выбрано товаров: 93