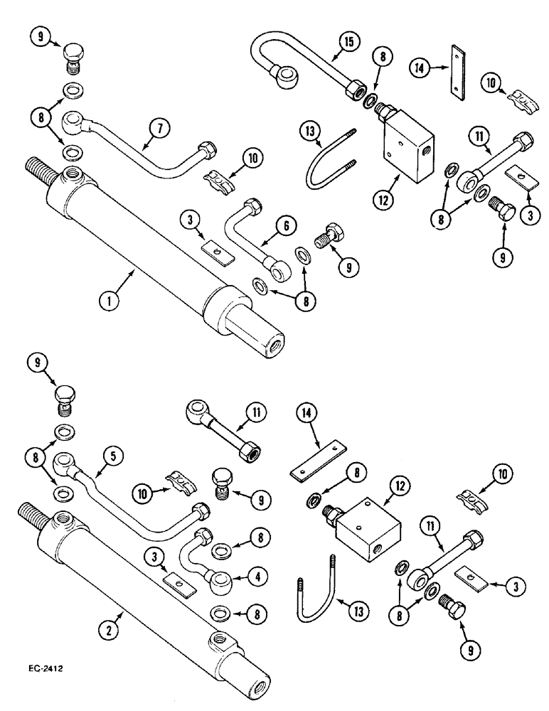
Запчасти Case IH 633 (5-264) - STEERING CYLINDER AND CONNECTIONS (05) - STEERING

Схема запчастей Case IH 633 - (5-264) - STEERING CYLINDER AND CONNECTIONS (05) - STEERING
8
1
3
14
2
9
8
8
13
5
9
11
8
8
3
12
7
12
10
3
8
9
8
10
6
10
9
9
11
14
4
9
11
13
10
8
15
3
8
FIT
1:1
100%

Артикул

Название

Примечание

Количество

1

NSS

NOT SOLD SEPARAT

CYLINDER see Figure 5-268

1шт.

2

NSS

NOT SOLD SEPARAT

CYLINDER see Figure 5-268

1шт.

4 Wheel Drive Tractors

1шт.

3

3058623R1

PLATE

1шт.

Only For Danfoss Steering, Where Necessary

1шт.

4

3221934R1

PIPE

1шт.

5

3221935R1

PIPE

1шт.

6

3220693R1

PIPE,127, 78 mm Length

TUBE

1шт.

7

3220694R1

PIPE

1шт.

8

933155R1

SEALING RING,M16 x 20 x 1.5

1шт.

Only For Danfoss Steering, Where Necessary

1шт.

9

930241R1

BANJO BOLT,M16 x 1.5 x 36mm

hollow

1шт.

Only For Danfoss Steering, Where Necessary

1шт.

10

3217247R1

CLAMP

1шт.

Only For Danfoss Steering, Where Necessary

1шт.

931236R1

BOLT,Hex, M6 x 1 x 35, Cl 5.6

1шт.

86500688

NUT,Hex, M6 x 1.0, Cl 10.9

1шт.

120392

WASHER,1/4", SAE

(7 x 16 x 1.3 mm)

1шт.

11

3404363R1

TUBE,12 mm OD, 94 mm Length

1шт.

Only For Danfoss Steering, Where Necessary

1шт.

12

3404361R1

VALVE

1шт.

Only For Danfoss Steering, Where Necessary

1шт.

13

3404365R1

BOLT

U

1шт.

Only For Danfoss Steering, Where Necessary

1шт.

832-10406

NUT,M6 x 1, Cl 8

2шт.

934055R1

WASHER,M6.4

lock, 6 mm

2шт.

14

3404362R1

PLATE

BAR

1шт.

Only For Danfoss Steering, Where Necessary

1шт.

15

3404364R1

TUBE

1шт.

Only For Danfoss Steering, Where Necessary

1шт.

Выбрано товаров: 30