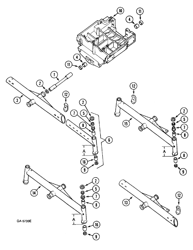
Запчасти Case IH 633 (5-274) - FRONT AXLE (05) - STEERING

Схема запчастей Case IH 633 - (5-274) - FRONT AXLE (05) - STEERING
4
9
1
9
12
15
12
11
8
7
4
16
2
6
5
8
14
10
2
13
5
2
5
16
11
12
7
8
9
7
2
8
3
FIT
1:1
100%

Артикул

Название

Примечание

Количество

1

3140082R1

PIVOT

pivot, 40 mm dia

1шт.

3225018R1

BOLT

5/8 x 30 mm

1шт.

3059875R6

SCREW,5/8" - 11 x 40mm

5/8 x 40 mm

1шт.

114507

JAM NUT,Jam, 5/8"-11, G5

1шт.

2

3057042R1

SHIM,40.05mm ID x 59.94mm OD x 0.55mm Thk

0.50 mm

1шт.

3

3224839R91

AXLE

1шт.

Chassis Serial Numbers: Model 433: 009582 and after, Model 533: 010655 and after, Model 633: 015893 and after, Models 733 & 833: 001000 and after

1шт.

3

3148239R92

AXLE

for models 433, 533, 633

1шт.

Chassis Serial Numbers: Model 433: Up to 009581, Model 533: Up to 010654, Model 633: Up to 015892

1шт.

4

3134952R1

BUSHING

2шт.

5

3217593R1

SHIM

1.00 mm

1шт.

5

3217594R1

SHIM,40mm ID x 60mm OD x 1.5mm Thk

1.50 mm

1шт.

5

3059771R1

SHIM

0.20 mm

1шт.

6

3224832R91

EXTENSION

A-216 mm, Consists of: 2, 5, 7-9

2шт.

Chassis Serial Numbers: Model 433: 009582 and after, Model 533: 010655 and after, Model 633: 015893 and after, Models 733 & 833: 001000 and after

1шт.

6

3224834R91

EXTENSION

A-296 mm, Consists of: 2, 5, 7-9

2шт.

Chassis Serial Numbers: Model 433: 009582 and after, Model 533: 010655 and after, Model 633: 015893 and after, Models 733 & 833: 001000 and after

1шт.

6

3148241R91

TIE-ROD

A-216 mm, Consists of: 2, 5, 7-9, for models 433, 533, 633

2шт.

Chassis Serial Numbers: Model 433: Up to 009581, Model 533: Up to 010654, Model 633: Up to 015892

1шт.

6

3148243R91

EXTENSION

A-296 mm, Consists of: 2, 5, 7-9

2шт.

Chassis Serial Numbers: Model 433: Up to 009581, Model 533: Up to 010654, Model 633: Up to 015892

1шт.

3224403R3

BOLT

Fine threads

4шт.

103326

LOCK WASHER,3/4"

4шт.

426099

NUT,3/4"-16, G5

4шт.

933190R91

LUBE NIPPLE,1/8"-28 BSP x 20mm lg

LUBRICATOR

2шт.

7

3131033R1

SEAL,39mm ID x 53mm OD x 8mm Thk

SCRAPER

2шт.

8

3405570R1

BUSHING

4шт.

9

3405568R1

BALL BEARING,40 mm ID x 61 mm OD x 8 mm

BEARING

2шт.

10

3223148R91

AXLE SUPPORT

BOLSTER with: Ref. 4, 11, for models 433, 533, 633

1шт.

10

3233227R91

AXLE SUPPORT

BOLSTER with: Ref. 4, 11, for model 733

1шт.

933190R91

LUBE NIPPLE,1/8"-28 BSP x 20mm lg

LUBRICATOR

2шт.

413-1032

BOLT,Hex, 5/8" - 11 x 2", Gr 5

4шт.

413-1036

BOLT,Hex, 5/8" - 11 x 2-1/4", Gr 5

8шт.

103325

LOCK WASHER,5/8"

8шт.

20296R1

HEX SOC SCREW,5/8"-11 x 2"

4шт.

11

3137215R1

BUSHING,42mm ID x 48.07mm OD x 12.5mm L

RING

2шт.

12

3220690R1

WASHER

see Figure 5-268, P/N 3224838R91, 3220692R91

1шт.

13

3224842R91

AXLE

see Figure 5-268, P/N 3224838R91, 3220692R91

1шт.

Chassis Serial Numbers: Model 433: 009582 and after, Model 533: 010655 and after, Model 633: 015893 and after, Models 733 & 833: 001000 and after

1шт.

13

3220685R91

AXLE

see Figure 5-268, P/N 3224838R91, 3220692R91, for models 433, 533, 633

1шт.

Chassis Serial Numbers: Model 433: Up to 009581, Model 533: Up to 010654, Model 633: Up to 015892

1шт.

14

3225497R91

4WD AXLE ASSY

A-216 mm, with: Ref. 7, 8

1шт.

14

3225499R91

4WD AXLE ASSY

A-296 mm, with: Ref. 7, 8

1шт.

15

3225506R91

4WD AXLE ASSY

A-216 mm, with: Ref. 7, 8, see Figure 5-268, P/N 3224838R91, 3220692R91

1шт.

15

3225504R91

4WD AXLE ASSY

A-296 mm, with: Ref. 7, 8, see Figure 5-268, P/N 3224838R91, 3220692R91

1шт.

16

3405570R1

BUSHING

2шт.

Выбрано товаров: 0