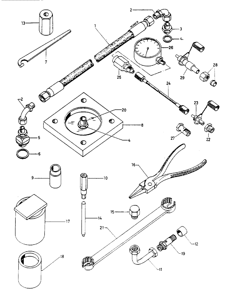
Запчасти Case IH 654 (370) - SERVICE TOOLS FOR HYDRAULIC SYSTEM (88) - ACCESSORIES

Схема запчастей Case IH 654 - (370) - SERVICE TOOLS FOR HYDRAULIC SYSTEM (88) - ACCESSORIES
7
18
4
17
8
22
10
6
13
23
16
28
25
14
27
19
1
12
3
2
29
4
26
2
5
24
20
9
21
1
15
FIT
1:1
100%

Артикул

Название

Примечание

Количество

3058932R91

TOOL

service, set, for hydraulic

1шт.

3139131R91

KIT

TOOLS service, set, with: 1-6, 22-30

1шт.

1

3058933R91

REGULATOR

THROTTLE, ASSY., with: 1-6

1шт.

1

713436R91

HOSE

pressure

1шт.

2

715747R91

FITTING

ELBOW

2шт.

3

717329R1

UNION

SPARE PART adapter, M18

1шт.

4

3051337R1

SEALING RING,M18 x 24mm OD x 1.5mm Thk

2шт.

5

UNION throttle

1шт.

6

933609R1

RING

26 x 31 mm

1шт.

7

3058935R11

TOOL

WRENCH hook, safety valve

1шт.

8

3058934R11

FLANGE

test, cylinder head, with: 4, 8, 20

1шт.

8

3058934R1

FLANGE test

1шт.

413-1032

BOLT,Hex, 5/8" - 11 x 2", Gr 5

4шт.

9

3058940R1

TOOL

SPARE PART installing, oil seal, draft link plunger

1шт.

3058941R1

TOOL

adjusting, safety valve

1шт.

11

3058951R91

PIPE FITTING

ELBOW pressure, gauge connection

1шт.

12

3058953R1

BUSHING

SPARE PART spacer

1шт.

13

3058950R1

UNION

connector, safety valve to test pump

1шт.

14

3058952R1

TOOL

SPARE PART PUNCH securing, cut-out valve adjustment

1шт.

15

3053532R1

UNION

pressure gage connection, M20

1шт.

16

3058942R91

PLIERS

circlip

1шт.

17

3058937R11

SLEEVE

TOOL installing, rockshaft seal

1шт.

18

3058939R1

SPACER

TOOL installing, rockshaft seal

1шт.

19

3058447R

UNION adapter, for pressure gauge connection

1шт.

20

716335R1

UNION

adapter, M16 x M18

1шт.

21

3131882R1

SPECIAL WRENCH

for tandem pump

1шт.

22

3139134R1

PLUG

UNION adapter, M16 x 1/8" NPT

1шт.

22

3141523R1

UNION

adapter, M10 x 1/8" NPT

1шт.

23

3139135R1

COUPLING, BREAK AWAY

3шт.

24

3139136R1

HOSE,600.00 mm

Pressure

3шт.

25

3139137R1

UNION

connector

3шт.

26

3139140R1

GAUGE

-1 - + 1.5 kp/cm2

1шт.

26

3139141R1

GAUGE

-1 - + 15 kp/cm2

1шт.

26

3139142R1

GAUGE

0 - + 25 kp/cm2

1шт.

26

3139143R1

GAUGE

0 - + 250 kp/cm2

1шт.

27

3139132R1

PIPE FITTING

SCREW hollow, M16 x 1/8"

2шт.

27

3139133R1

PIPE FITTING

SCREW hollow, M18 x 1/8"

2шт.

28

3139139R1

UNION

connector

1шт.

29

3139138R1

UNION

adapter

1шт.

Выбрано товаров: 39