Запчасти Case IH 656 (F-08) - HYDRAULICS, HYDRAULIC POWER SUPPLY, INTERNATIONAL HYDROSTATIC DRIVE TRACTORS (07) - HYDRAULIC SYSTEM

Схема запчастей Case IH 656 - (F-08) - HYDRAULICS, HYDRAULIC POWER SUPPLY, INTERNATIONAL HYDROSTATIC DRIVE TRACTORS (07) - HYDRAULIC SYSTEM
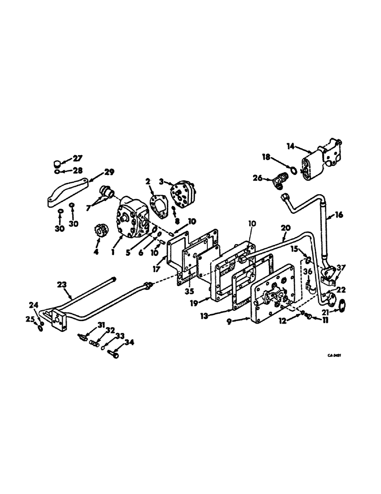
30
22
31
29
28
25
20
10
2
1
18
8
24
35
13
7
21
6
12
3
23
30
10
36
32
33
34
16
9
10
11
27
19
26
15
5
37
17
4
14
FIT
1:1
100%

Артикул

Название

Примечание

Количество

406911R91

PARTS ACCESSORY, high capacity power supply, for tractors equipped with or without 540 RPM PTO and w/loaders or 110 mowers, consists of all parts marked unit A

1шт.

*

Service parts for hydraulic power supply w/ or w/o draft control, consists of all unmarked parts and those marked unit B

1шт.

405203R91

PARTS ACCESSORY, high capacity power supply for tractors equipped with 1000 RPM PTO and with loaders or 110 mowers, consists of all parts marked unit C

1шт.

401214R91

PARTS ACCESSORY, hydraulic power supply, 2656 tractors w/backhoe and/or fast cycle loader or 110 mower and not equipped w/draft control att, consists of all parts marked unit D

1шт.

1

527755R91

PUMP

ASSY, hydraulic gear, 17 GPM, will work for 370880R94, Thompson, for components see list of parts under details of hydraulic pump, optional with 373966R94 on gasoline engine tractors only

1шт.

1

373966R94

HYDRAULIC PUMP

PUMP ASSY, hydraulic gear, 17 GPM, Cessna, for components see list of parts under details of hydraulic pump, for gasoline and diesel engine tractors, optional with 527755R91 on gasoline engine tractors only

1шт.

1

1949292C1

REMAN-HYD PUMP

Remanufactured HYDRAULIC PUMP

1шт.

1

1949293C1

CORE-HYDRAULIC PUMP

Return No, HYDRAULIC PUMP

1шт.

52999D

WASHER

GASKET, pump mounting screw

4шт.

NLS

NO LONGER SERVICED

SCREW, 7/16-14 x 1-1/2 hex-hd cap

4шт.

2

371543R2

GASKET

hydraulic gear pump, tractors with draft control

1шт.

3

391351R93

HYDRAULIC PUMP

PUMP ASSY, hyd gear, 9 GPM, Cessna, for components see list of parts under details of hydraulic pump, optional with 395229R92

1шт.

3

1949290C1

REMAN-HYD PUMP

Reman For New PN 391351R93

1шт.

3

1949291C1

CORE-HYDRAULIC PUMP

Return Number

1шт.

3

395229R92

PUMP

ASSY, hyd gear, 9 GPM, Thompson, for components see list of parts under details of hydraulic pump, optional with 391351R93

1шт.

3

1949290C1

REMAN-HYD PUMP

Reman for new P/N 395229R92

1шт.

3

1949291C1

CORE-HYDRAULIC PUMP

Return Number

1шт.

179849

BOLT,Hex, 3/8" - 16 x 2 1/2", Gr 5

4шт.

4

396859R1

GEAR

pump drive, 25 T, unit B, all tractors except those with 1000 RPM independent PTO

1шт.

4

399533R1

GEAR, pump drive, 28 T, unit B, tractors w/1000 RPM independent PTO

1шт.

4

391305R1

GEAR, pump drive, 18 teeth, unit A

1шт.

4

405206R1

GEAR, pump drive, 21 teeth, unit C

1шт.

192631R

NUT, 5/8-18 ESNA stop, pump drive shaft

1шт.

5

254691R1

O-RING,-211, 70 Duro, .796" ID x .139" Thk

13/16 x 1-1/16 x 1/8, pump pressure port large, units A, B and C

1шт.

6

352221R1

O-RING,0.103" Thk x 0.549" ID, -113, Cl 5, 75 Duro

9/16 x 3/4 x 3/32, pump pressure port small, units A, B and C

1шт.

7

396621R2

BUSHING

TUBE ASSY, pump suction, unit A

1шт.

7

396860R11

BUSHING,28.5mm ID x 31.8mm OD x 50.8mm L

TUBE ASSY, pump suction, unit B

1шт.

7

405207R1

TUBE ASSY, pump suction, unit C

1шт.

ref #7 495296r1 s/b 485286r11, this part is now a pt6 as you check prints the replacement part is 395335r92. 8-12-96 cw

1шт.

8

371544R1

O-RING,0.07" Thk x 0.551" ID, -15, Cl 5, 75 Duro

9/16 x 11/16 x 1/16

1шт.

9

405746R1

FLANGE, pump mounting, unit A

1шт.

9

396866R21

FLANGE

ASSY, pump mounting, unit B

1шт.

9

405204R1

FLANGE ASSY, pump mounting, unit C

1шт.

179840

BOLT,Hex, 3/8" - 16 x 1 1/8", Gr 5

SCREW, 3/8-16 x 1-1/8 hex-hd cap

1шт.

186282

BOLT,Hex, 3/8" - 16 x 3 1/4", Gr 5

SCREW, 3/8-16 x 3-1/4 hex-hd cap

10шт.

103321

LOCK WASHER,3/8"

WASHER, LOCK, 3/8"

11шт.

10

384116R1

PIN

pump mounting flange & adapter dowel

4шт.

11

9410358

PLUG

9/16-18 str thd o-ring boss, pump mounting flange

1шт.

12

364839R1

O-RING,0.078" Thk x 0.468" ID, -906, Cl 6, 90 Duro

6-1, 90 Duro, .468" ID x .078" Thk, 3/8 OD tube

1шт.

13

396867R1

GASKET

pump mtg flange, light

1шт.

13

396868R1

GASKET

pump mtg flange, heavy

1шт.

14

FLOW, divider valve, refer to flow divider valve listing, section J

1шт.

15

369908R1

O-RING,0.103" Thk x 0.799" ID, -117, Cl 5, 75 Duro

13/16 x 1 x 3/32

1шт.

16

399675R1

HOSE ASSY.

PIPE & HOSE ASSY, hyd power supply

1шт.

179824

BOLT,Hex, 5/16" - 18 x 1 3/4", Gr 5

3шт.

103320

LOCK WASHER,5/16"

WASHER, LOCK, 5/16"

3шт.

17

396870R1

GASKET

pump flange mtg adapter

1шт.

18

368269R1

O-RING,0.116" Thk x 0.924" ID, -912, Cl 6, 90 Duro

3/4 OD tube

1шт.

19

396869R11

ADAPTER ASSY, pump mounting flange, unit B

1шт.

20556R1

DOWEL,1/2" x 3/4"

PIN, 1/2 x 3/4 dowel

2шт.

179840

BOLT,Hex, 3/8" - 16 x 1 1/8", Gr 5

SCREEN, 3/8-16 x 1-1/8 hex-hd cap

3шт.

103321

LOCK WASHER,3/8"

WASHER, LOCK, 3/8"

3шт.

20

400321R2

TUBE ASSY, draft control power supply front, unit D

1шт.

179823

BOLT,Hex, 5/16" - 18 x 1 5/8", Gr 5

2шт.

21

378276R1

COVER

draft control pressure port

1шт.

179815

BOLT,Hex, 5/16" - 18 x 11/16", Gr 5

2шт.

103320

LOCK WASHER,5/16"

WASHER, LOCK, 5/16"

2шт.

22

352221R1

O-RING,0.103" Thk x 0.549" ID, -113, Cl 5, 75 Duro

9/16 x 3/4 x 3/32

1шт.

23

400319R2

MANIFOLD

ASSY, hyd housing power supply, unit D

1шт.

23

399680R1

MANIFOLD ASSY, lub tube supply, tractors w/o draft control

1шт.

179846

LEVER

3шт.

24

355965R1

O-RING,0.139" Thk x 0.921" ID, -213, Cl 5, 75 Duro

15/16 x 1-3/16 x 1/8

1шт.

25

356005R1

O-RING,1.109" ID x 0.139" Width

1-1/8 x 1-3/8 x 1/8

1шт.

26

9410979

ELBOW,90 Degree, 1 1/16"-12, 37 Degree x 1 1/16"-12, O-Ring

1-1/16-12 C-Z 37 deg hyd flared tube adj str thd 90 deg

1шт.

27

379144R1

PLUG, hydraulic transfer block, unit D

1шт.

28

380839R1

O-RING,0.103" Thk x 0.862" ID, -118, Cl 6, 90 Duro

poppet relief valve, unit D

1шт.

29

378030R2

FLANGE, hydraulic diverting, unit D

1шт.

179844

BOLT,Hex, 3/8" - 16 x 1 5/8", Gr 5

SCREW, 3/8-16 x 1-5/8 hex-hd cap

2шт.

103321

LOCK WASHER,3/8"

WASHER, LOCK, 3/8"

2шт.

30

364879R1

O-RING,0.103" Thk x 0.862" ID, -118, Cl 5, 75 Duro

7/8 x 1-1/16 x 3/32, 2 for unit D

1шт.

31

354057R2

VALVE

check

1шт.

32

382334R1

SPRING

check

1шт.

33

364839R1

O-RING,0.078" Thk x 0.468" ID, -906, Cl 6, 90 Duro

6-1, 90 Duro, .468" ID x .078" Thk

2шт.

34

390825R1

PLUG

std thd o-ring boss

1шт.

35

405745R1

PLATE, pump mounting, unit A, replaces 400510R1

1шт.

179865

BOLT,Hex, 7/16" - 14 x 1 7/8"

SCREW, 7/16-14 x 7/8 hex-hd cap

4шт.

35

405307R1

PLATE, pump mounting, unit C

1шт.

179866

BOLT,Hex, 7/16" - 14 x 2", Gr 5

4шт.

36

527887R1

CLAMP, power supply tube, unit D

1шт.

37

531859R1

BRACKET, power supply tube, unit D

1шт.

17411R1

BOLT,Hex, 5/16"-18 X 3/4", G2

5/16-18 x 3/4 hex-hd mach

1шт.

9635082

NUT,5/16" - 18, Gr 5

5/16-18 hex.

1шт.

Выбрано товаров: 82