Запчасти Case IH 656 (K-02[A]) - DRAWBARS AND HITCHES, SWINGING DRAWBAR Drawbars & Hitches

Схема запчастей Case IH 656 - (K-02[A]) - DRAWBARS AND HITCHES, SWINGING DRAWBAR Drawbars & Hitches
12
2
9
3
10
4
6
11
7
5
1
8
6
FIT
1:1
100%

Артикул

Название

Примечание

Количество

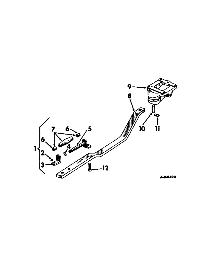
1

356563R93

ROLLER

ASSY, swinging drawbar, composed of (1) fitting 109461, (1) nut 220081, (1) roller 356562R31, (1) shaft 256561R11, (1) support 356565R2, (1) washer 103326, (2) washer 358002R1

1шт.

2

109461

LUBE NIPPLE,1/8"-27 x .66 lg

NIPPLE, LUBE, , PTF 1/8"-27 x .66 lg

1шт.

3

356565R2

SUPPORT

drawbar roller shaft

1шт.

13361R1

SCREW, 5/8-11 x 2-1/4 sq-hd mach

1шт.

102639

NUT,5/8"-11, G5

1шт.

103325

LOCK WASHER,5/8"

WASHER, LOCK, 5/8"

1шт.

4

358002R1

WASHER

drawbar roller shaft

2шт.

5

356561R11

SHAFT

ASSY, swinging drawbar roller

1шт.

13361R1

BOLT, 5/8-11 x 2-1/4 sq-hd mach

1шт.

102639

NUT,5/8"-11, G5

1шт.

103325

LOCK WASHER,5/8"

WASHER, LOCK, 5/8"

1шт.

220081

NUT

3/4-10 hex.

1шт.

103326

LOCK WASHER,3/4"

WASHER, LOCK, 3/4"

1шт.

6

356564R1

BUSHING

drawbar roller

2шт.

7

356562R31

ROLLER

ASSY, swinging drawbar

1шт.

8

389112R1

DRAWBAR, swinging

1шт.

9

389104R11

SUPPORT ASSY, swinging drawbar pivot, not part of swinging drawbar attachment

1шт.

413-1032

BOLT,Hex, 5/8" - 11 x 2", Gr 5

SCREW, 5/8-11 x 2 hex-hd cap

4шт.

10

57654D

PIVOT PIN

PIN, swinging drawbar pivot

1шт.

11

49139D

WASHER,10.32mm ID x 38.1mm OD x 5mm Thk

PLATE, pivot pin lock

1шт.

179837

BOLT,Hex, 3/8" - 16 x 3/4", Gr 5

1шт.

103321

LOCK WASHER,3/8"

WASHER, LOCK, 3/8"

1шт.

12

271611

BOLT,Hex, 3/4" - 10 x 2", Gr 5

SCREW, 3/4 x 2 hex-hd cap, used as drawbar roller stop

2шт.

105611

NUT

3/4-10 SP

2шт.

103326

LOCK WASHER,3/4"

WASHER, LOCK, 3/4"

2шт.

Выбрано товаров: 25