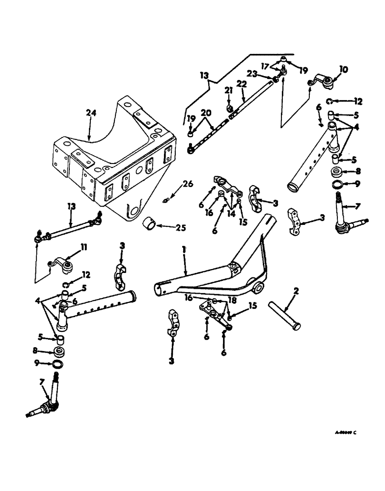
Запчасти Case IH 664 (14-02) - SUSPENSION, ADJUSTABLE WIDE TREAD FRONT AXLE Suspension

Схема запчастей Case IH 664 - (14-02) - SUSPENSION, ADJUSTABLE WIDE TREAD FRONT AXLE Suspension
21
5
13
14
16
4
17
13
3
19
11
26
10
8
18
6
15
6
9
24
5
3
7
12
6
6
22
16
2
5
1
25
7
9
23
4
12
6
15
19
3
8
5
3
20
6
FIT
1:1
100%

Артикул

Название

Примечание

Количество

1

395974R92

AXLE ASSY, front

1шт.

385151R1

PIN

cylinder mounting bracket

1шт.

103409

PIN, SPLIT (COTTER),3/16" x 1 1/2"

1шт.

2

400547R1

SHAFT

front axle

1шт.

21585R1

HEADED PIN,5/16" x 4 1/4"

PIN, 5/16 x 4-1/4 headed pin

1шт.

107763

COTTER PIN,1/8" x 5/8"

PIN, SPLIT (COTTER), 1/8" x 5/8"

1шт.

Q3501

WASHER

25/32 x 1-1/4 x 16 ga

1шт.

3

361851R1

CLAMP, front axle extension

4шт.

NLS

NO LONGER SERVICED

SCREW, 5/8-11 x 3-3/4 hex-hd cap

4шт.

102639

NUT,5/8"-11, G5

4шт.

302877

WASHER, .656 x 1.06 x .120

4шт.

114609

LOCK WASHER,Ext Tooth, 5/8"

WASHER, LOCK, Ext Tooth, 5/8"

2шт.

22327R1

SCREW, 5/8-11 x 5-1/2 hex-hd cap

2шт.

114507

JAM NUT,Jam, 5/8"-11, G5

2шт.

4

379641R91

EXTENSION

ASSY, front axle

2шт.

5

358958R2

BUSHING,42.57mm ID x 46.08mm OD x 51.05mm L

steering knuckle post

4шт.

6

80722

LUBE NIPPLE,3/16" x .55" lg, Drive

FITTING, steering knuckle pivot pin lub 3/16 str drive

6шт.

7

406267R92

STEERING KNUCKLE

KNUCKLE ASSY, steering, composed of (1) knuckle 374386R1 (NSS), (1) pin 406264R2 (NSS), (1) seal 370254R91, (1) shield 48701D

2шт.

108643

COTTER PIN,5/32" x 1 3/8"

Pin, Split (Cotter), 5/32" x 1 3/8"

2шт.

427645

SLOTTED NUT,7/8"-14, G5

NUT, 7/8-14 slt hex

2шт.

427546

JAM NUT,Jam, 1 3/8"-12, G5

1-3/8-12 hex jam

2шт.

Q326

WASHER

1-13/32 x 2-3/4 x 18 GA

2шт.

8

369131R91

THRUST BEARING

steering knuckle thrust

2шт.

9

15943DA

SEALING WASHER,60.33mm ID x 72.23mm OD x 4.76mm Thk

Steering knuckle felt

2шт.

10

379642R1

LEVER

ARM, steering knuckle LH

1шт.

11

379643R1

LEVER

ARM, steering knuckle RH

1шт.

12

146008R1

SNAP RING,M41.15 x 2.46mm Thk, Ext

RING, steering knuckle retaining

2шт.

13

379549R92

ROD

W/CLAMPS, tie

2шт.

578274R1

WASHER

21/32 x 1 x 11 GA

4шт.

108635

PIN,1/8" x 1 1/8"

Split (Cotter), 1/8" x 1 1/8"

4шт.

14

379553R11

LEVER

ARM ASSY, upper cyl support

1шт.

15

379554R1

BUSHING,25.43mm ID x 28.57mm OD x 19.05mm L

BUSHING, front cyl support arm

2шт.

16

379748R1

BUSHING

rear cyl support arm

2шт.

17

379551R92

END ASSY.

END W/COVER, 382562R1 and nut, 102649, tie rod

2шт.

102649

SLOTTED NUT,5/8"-18, G5

NUT, 5/8"-18, G5

2шт.

18

379555R11

LEVER

ARM ASSY, lower cyl support

1шт.

413-840

BOLT,Hex, 1/2" - 13 x 2-1/2", Gr 5

SCREW, 1/2-13 x 2-1/2 hex-hd cap

2шт.

19

382562R1

SEAL

COVER, tie rod end dust

4шт.

20

379552R92

END

W/COVER, 382562R1 and nut, 102649, tie rod

2шт.

102649

SLOTTED NUT,5/8"-18, G5

NUT, 5/8"-18, G5

2шт.

21

375620R1

CLAMP

tie rod

2шт.

25-118

NUT,1/2"-20, G5

1/2-20 hex

2шт.

181440

BOLT,Hex, 1/2" - 20 x 2 1/2", Gr 5

SCREW, 1/2-20 x 2-1/2 hex-hd cap

2шт.

106500

WASHER, 1/2 light lock

2шт.

395-11053

WASHER,0.53" ID x 1.06" OD x 0.1" Thk

1-1/16 x 17/32 x .095

2шт.

22

379550R1

TUBE,0.948" ID, .333" OD, 17" Length

tie rod

2шт.

23

374062R1

JAM NUT

NUT, 1-1/16 tie rod end hex

2шт.

24

395857R11

BOLSTER ASSY

1шт.

25

395870R1

BUSHING,44.73mm ID x 47.85mm OD x 40.64mm L

front axle pivot

2шт.

26

443567

LUBE NIPPLE,1/4" x .56 lg, Drive

FITTING, front axle lub

2шт.

Выбрано товаров: 50