Запчасти Case IH 664 (10-02) - HYDRAULICS, HYDRAULIC POWER SUPPLY (07) - HYDRAULICS

Схема запчастей Case IH 664 - (10-02) - HYDRAULICS, HYDRAULIC POWER SUPPLY (07) - HYDRAULICS
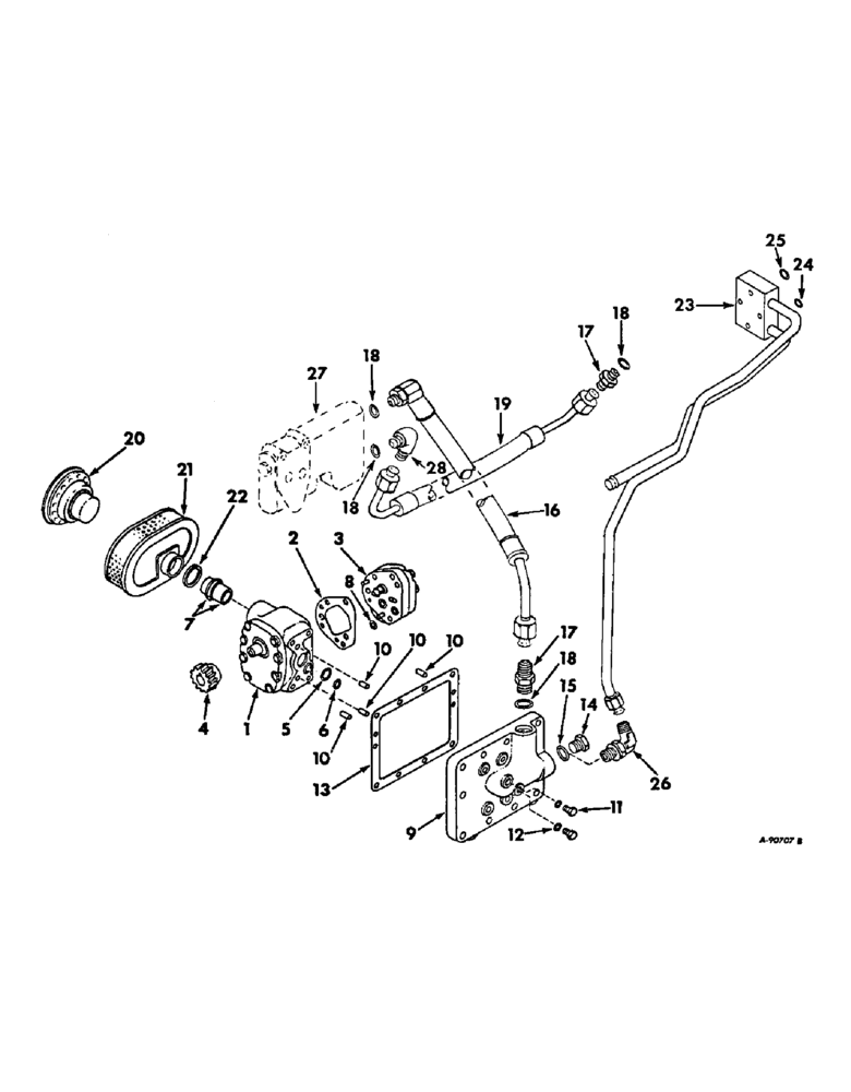
18
3
16
21
10
26
11
23
20
18
18
10
27
1
4
9
24
10
12
17
15
2
6
19
10
25
14
13
5
22
18
17
28
FIT
1:1
100%

Артикул

Название

Примечание

Количество

1

527755R91

PUMP

ASSY, hydraulic gear, 17 GPM, Thompson, for components see list of parts under details of hydraulic pump, optional with 373966R94

1шт.

1

373966R94

HYDRAULIC PUMP

PUMP ASSY GEAR, 17 GPM, Cessna, for components see list of parts under details of hydraulic pump, optional with 527755R91

1шт.

1

1949292C1

REMAN-HYD PUMP

Remanufactured HYDRAULIC PUMP

1шт.

1

1949293C1

CORE-HYDRAULIC PUMP

Return No, HYDRAULIC PUMP

1шт.

52999D

WASHER

GASKET, pump mounting screw

4шт.

NLS

NO LONGER SERVICED

SCREW, 7/16-14 x 1-1/2 hex-hd cap

4шт.

2

371543R2

GASKET

hydraulic gear pump

1шт.

3

391351R93

HYDRAULIC PUMP

PUMP ASSY, hyd gear, 9 GPM, Cessna, for components see list of parts under details of hydraulic pump, optional with 395229R92, tractors with draft control

1шт.

3

1949290C1

REMAN-HYD PUMP

Reman For New PN 391351R93

1шт.

3

1949291C1

CORE-HYDRAULIC PUMP

Return Number

1шт.

3

395229R92

PUMP

ASSY, hyd gear, 9 GPM, Thompson, for components see list of parts under details of hydraulic pump, optional with 391351R93, tractors with draft control

1шт.

3

1949290C1

REMAN-HYD PUMP

Reman for new P/N 395229R92

1шт.

3

1949291C1

CORE-HYDRAULIC PUMP

Return Number

1шт.

179849

BOLT,Hex, 3/8" - 16 x 2 1/2", Gr 5

4шт.

4

401423R1

GEAR

pump drive, 24 teeth

1шт.

4

402511R1

GEAR, pump drive, 27 teeth, tractors with 1000 RPM IPTO

1шт.

19263R1

LOCK NUT,Hex, 5/8" - 18

NUT, 5/8-18 ESNA stop, pump drive shaft

1шт.

5

254691R1

O-RING,-211, 70 Duro, .796" ID x .139" Thk

13/16 x 1-1/16 x 1/8

1шт.

6

352221R1

O-RING,0.103" Thk x 0.549" ID, -113, Cl 5, 75 Duro

9/16 x 3/4 x 3/32

1шт.

7

401420R1

TUBE

PACKAGE, pump suction tube service

1шт.

7

389142R11

TUBE

PIPE ASSEMBLY, suction, tractors w/1000 RPM IPTO, refer to independent PTO listing, group 7

1шт.

8

371544R1

O-RING,0.07" Thk x 0.551" ID, -15, Cl 5, 75 Duro

9/16 x 11/16 x 1/16, hydraulic gear pump

1шт.

9

401421R1

FLANGE ASSY, pump mounting

1шт.

179847

BOLT,Hex, 3/8" - 16 x 2", Gr 5

10шт.

103321

LOCK WASHER,3/8"

WASHER, LOCK, 3/8"

10шт.

10

384116R1

PIN

pump mounting flange dowel

4шт.

11

9410358

PLUG

9/16-18 str thd o-ring boss

2шт.

12

364839R1

O-RING,0.078" Thk x 0.468" ID, -906, Cl 6, 90 Duro

6-1, 90 Duro, .468" ID x .078" Thk

2шт.

13

370892R2

GASKET

pump mtg flange, light

1шт.

13

370893R2

GASKET

pump mtg flange, heavy

1шт.

14

9410360

PLUG

7/8-14 str thd o-ring boss, tractors w/o draft control

1шт.

15

364885R1

O-RING,0.097" Thk x 0.755" ID, -910, Cl 6, 90 Duro

3/4 x 15/16 x 3/32

1шт.

16

396280R1

HYDRAULIC HOSE

PIPE & HOSE ASSY, hyd power supply

1шт.

17

9410205

HYD CONNECTOR,1 1/16"-12, 37 Degree x 1 1/16"-12, O-Ring

UNION, 1-1/16-12 C-Z 37 deg hyd flared tube short swivel

2шт.

18

368269R1

O-RING,0.116" Thk x 0.924" ID, -912, Cl 6, 90 Duro

59/64 x 1-1/16 x 7/64

4шт.

19

396281R1

TUBE AND HOSE ASSY, O.C.V. transfer

1шт.

20

386121R92

VALVE

SCREEN AND VALVE ASSY, filter

1шт.

21

388084R93

HYDRAULIC OIL FILTER

PACKAGE, oil filter element service, consists of element, gasket, 370801R1 and ring, 388082R1

1шт.

21

388084R93GV

HYDRAULIC OIL FILTER

Value, Hydraulic Oil Filter

1шт.

22

388082R1

O-RING,1.424" ID x 0.099" Width

RING, element seal

1шт.

23

397326R1

MANIFOLD

ASSY, hyd housing power supply, tractors with draft control

1шт.

179846

LEVER

3шт.

24

355965R1

O-RING,0.139" Thk x 0.921" ID, -213, Cl 5, 75 Duro

15/16 x 1-3/16 x 1/8

1шт.

25

356005R1

O-RING,1.109" ID x 0.139" Width

1-1/8 x 1-3/8 x 1/8

1шт.

26

9410978

ELBOW,90 Degree, 7/8"-14, 37 Degree x 7/8"-14, O-Ring

7/8-14 C-Z 37 deg hyd flared tube adj str thd 90 deg, tractors with draft control

1шт.

27

NSS

NOT SOLD SEPARAT

VALVE ASSY, power steering flow divider, for components see list of parts under power steering flow divider valve

1шт.

28

9410979

ELBOW,90 Degree, 1 1/16"-12, 37 Degree x 1 1/16"-12, O-Ring

1-1/16-12 C-Z 37 deg hyd flared tube adj str thd 90 deg

1шт.

Выбрано товаров: 47