Запчасти Case IH 664 (10-13) - HYDRAULICS, POWER STEERING PILOT VALVE (07) - HYDRAULICS

Схема запчастей Case IH 664 - (10-13) - HYDRAULICS, POWER STEERING PILOT VALVE (07) - HYDRAULICS
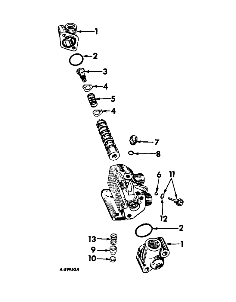
12
5
2
8
11
3
4
9
4
10
6
1
13
7
2
1
FIT
1:1
100%

Артикул

Название

Примечание

Количество

527492R91

LOCK VALVE

VALVE ASSY, power steering pilot

1шт.

1

379894R1

CAP

end

2шт.

179847

BOLT,Hex, 3/8" - 16 x 2", Gr 5

4шт.

103321

LOCK WASHER,3/8"

WASHER, LOCK, 3/8"

4шт.

2

387088R1

SEALING RING,1.237" ID x 0.103" Width

SEAL, end cap

2шт.

3

379896R1

SCREW,3/8" - 24, Drilled, W/ Nylon Pellet

spring centering

1шт.

4

379897R1

WASHER

centering screw

2шт.

5

395754R1

SPRING

valve centering

1шт.

6

16008R1

BALL,1/4" Dia, Steel

1/4 steel

1шт.

7

9410357

PLUG

1/2-20 C-Z str thd o-ring boss

1шт.

8

369384R1

O-RING,0.072" Thk x 0.414" ID, -905, Cl 6, 90 Duro

5-1, 90 Duro, .414" ID x .072" Thk

1шт.

9

527494R1

VALVE

check, also order seat, 527495R1

1шт.

10

527495R1

DISC

SEAT, check valve, also order check valve, 527494R1

1шт.

11

379901R91

PLUG

ASSEMBLY

1шт.

12

379795R1

O-RING,0.064" Thk x 0.301" ID, -903, Cl 6, 90 Duro

3-1, .301" ID x .064" Thk, Plug

1шт.

13

382125R1

SPRING

pressure check

1шт.

527493R91

PACKAGE

pilot valve service, consists of (1) o-ring 369384R1, (1) o-ring 379795R1, (2) seal 387088R1

1шт.

Выбрано товаров: 0