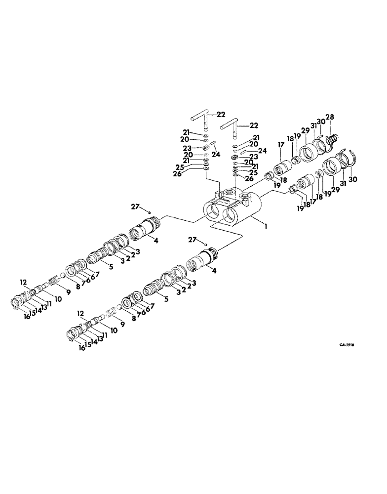
Запчасти Case IH 664 (10-22) - HYDRAULICS, FEMALE COUPLER (07) - HYDRAULICS

Схема запчастей Case IH 664 - (10-22) - HYDRAULICS, FEMALE COUPLER (07) - HYDRAULICS
18
7
12
29
31
21
1
30
8
24
18
11
22
15
21
13
25
19
20
16
16
19
26
3
22
12
20
6
23
21
19
15
13
5
19
5
3
24
4
2
3
6
25
2
17
3
10
6
2
30
21
20
27
18
27
9
20
7
14
17
7
31
7
14
26
23
11
4
9
8
28
29
10
6
18
2
FIT
1:1
100%

Артикул

Название

Примечание

Количество

544786R91

SPARE PART

COUPLING ASSY, female

1шт.

1

544788R1

BODY

1шт.

2

22278R1

O-RING,0.103" Thk x 1.674" ID, -131, Cl 5, 75 Duro

1-11/16 x 1-7/8 x 3/32

4шт.

3

544789R1

SEAL

sleeve

4шт.

4

549159R1

SLEEVE

ASSY, female body, includes ref nos 27, 28, 29 & 31

1шт.

5

549158R1

VALVE

ASSY, check, includes ref nos 8 - 13

1шт.

6

346959R1

O-RING,0.103" Thk x 1.049" ID, -121, Cl 6, 90 Duro

1-1/6 x 1-1/4 x 3/32

4шт.

7

544792R1

WASHER,27.66mm ID x 32.08mm OD x 1.32mm Thk

back-up

4шт.

8

NSS

NOT SOLD SEPARAT

BALL, 17/32 cr-stl, part of valve assy, 549158R1

2шт.

9

NSS

NOT SOLD SEPARAT

SPRING, hyd coupling, part of valve assy, 549158R1

2шт.

10

NSS

NOT SOLD SEPARAT

RETAINER, spring, part of valve assy, 549158R1

2шт.

11

NSS

NOT SOLD SEPARAT

O-RING, 9/16 x 3/4 x 3/32, part of valve assy, 549158R1

2шт.

12

NSS

NOT SOLD SEPARAT

WASHER, back-up, part of valve assy, 549158R1

2шт.

13

NSS

NOT SOLD SEPARAT

RING, spring retainer, part of valve assy, 549158R1

2шт.

14

544797R1

RING

retaining check body inner

2шт.

15

22769R1

WASHER

2шт.

16

21399R1

SNAP RING,#106, Ext

RING - snap, , check body outer #106, Ext

2шт.

17

544798R1

BUSHING

SLEEVE, female body small

2шт.

18

528249R1

O-RING

13/16 x 1 x 3/32

4шт.

19

544799R1

WASHER

backup

4шт.

20

379365R1

O-RING,0.07" Thk x 0.364" ID, -12, Cl 6, 90 Duro

3/8 x 1/2 x 1/16

4шт.

21

544800R1

WASHER

back-up

4шт.

22

544801R1

HANDLE

ASSY, valve

2шт.

23

544804R1

CAM

check valve

2шт.

24

544805R1

PIN

cam retainer

2шт.

25

544806R1

RETAINER

cam shaft

2шт.

26

399921C1

RING

cam shaft retaining

2шт.

27

NSS

NOT SOLD SEPARAT

BALL, 3/16 cr-stl lock, part of sleeve assy, 549159R1

20шт.

28

NSS

NOT SOLD SEPARAT

SPRING, lock ball retainer, part of sleeve assy, 549159R1

2шт.

29

NSS

NOT SOLD SEPARAT

RETAINER, lock ball, part of sleeve assy, 549159R1

2шт.

30

537468R1

SNAP RING,#193, 2.081", Int

RING, retaining

2шт.

31

NSS

NOT SOLD SEPARAT

STOP, lock ball retainer, part of sleeve assy, 549159R1

1шт.

549160R91

PACKAGE

hydraulic female coupler o-ring & seal service, consists of (4) o-ring 22278R1, (4) o-ring 346959R1, (4) o-ring 379365R1, (4) o-ring 528249R1, (4) seal 544789R1, (4) washer 544792R1, (4) washer 544799R1, (4) washer 544800R1

1шт.

Выбрано товаров: 33