Запчасти Case IH 666 (10-28) - HYDRAULICS, DRAFT CONTROL CYLINDER AND VALVE (07) - HYDRAULICS

Схема запчастей Case IH 666 - (10-28) - HYDRAULICS, DRAFT CONTROL CYLINDER AND VALVE (07) - HYDRAULICS
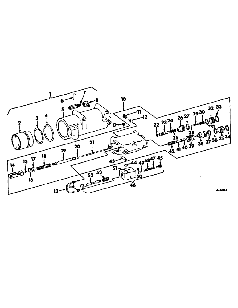
16
6
47
29
11
3
31
14
13
36
44
25
21
1
54
46
12
33
35
32
7
5
4
20
41
24
26
30
18
2
19
9
40
49
39
27
42
23
53
37
8
28
34
10
38
43
26
45
52
48
15
51
17
50
FIT
1:1
100%

Артикул

Название

Примечание

Количество

1

389576R11

CYLINDER BLOCK

CYLINDER ASSY, draft control

1шт.

179841

BOLT,Hex, 3/8" - 16 x 1 1/4", Gr 5

3/8-16 x 1-1/4 hex-hd cap

1шт.

186285

BOLT,Hex, 3/8" - 16 x 4", Gr 5

2шт.

103321

LOCK WASHER,3/8"

WASHER, LOCK, 3/8"

3шт.

2

389577R1

PISTON ASSY.

PISTON, draft control

1шт.

3

389579R1

BACK-UP RING

WASHER, piston o-ring back-up

1шт.

4

389578R1

O-RING,3.35" ID x 0.21" Width

3-3/8 x 3-3/4 x 3/16, draft control piston

1шт.

5

CYLINDER, draft control, Order cylinder assy, 389576R11

1шт.

6

NLS

NO LONGER SERVICED

PIN, 1/2 x 1 dowel

1шт.

7

389580R91

VALVE

ASSY, relief

1шт.

8

392951R1

ELBOW

relief valve

1шт.

9

352221R1

O-RING,0.103" Thk x 0.549" ID, -113, Cl 5, 75 Duro

9/16 x 3/4 x 3/32, valve to cylinder

1шт.

10

389583R95

LOCK VALVE

VALVE ASSY, draft control

1шт.

11

390083R1

SCREW,5/8" - 18, W/ Nylon Pellet

poppet retaining

1шт.

12

389587R3

CHECK VALVE

VALVE, check poppet

1шт.

13

389593R1

TUBE

PIPE, action control valve

1шт.

14

376757R1

YOKE

ACTUATOR, main valve

1шт.

15

378101R1

SET SCREW,Hex Soc, #8-36 x 1/4"

SCREW, drop valve adjusting

1шт.

16

303322R1

SNAP RING,1.00", Int, #100

Main valve 1.00", Int, #100

1шт.

17

376759R1

RETAINER

main valve spring

1шт.

18

395005R2

SPRING

main valve

1шт.

19

376756R11

DISTRIBUTOR

TUBE W/NUT, 114493, main valve actuator

1шт.

114493

JAM NUT,Jam, 5/16"-24, G5

1шт.

20

376771R1

RING, SNAP

RING, main valve tube retaining

1шт.

21

376763R1

ROD

drop valve actuating

1шт.

22

406183R1

O-RING,0.07" Thk x 0.301" ID, -11, 80 Duro

5/16 x 7/16 x 1/16, S treated, pilot valve seat

1шт.

23

392041R2

VALVE

drop pilot valve

1шт.

24

376767R1

BACK-UP RING,9.91mm ID x 12.5mm OD x 1.32mm Thk

drop poppet inner o-ring back-up

2шт.

25

406182R1

O-RING,1.78mm Thk x 9.25mm ID, 80 Duro

RING, 3/8 x 1/2 x 1/16, S treated, drop poppet valve inner

1шт.

26

376766R1

VALVE POPPET

VALVE, drop poppet

1шт.

376753R1

SEAT, drop valve

1шт.

27

406184R1

O-RING,0.139" Thk x 0.984" ID, -214, 70 Duro

1 x 1-1/4 x 1/8, S treated, drop poppet valve outer

1шт.

28

17006R1

BALL

3/16 dia. cr-stl, pilot valve

1шт.

29

376765R1

SPRING

pilot valve

1шт.

30

376768R1

SPRING

drop poppet valve

1шт.

31

391733R1

O-RING,0.07" Thk x 1.114" ID, -24, Cl 6, 90 Duro

1-1/8 x 1-1/4 x 1/16, drop valve plug

1шт.

32

376770R1

PLUG

drop valve

1шт.

33

58102R1

SNAP RING,1.312", Int, #131

Drop valve 1.312", Int, #131

1шт.

34

228275R1

SNAP RING,1.188", Int, #118

Ring, Snap, , unloading valve plug 1.188", Int, #118

1шт.

35

375954R1

RETAINER

PLUG, unloading valve piston

1шт.

36

362796R1

O-RING,0.924" ID x 0.103" Width

15/16 x 1-1/8 x 3/32, unloading valve plug

1шт.

37

406181R1

O-RING,21.82mm ID x 3.53mm Width

7/8 x 1-1/8 x 1/8, S treated, unloading valve piston

1шт.

38

376762R11

PISTON ASSY.

PISTON ASSY, unloading valve

1шт.

39

380688R1

SEAT

unloading valve

1шт.

40

17015R1

BALL,15/32" Dia

15/32 dia cr-stl, unloading valve

1шт.

41

378808R1

SHIM

RIDER, unloading valve ball

1шт.

42

381718R1

SPRING

unloading valve ball rider

1шт.

43

375940R1

PIN, linkage pivot

1шт.

44

382997R1

O-RING,0.07" Thk x 0.489" ID, -14, Cl 6, 90 Duro

1/2 x 5/8 x 1/16, drop control valve

1шт.

45

PLUG ASSY, spring retainer, not serviced separately, Order valve assy, 389589R91

1шт.

46

389589R91

LOCK VALVE

VALVE ASSY, action control

1шт.

NLS

NO LONGER SERVICED

1/4-20 x 1-1/2 hex-soc-hd cap

2шт.

47

O-RING, 1/4 x 3/8 x 1/16, spring retaining plug, not serviced separately, Order valve assy, 389589R91

1шт.

48

SPRING, action control, not serviced separately, Order valve assy, 389589R91

1шт.

49

PISTON, action control valve, not serviced separately, Order valve assy, 389589R91

1шт.

50

392320R1

SNAP RING,#31, Ext, E-Type

Ring, Retaining, , variable orifice spool #31, Ext, E-Type

1шт.

51

BODY, action control valve, not serviced separately order valve assy, 389589R91

1шт.

52

SPOOL, variable orifice, not serviced separately order valve assy, 389589R91

1шт.

53

375962R1

SPRING

spool return

1шт.

54

222-502

TUBE NUT,7/16"-24

NUT, 7/16-24 hi-duty tube fitting

2шт.

404811R92

STRIPPER PACKAGE

PACKAGE, draft control o-ring service, Consists of

1шт.

362796R1

O-RING,0.924" ID x 0.103" Width

1шт.

382997R1

O-RING,0.07" Thk x 0.489" ID, -14, Cl 6, 90 Duro

1шт.

389578R1

O-RING,3.35" ID x 0.21" Width

1шт.

391733R1

O-RING,0.07" Thk x 1.114" ID, -24, Cl 6, 90 Duro

1шт.

406181R1

O-RING,21.82mm ID x 3.53mm Width

1шт.

406182R1

O-RING,1.78mm Thk x 9.25mm ID, 80 Duro

1шт.

406183R1

O-RING,0.07" Thk x 0.301" ID, -11, 80 Duro

1шт.

406184R1

O-RING,0.139" Thk x 0.984" ID, -214, 70 Duro

1шт.

389579R1

BACK-UP RING

WASHER

1шт.

Выбрано товаров: 70