Запчасти Case IH 674 (09-17) - THREE POSITION DRAWBAR (12) - FRAME

Схема запчастей Case IH 674 - (09-17) - THREE POSITION DRAWBAR (12) - FRAME
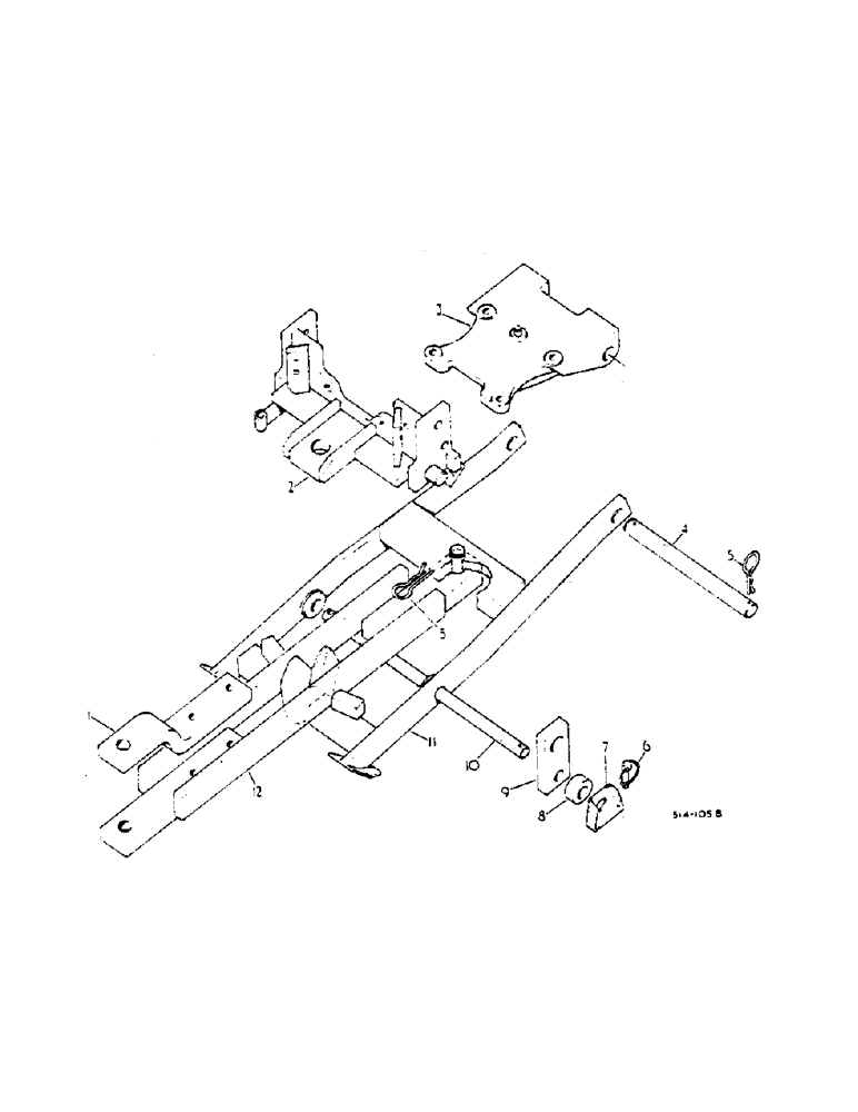
6
2
10
3
9
8
5
5
4
1
12
11
7
FIT
1:1
100%

Артикул

Название

Примечание

Количество

ATTACHMENT, three position drawbar, for tractors not equipped with automatic hitch

1шт.

1

3064333R1

DRAWBAR CLAMP

CLEVIS

1шт.

413-1044

BOLT,Hex, 5/8" - 11 x 2-3/4", Gr 5

2-3/4 X 5/8 unc hex hd cap

2шт.

102639

NUT,5/8"-11, G5

2шт.

674/102132 up including 101711.

1шт.

1

3064333R1

DRAWBAR CLAMP

CLEVIS

1шт.

413-1060

BOLT,Hex, 5/8" - 11 x 3-3/4", Gr 5

SCREW, hex hd cap 5/8-11 X 3-3/4

2шт.

102639

NUT,5/8"-11, G5

, Serial Range: -102131

2шт.

2

533881R2

SUPPORT

ASSY, drawbar

1шт.

413-1024

BOLT,Hex, 5/8" - 11 x 1-1/2", Gr 5

hex hd cap 5/8-11 X 1-1/2

6шт.

3

533865R1

SUPPORT

SPARE PART ASSY, drawbar pivot

1шт.

179886

BOLT,Hex, 1/2" - 13 x 1 5/8", Gr 5

hex hd cap 1/2-13 X 1-5/8

2шт.

179891

SHAFT

hex hd cap 1/2-13 X 2-1/2

2шт.

103323

LOCK WASHER,1/2"

4шт.

4

529541R1

SHAFT

SHAFT, drawbar pivot support cross

1шт.

5

700387R1

CLIP, SPRING

drawbar pivot cross shaft

3шт.

6

704212R91

COTTER PIN

ASSY, implement

2шт.

7

404787R1

SHIELD

lynch pin

2шт.

Q123

WASHER

1-1/32 X 2-1/2 X 16 gaplain

2шт.

8

3111986R1

SPACER

drawbar frame support

2шт.

9

3111985R1

SUPPORT

BAR, drawbar frame support

2шт.

10

533908R1

SHAFT

lift rod cross

1шт.

11

533884R2

SPARE PART

HOOK ASSY, trailer, Serial Range: -102131

1шт.

Order hook assy 3116495R1 with hitch assy 3116498R1 and 1 cotter pin 700387R1.

1шт.

11

3116495R1

HOOK

ASSY

1шт.

674/102132 up including 101711.

1шт.

12

533915R1

SPARE PART

HITCH ASSY, Serial Range: -102131

1шт.

Order hook assy 3116495R1 with hitch assy 3116498R1 and 1 cotter pin 700387R1.

1шт.

12

3116498R1

BAR

HITCH ASSY

1шт.

674/102132 up including 101711.

1шт.

3064334R1

ARM

SPARE PART drawbar clevis, not illustrated, Serial Range: -102131

1шт.

Выбрано товаров: 31