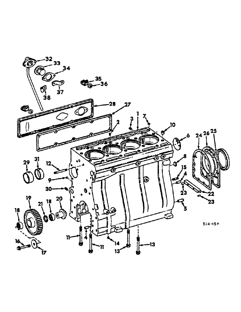
Запчасти Case IH 674 (12-24) - CRANKCASE AND RELATED PARTS Power

Схема запчастей Case IH 674 - (12-24) - CRANKCASE AND RELATED PARTS Power
14
9
31
27
12
36
13
25
34
16
23
18
30
29
1
3
15
21
11
33
28
4
24
8
37
19
20
2
6
23
38
13
18
5
22
7
11
35
32
26
17
10
FIT
1:1
100%

Артикул

Название

Примечание

Количество

1

3136316R12

CRANKCASE

ASSY, consists of

1шт.

CRANKCASE

1шт.

103833

PLUG

3шт.

3144520R91

PLUG

4шт.

141242

DOWEL

PIN

4шт.

141284

PIN,25.4mm OD x 31.75mm L

2шт.

41-3044

PLUG,Exp, 2 3/4"

1шт.

933536R1

PLUG,M10, Conical

COVER

1шт.

933537R1

PLUG,M25, Conical

COVER

2шт.

3136004R1

COVER

1шт.

3136320R3

BOLT,9/16" - 12 x 105.70mm, 12.9

SCREW

10шт.

3055989R1

STUD

1шт.

3055173R1

PLUG

1шт.

3055270R1

STUD

2шт.

3055008R1

CAMSHAFT BEARING

BEARING

1шт.

3055009R1

BEARING LINER

4шт.

2

103883

PIPE PLUG,Slotted, Headless, 1/8" NPT

3шт.

3

3144520R91

PLUG, slotted headless pipe

3шт.

4

NLS

NO LONGER SERVICED

PIN

4шт.

5

141284

PIN,25.4mm OD x 31.75mm L

2шт.

6

41-3044

PLUG,Exp, 2 3/4"

expansion

1шт.

7

3136004R1

COVER

closing

1шт.

8

933537R1

PLUG,M25, Conical

COVER, closing

2шт.

9

3136004R1

COVER

closing

1шт.

10

3055007R1

BUSHING

dowel

2шт.

11

3055666R1

BOLT,Crankshaft Bearing 9/16" - 12 x 4 3/4"

SCREW, crankshaft bearing cap

8шт.

12

3055989R1

STUD

front

1шт.

13

3136320R3

BOLT,9/16" - 12 x 105.70mm, 12.9

SCREW, crankshaft bearing cap

2шт.

14

3055173R1

PLUG

1шт.

15

3055270R1

STUD

rear

1шт.

16

3055374R2

BOLT

idler gear carrier

1шт.

17

3055372R1

DISC

RING, anti-wear idler gear

1шт.

18

3058816R91

NEEDLE BEARING CAGE,35mm ID x 42mm OD x 17.8mm W

RETAINER

2шт.

18

3136515R91

BEARING

RETAINER, needle, optional

1шт.

19

3055043R3

PINION

GEAR, idler

1шт.

20

3055373R1

CARRIER

idler gear

1шт.

21

787656R1

SPACER,35.5mm ID x 41mm OD x 4mm L

RING, distance

1шт.

22

3055214R1

SUPPORT

crankcase sealing

1шт.

23

714868R1

SEALING STRIP

sealing

2шт.

24

3055215R1

GASKET

crankshaft seal retainer

1шт.

25

3138701R1

SEAL

1шт.

26

3055216R1

RETAINER

1шт.

179816

BOLT,Hex, 5/16" - 18 x 3/4", Gr 5

8шт.

9635082

NUT,5/16" - 18, Gr 5

1шт.

933570R1

WASHER

DISC, spring

9шт.

27

3055393R2

GASKET

side cover

1шт.

27

3136173R1

GASKET

side cover, optional

1шт.

28

3055315R21

COVER

ASSY, crankcase side- hydrostatic C.A.V., Start Serial: 340000

1шт.

28

3055315R21

COVER

ASSY, crankcase side- synchromesh C.A.V., Start Serial: 290000

1шт.

28

3055314R11

COVER ASSY

crankcase side, Bosch injection

1шт.

13-510

BOLT,Hex, 5/16" - 18 x 5/8", Gr 5, Full Thd

10шт.

103320

LOCK WASHER,5/16"

10шт.

3055574R1

WASHER,8.5mm ID x 19mm OD x 2.5mm Thk

.335 X .748 X .098

10шт.

29

3055008R1

CAMSHAFT BEARING

BEARING, camshaft front

1шт.

30

3144520R1

PLUG

1шт.

31

3055009R1

BEARING LINER

camshaft

4шт.

32

3144020R91

BREATHER ASSY.

crankcase

1шт.

179816

BOLT,Hex, 5/16" - 18 x 3/4", Gr 5

2шт.

933625R1

LOCK WASHER

RING, packing

2шт.

33

3055324R91

ELEMENT

ASSY, breather

1шт.

34

3055359R1

GASKET

breather

1шт.

35

- NOT USED -

1шт.

36

- NOT USED -

1шт.

37

3144022R1

BRACKET

LINK, fixing

1шт.

179900

BOLT,Hex, 9/16" - 12 x 3/4", Gr 5

9/16-12 X 3/4 hex hd cap

1шт.

103324

LOCK WASHER,9/16"

1шт.

38

3144023R1

CLAMP

1шт.

179816

BOLT,Hex, 5/16" - 18 x 3/4", Gr 5

1шт.

103320

LOCK WASHER,5/16"

1шт.

9635082

NUT,5/16" - 18, Gr 5

1шт.

3144434R91

CRANKSHAFT BEARING

PACKAGE, rear main bearing cap, not illustrated, consists of

1шт.

3144435R1

CAP

not illustrated

1шт.

3136320R3

BOLT,9/16" - 12 x 105.70mm, 12.9

instruction pamphlet, not illustrated

2шт.

3144440R91

BEARING ASSY

PACKAGE, bearing cap, not illustrated, consists of

1шт.

3144441R1

CAP

not illustrated

1шт.

3136320R3

BOLT,9/16" - 12 x 105.70mm, 12.9

instruction pamplet, not illustrated

2шт.

Выбрано товаров: 76