Запчасти Case IH 674 (13-07) - SUPERSTRUCTURE, SUSPENSION SEAT (05) - SUPERSTRUCTURE

Схема запчастей Case IH 674 - (13-07) - SUPERSTRUCTURE, SUSPENSION SEAT (05) - SUPERSTRUCTURE
17
16
30
32
25
28
7
18
22
18
16
24
13
6
9
2
3
22
10
8
16
19
14
26
27
21
22
15
29
21
5
20
23
1
18
12
22
11
31
20
4
32
FIT
1:1
100%

Артикул

Название

Примечание

Количество

528738R91

SEAT ASSY.

SEAT ASSY, deluxe suspension

1шт.

22060R1

WASHER, 5/16 znd int-tooth lock

4шт.

160688

SCREW,Cross Pan Hd, 5/16" - 18 x 3/4"

4шт.

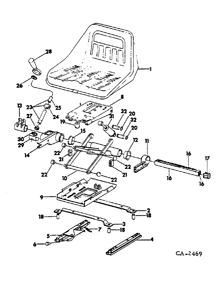
1

538528R1

SEAT

ASSY, pan

1шт.

(P/N 538528R1) - 8" x 4 3/4" belt pattern

1шт.

120393

BEARING WASHER,5/16", SAE

WASHER, 11/32 x 11/16 x .051 C-Z

4шт.

80681

LOCK WASHER,5/16"

WASHER, LOCK, 5/16"

4шт.

160688

SCREW,Cross Pan Hd, 5/16" - 18 x 3/4"

4шт.

2

538529R1

BRACKET

rear

1шт.

3

538550R1

BRACKET

front

1шт.

160688

SCREW,Cross Pan Hd, 5/16" - 18 x 3/4"

4шт.

80681

LOCK WASHER,5/16"

WASHER, LOCK, 5/16"

4шт.

120376

NUT,5/16"-18, G5

4шт.

4

825198C1

RAIL

slide LH

1шт.

5

825199C91

SLIDE

RAIL, slide RH

1шт.

6

538693R1

BUTTON

KNOB

1шт.

7

538694R1

SPRING

1шт.

160688

SCREW,Cross Pan Hd, 5/16" - 18 x 3/4"

4шт.

80681

LOCK WASHER,5/16"

WASHER, LOCK, 5/16"

4шт.

8

538551R1

SEAT PLATE

PLATE ASSY, top

1шт.

538552R1

NUT

SERT

4шт.

180018

CONNECTING LINK

SCREW, 1/4-20 x 5/8 znd hex-hd cap

2шт.

492-11025

LOCK WASHER,1/4"

WASHER, LOCK, 1/4"

2шт.

156241

SCREW,Cross Flat Hd, 1/4" - 20 x 1/2"

2шт.

9

538553R1

BASE

PLATE ASSY, base

1шт.

10

538554R1

LEVER ASSY.

LEVER ASSY

1шт.

11

538555R91

BRACKET

BEARING ASSY, Includes: Ref. 12

1шт.

120393

BEARING WASHER,5/16", SAE

WASHER, 11/32 x 11/16 x .051 C-Z

2шт.

88574

BOLT,Hex, 5/16" - 18 x 1/2", Gr 5, Full Thd

2шт.

12

538556R1

FLANGED BEARING

BEARING, flanged

1шт.

13

538557R1

ADJUSTER

1шт.

14

538558R91

SHROUD

LH, Includes: Ref. 15

1шт.

15

538556R1

FLANGED BEARING

BEARING, flanged

1шт.

120393

BEARING WASHER,5/16", SAE

WASHER, 11/32 x 11/16 x .051 C-Z

2шт.

88574

BOLT,Hex, 5/16" - 18 x 1/2", Gr 5, Full Thd

2шт.

16

3074836R1

BAR

torsion

3шт.

17

538560R1

RETAINER

1шт.

18

(Not used this application)

1шт.

19

3109R1

BUMPER

1шт.

132559

SCREW, 1/4-20 x 5/8 cr-rec-fil-hd mach

1шт.

32590D

WASHER

.266 x .422 x .032 C-Z

2шт.

20

110668R1

CIRCLIP,#37, .300" Dia, E-Type

Ring, Retaining, #37, .300" Dia, E-Type

2шт.

538579R1

PIN, ROLL

2шт.

21

538564R1

STOP

limit

2шт.

538565R1

WASHER

6шт.

22

538566R1

ROLLER

4шт.

23

538567R91

STUD

ASSY, adjuster, Includes: Ref. 24 and 25

1шт.

24

538568R1

TRUNNION

adjuster

1шт.

25

538569R1

SLEEVE

1шт.

26

538570R1

GEAR

adjuster

1шт.

27

538571R1

COLLAR

1шт.

538572R1

PIN, ROLL

1шт.

28

538573R1

HANDLE

ASSY, ratchet

1шт.

20893R1

WASHER

11/32 x 1 x 11 ga C-Z

1шт.

80681

LOCK WASHER,5/16"

WASHER, LOCK, 5/16"

1шт.

180077

BOLT,Hex, 5/16" - 18 x 3/4", Gr 5

SCREW, 5/16-18 x 3/4 znd hex-hd cap

1шт.

29

538574R1

SPACER

ROCKER

1шт.

30

538575R91

BEARING, NEEDLE

BEARING

1шт.

538576R1

THRUST WASHER

2шт.

31

538577R1

DAMPER

ASSY

1шт.

32

538578R1

PIN

damper

2шт.

538695R1

PLUG

push-in

1шт.

Выбрано товаров: 62