Запчасти Case IH 684 (10-01) - HYDRAULICS, HYDRAULIC POWER SUPPLY AND MULTIPLE CONTROL VALVE (07) - HYDRAULICS

Схема запчастей Case IH 684 - (10-01) - HYDRAULICS, HYDRAULIC POWER SUPPLY AND MULTIPLE CONTROL VALVE (07) - HYDRAULICS
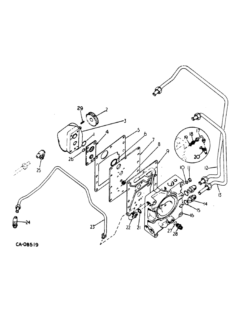
22
2
12
24
27
21
25
26
14
11
19
1
29
8
16
15
7
6
28
4
20
18
3
17
9
10
5
13
23
FIT
1:1
100%

Артикул

Название

Примечание

Количество

1

372821R1

O-RING,0.103" Thk x 1.049" ID, -121, Cl 5, 75 Duro

1-1/16 x 1-1/4 x 3/32, pump suction port

1шт.

2

59369C1

GEAR

hyd. pump driven 23T, for 15 gpm pump on 684 tractor

1шт.

2

544908R1

GEAR

hyd. pump driven 21T, for 15 gpm pump on hydro 84

1шт.

2

406764R1

PINION

GEAR, hyd. pump driven 27T, for 12 gpm pumps

1шт.

19258R1

LOCK NUT,1/2"-20, GB

NUT, 1/2-NF P/T lock type 5

1шт.

2

110523C1

GEAR

hydraulic pump driven 23T, 17 gpm pump

1шт.

18536R1

LOCK NUT,5/8"-18, G5

NUT, 5/8-NF P/T lock type 5

1шт.

3

66513C92

PUMP, HYDRAULIC

PUMP ASSY, hyd. gear, 15 gpm, Plessey, tractors w/IPTO, only serviceable item is

1шт.

1502030C1

SEAL KIT

PACKAGE, seal service kit, replaces 70230C1, consists of 2 rings, 1 seal, 1 back-up ring, 1 instructions, NSS, 1

1шт.

179830

2шт.

186271

SCREW,Hex, 5/16" - 18 x 3 3/4", Gr 5

BOLT, Hex, 5/16"-18 x 3 3/4", G5

2шт.

3

128180C91

PUMP, HYDRAULIC

PUMP ASSY, hyd. gear, 12 gpm, Cessna, optional w/406763R92, only serviceable item is

1шт.

3

84573150R

REMAN-HYD PUMP

684 200900LAK, HYDRO 84 17 gpm, Both INTERNATIONAL DIESEL TRACTOR (NORTH AMERICA) ASSY, HYD GEAR, 200900LAK, CESSNA (1/77-12/81), Reman for New PN 128180C91

1шт.

3

84573150C

CORE-HYDRAULIC PUMP

Return Number

1шт.

73234C91

PACKAGE,SERVICE

KIT, o-ring & gasket service, consists of 1 spring, 1 steel ball, 2 gaskets, 1 diaphram, 2 seal

1шт.

179829

BOLT,Hex, 5/16" - 18 x 2 3/4", Gr 5

2шт.

186270

BOLT,Hex, 5/16" - 18 x 3 1/2", Gr 5

2шт.

382331R1

SEALING WASHER,8.33mm ID x 12.7mm OD x 0.79mm Thk

pump mounting bolt

1шт.

3

406763R92

HYDRAULIC PUMP

PUMP ASSY, hyd. gear, 12 gpm, Plessey, optional w/128180C91, only serviceable item is

1шт.

3

84573150R

REMAN-HYD PUMP

684, HYDRO 84, Both INTERNATIONAL DIESEL TRACTOR (NORTH AMERICA), PUMP ASSY, hyd gear, 12 gpm, Plessey (1/77-12/81), Reman for New PN 406763R92

1шт.

3

84573150C

CORE-HYDRAULIC PUMP

Return Number

1шт.

1502030C1

SEAL KIT

PACKAGE, seal service kit, replaces 534262R1, consists of 2 rings, 1 seal, 1 back-up ring, 1 instructions, NSS

1шт.

3

110509C91

PUMP

ASSY, hyd. gear, 17 gpm, Cessna

1шт.

3

84573150R

REMAN-HYD PUMP

684, HYDRO 84, Both INTERNATIONAL DIESEL TRACTOR (NORTH AMERICA), ASSY, hyd gear, 17 gpm, Cessna (1/77-12/81), Reman for New PN 110509C91

1шт.

3

84573150C

CORE-HYDRAULIC PUMP

Return Number

1шт.

124546

WOODRUFF KEY,#6, 5/32" x 5/8", HT

1шт.

179829

BOLT,Hex, 5/16" - 18 x 2 3/4", Gr 5

2шт.

186270

BOLT,Hex, 5/16" - 18 x 3 1/2", Gr 5

2шт.

382331R1

SEALING WASHER,8.33mm ID x 12.7mm OD x 0.79mm Thk

pump mounting bolt

4шт.

4

59370C1

LARGE PLATE

PLATE, pump mounting, for use w/pump, 66513C92

1шт.

5

401736R3

GASKET

multiple control valve HV

1шт.

6

707253R1

O-RING,-222, 70 Duro, 1.484" ID x .139" Thk

1-1/2 x 1-3/4 x 1/8 inlet port

1шт.

7

405458R2

LARGE PLATE

PLATE, multiple control valve

1шт.

8

387926R2

RING

rectangular

1шт.

9

65000C3

GASKET

multiple control valve body

1шт.

10

369751R1

O-RING,0.072" Thk x 0.351" ID, -904, Cl 6, 90 Duro

4-1, 90 Duro, .351" ID x .072" Thk, 1/4 OD tube

1шт.

11

9410356

PLUG

1/4 C-Z str thd o-ring boss

1шт.

12

66761C1

TUBE ASSY.

TUBE ASSY, draft control return

1шт.

13

66764C1

PIPE

TUBE ASSY, multiple control valve by-pass

1шт.

For hydro machines, use 2725954R1. For non-hydro machines, use 2725960R1. For the one with a side fitting, order 1289958C1.

1шт.

14

9410204

HYD CONNECTOR,7/8"-14, 37 Degree x 7/8"-14, O-Ring

CONNECTOR, 5/8 C-Z hyd fld short swivel

2шт.

15

364885R1

O-RING,0.097" Thk x 0.755" ID, -910, Cl 6, 90 Duro

5/8 OD tube

2шт.

16

57714C95

VALVE

ASSY, multiple control, for components see list of parts under details of multiple control valve

1шт.

280161

BOLT,Hex, 3/8" - 16 x 3", Gr 5

9шт.

186284

BOLT,Hex, 3/8" - 16 x 3 3/4", Gr 5

3.8 x 3-3/4 pln type

5шт.

103321

LOCK WASHER,3/8"

WASHER, LOCK, 3/8"

10шт.

17

539835R1

TUBE ASSY.

TUBE ASSY, IPTO pressure, tractors w/IPTO

1шт.

18

9410200

HYD CONNECTOR,7/16" - 20 JIC x 7/16" - 20 ORB

CONNECTOR, 1/4 C-Z hyd fld short swivel, tractos w/IPTO

1шт.

19

369751R1

O-RING,0.072" Thk x 0.351" ID, -904, Cl 6, 90 Duro

4-1, 90 Duro, .351" ID x .072" Thk, 1/4 OD tube, Tractors with IPTO

1шт.

20

9411115

TEE,7/16"-20, 37 Degree x 7/8"-14, O-Ring Br

1/4 C-Z hyd. fld tube adj, tractors w/IPTO

1шт.

9403369

CAP,37 Degree, 7/16"-20

1/4 hyd flared tube

1шт.

21

570828R1

O-RING,0.087" Thk x 0.644" ID, -908, Cl 6, 90 Duro

1/2 OD tube

1шт.

22

9410977

ELBOW,90 Degree, 3/4"-16, 37 Degree x 3/4"-16, O-Ring

1/2 C-Z hyd fld adj 90D

1шт.

23

529617R3

TUBE

ASSY, mcv dump, hydro 84 tractors only

1шт.

24

1500561C1

ELBOW

mcv pump, hydro 84 tractors only

1шт.

570828R1

O-RING,0.087" Thk x 0.644" ID, -908, Cl 6, 90 Duro

1/2 OD tube class 6

1шт.

25

534773R2

ELBOW

1шт.

570828R1

O-RING,0.087" Thk x 0.644" ID, -908, Cl 6, 90 Duro

1/2 OD tube class 6

1шт.

26

21433R1

O-RING,0.103" Thk x 0.674" ID, -115, Cl 6, 90 Duro

11/16 x 7/8 x 3/32, pump pressure port, cessna pump

1шт.

26

350667R1

O-RING,0.103" Thk x 0.674" ID, -115, Cl 5, 75 Duro

11/16 x 7/8 x class 5, pump pressure port, plessey pumps

1шт.

27

364839R1

O-RING,0.078" Thk x 0.468" ID, -906, Cl 6, 90 Duro

6-1, 90 Duro, .468" ID x .078" Thk, 3/8 OD tube, class 6

1шт.

28

57577C1

CHECK VALVE

VALVE, check

1шт.

29

124546

WOODRUFF KEY,#6, 5/32" x 5/8", HT

1шт.

69355C1

SEAL

hyd pump, for pump 66513C92

1шт.

69352C1

SEAL

hyd pump, for pump 406763R92

1шт.

3123364R1

SEAL

hyd pump, for pump 12818C91

1шт.

69354C1

SEAL

hyd pump, for pump 110523C1 on 684 tractors only

1шт.

69351C1

GLUE

ADHESIVE, tube

1шт.

537517R1

WASHER

pump identification

1шт.

Выбрано товаров: 0