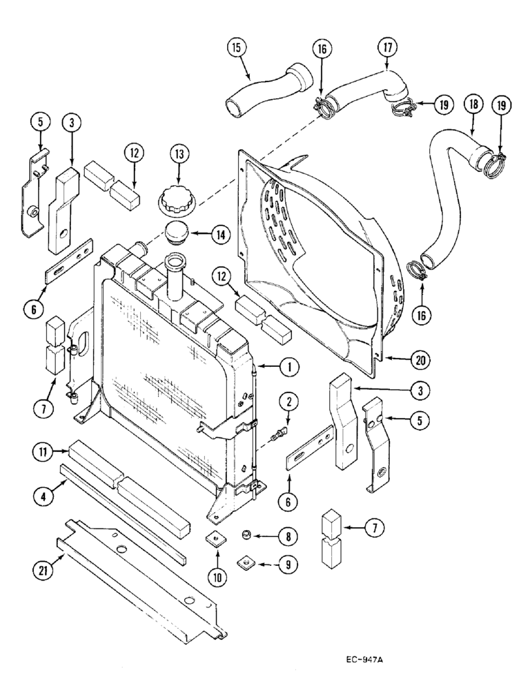
Запчасти Case IH 685 (2-002) - RADIATOR AND CONNECTIONS (02) - ENGINE

Схема запчастей Case IH 685 - (2-002) - RADIATOR AND CONNECTIONS (02) - ENGINE
17
11
15
5
12
14
7
21
20
5
1
18
10
3
16
9
19
6
6
13
2
8
7
12
4
3
16
19
FIT
1:1
100%

Артикул

Название

Примечание

Количество

1

84524C93

RADIATOR

1шт.

1

1970646C1

RADIATOR

Model 685 S/N 22746 and, Start Serial: up

1шт.

Version with 4 wheel drive

1шт.

180124

BOLT,Hex, 3/8" - 16 x 1 1/4", Gr 5

2шт.

120382

LOCK WASHER,Helical Spring, 3/8"

4шт.

120377

NUT,3/8" - 16, Gr 5

2шт.

2

3113083R1

PLUG, DRAIN

VALVE

1шт.

3

98934

BRACKET

STRIP filling, bulk length

2шт.

3

1970626C1

SEAL

STRIP filling, model 685 S/N 22746 and, Start Serial: up

2шт.

Version with 4 wheel drive

1шт.

4

73217C1

FILLING STRIP

STRIP filling, bulk length,1220 mm

2шт.

5

98907C1

GUARD

SHIELD

2шт.

5

1333038C1

GUARD

COVER, model 685 S/N 22746 and, Start Serial: up

1шт.

Version with 4 wheel drive

1шт.

413-412

BOLT,Hex, 1/4" - 20 x 3/4", Gr 5

2шт.

95-11028

WASHER,1/4"

2шт.

6

94313C1

STRAP

SUPPORT

2шт.

120394

WASHER,3/8", SAE

2шт.

9411655

LOCK NUT,3/8"-16, GB

Model 685 to Up to S/N 20909

2шт.

9411655

LOCK NUT,3/8"-16, GB

Model 885 to Up to S/N 20393

2шт.

6

99996C2

STRAP

SUPPORT

1шт.

30175R1

WASHER,M8 x 17.5 x 2, HT

2шт.

30382R1

NUT,M8 x 1.25, Cl 10

Model 685 S/N 20910 and, Start Serial: up

2шт.

30382R1

NUT,M8 x 1.25, Cl 10

Model 885 S/N 20394 and, Start Serial: up

2шт.

7

73217C1

FILLING STRIP

bulk length, 1220 mm

2шт.

8

99427C1

SPACER

BUSHING

4шт.

95-11041

WASHER,3/8"

4шт.

9

84525C1

SPACER

2шт.

10

47240D

PAD

4шт.

11

537162R1

FILLING STRIP

1шт.

12

73217C1

FILLING STRIP

bulk length, 1220 mm

2шт.

13

532674R1

PLUG

COVER

1шт.

14

1500626C91

PLUG

CAP ASSEMBLY, with Ref. 13

1шт.

15

not used

2шт.

16

705935R91

HOSE CLAMP

2шт.

16

39149H

HOSE CLAMP

1шт.

17

402207R1

LARGE HOSE,50.80 mm ID x 179.83 mm, SAE 20R2

HOSE,LARGE Inlet

1шт.

17

402207R1GV

RADIATOR HOSE

Value, Radiator Hose

1шт.

18

402205R1

LARGE HOSE,50.80 mm ID x 213.90 mm, SAE 100R2

HOSE,LARGE Outlet

2шт.

18

402205R1GV

RADIATOR HOSE

Value, Radiator Hose

2шт.

19

706082R91

CLAMP

CLAMP hose

2шт.

19

39205H

CLAMP

CLAMP hose, optional

2шт.

20

527475R2

HOUSING

1шт.

179791

BOLT,Hex, 1/4" - 20 x 1/2", Gr 5

4шт.

95-11028

WASHER,1/4"

4шт.

21

98957C1

BAFFLE

1шт.

Выбрано товаров: 0