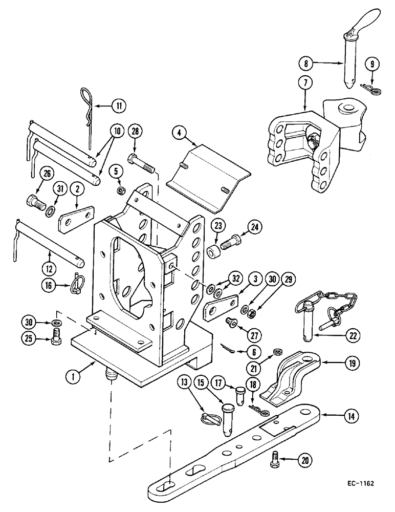
Запчасти Case IH 685 (9-822) - TRAILER HITCH - PITON FIXE, FOR FRANCE ONLY (09) - CHASSIS/ATTACHMENTS

Схема запчастей Case IH 685 - (9-822) - TRAILER HITCH - PITON FIXE, FOR FRANCE ONLY (09) - CHASSIS/ATTACHMENTS
17
5
24
12
23
28
7
10
15
25
11
9
6
8
32
13
1
19
16
20
31
22
3
2
29
21
30
30
26
18
14
4
27
FIT
1:1
100%

Артикул

Название

Примечание

Количество

82797C91

HITCH ASSY

Consists of: Ref. 1 - 22

1шт.

1

82798C1

FRAME

1шт.

2

89446C1

SUPPORT

BAR left

1шт.

3

89445C1

SUPPORT

BAR right

1шт.

4

89977C1

SUPPORT

1шт.

5

30168R1

NUT,M10, Cl 10

2шт.

6

30244R1

COTTER PIN,M6.3 x 32

2шт.

7

89447C1

SUPPORT

HITCH

1шт.

8

3221453R1

PIN

hitch

1шт.

9

3221454R1

SPLIT PIN/SAFETY PIN

CLIP spring

1шт.

10

82800C1

PIN

2шт.

11

3223673R1

LINCH PIN

1шт.

12

82801C1

PIN

1шт.

13

3221464R1

SPLIT PIN/SAFETY PIN

linch

1шт.

14

82806C1

BAR

DRAW

1шт.

15

3221466R1

AXLE PIN

1шт.

16

3221464R1

SPLIT PIN/SAFETY PIN

linch

1шт.

17

3221467R1

AXLE PIN

SPARE PART

1шт.

18

3221454R1

SPLIT PIN/SAFETY PIN

CLIP spring

1шт.

19

82807C1

GUIDE

YOKE

1шт.

20

280264

BOLT,Hex, M14 x 50mm, Cl 8.8

2шт.

21

905238R1

THIN NUT,M14 x 2, Thin

2шт.

22

3221469R1

HITCH PIN

1шт.

23

3134145R1

BUSHING

WASHER

4шт.

24

24876R1

BOLT,Hex, 5/8" - 11 x 2 1/4", Gr 8

4шт.

25

25509R1

BOLT,Hex, 5/8" - 11 x 1 5/8", Gr 8

BOLT

3шт.

26

25355R1

BOLT,Hex, 3/4" - 16 x 1 3/4", Gr 8

BOLT

1шт.

27

89664C1

HEX SOC SCREW,Csk, 3/4" - 16 x 26mm

1шт.

28

24878R1

BOLT,Hex, 5/8" - 11 x 2 3/4", Gr 8

2шт.

29

25528R1

NUT,5/8"-11, G8

2шт.

30

25547R1

WASHER,21/32" x 1 5/16" x .188", HDN

5шт.

31

25548R1

WASHER

1шт.

32

496-21066

WASHER,16.6mm ID x 33.5mm OD x 3.8mm Thk

1шт.

Выбрано товаров: 33