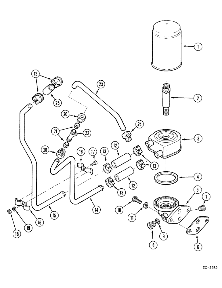
Запчасти Case IH 685 (2-052) - OIL COOLER, OIL FILTER AND PIPES, VERSION WITH "DONUT"-TYPE OIL COOLER (02) - ENGINE

Схема запчастей Case IH 685 - (2-052) - OIL COOLER, OIL FILTER AND PIPES, VERSION WITH "DONUT"-TYPE OIL COOLER (02) - ENGINE
12
15
20
11
22
10
14
18
21
3
5
6
7
12
17
24
19
13
4
20
16
16
13
13
9
25
8
1
23
13
2
FIT
1:1
100%

Артикул

Название

Примечание

Количество

1

1329020C1

FILTER, ENGINE OIL

FILTER, OIL

1шт.

2

1329060C1

CONNECTOR, ELEC

CONNECTOR ADAPTOR

1шт.

3

1329021C91

COOLER, OIL

1шт.

4

1329059C1

SEALING RING,76.9mm OD x 4.9mm Width

sealing

1шт.

5

3132209R2

PEDESTAL

BASE

1шт.

6

3055237R1

GASKET

1шт.

7

103883

PIPE PLUG,Slotted, Headless, 1/8" NPT

1шт.

8

3051784R1

PLUG

1шт.

9

933155R1

SEALING RING,M16 x 20 x 1.5

1шт.

10

NLS

NO LONGER SERVICED

1шт.

11

3144513R1

SPRING WASHER

1шт.

12

3136370R1

HOSE,16.00 mm ID x 65.00 mm

1шт.

13

3143364R1

CLAMP,19mm - 23mm

1шт.

14

1329004C1

PIPE

1шт.

15

1329006C1

PIPE,15mm Dia, 437, 136 mm L

1шт.

16

3218744R1

CLAMP

1шт.

17

87716

BOLT,1/4"-20 x 1-1/4", Cl 5

1шт.

18

109084

NUT,1/4"-20, G5

1шт.

19

103319

LOCK WASHER,1/4"

1шт.

20

3143333R1

TUBE NUT,Coupling, M22 x 1.5

1шт.

21

3143334R1

OLIVE

SLEEVE

1шт.

22

3401098R1

TEE,M15 Tube

TEE

1шт.

23

1329003C1

PIPE

1шт.

23

1329007C1

PIPE

without coolant filter

1шт.

24

222-507

TUBE NUT,7/8"-18

1шт.

25

3228045R1

HOSE

1шт.

Выбрано товаров: 26