Запчасти Case IH 685 (2-072) - OIL PUMP (02) - ENGINE

Схема запчастей Case IH 685 - (2-072) - OIL PUMP (02) - ENGINE
4
12
10
8
20
13
3
18
9
16
11
5
6
19
14
2
1
2
7
21
17
19
15
FIT
1:1
100%

Артикул

Название

Примечание

Количество

3136430R95

PUMP, ENGINE OIL

ASSEMBLY

1шт.

3050129R1

LOCK WASHER

WASHER lock, 5/16 inch

4шт.

21035R1

HEX SOC SCREW,5/16"-18 x 1"

4шт.

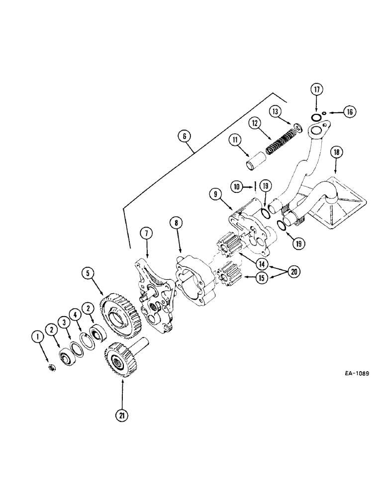
1

3228141R1

LOCK NUT

1шт.

2

3055294R91

TAPERED BEARING

2шт.

3

3055292R1

WASHER

WASHER

1шт.

4

933579R1

SNAP RING,M35, Int

1шт.

5

3055291R1

PINION

GEAR

1шт.

6

3136441R95

HOUSING ASSY.

CARRIER, Includes: Ref. 7 - 13

1шт.

932597R1

LOCK PIN,M10 x 14, Slotted

3шт.

7

NSS

NOT SOLD SEPARAT

CARRIER

1шт.

3055297R5

AXLE

AXLE

1шт.

8

NSS

NOT SOLD SEPARAT

CASE

1шт.

9

NSS

NOT SOLD SEPARAT

COVER

1шт.

13-536

BOLT,Hex, 5/16" - 18 x 2-1/4", Gr 5

4шт.

9635082

NUT,5/16" - 18, Gr 5

4шт.

3050129R1

LOCK WASHER

WASHER lock, 5/16 inch

4шт.

10

103387

COTTER PIN,1/8" x 1 1/2"

1шт.

11

3055202R2

VALVE

1шт.

12

3136264R1

SPRING

1шт.

13

3139620R1

SPRING WASHER

1шт.

14

NSS

NOT SOLD SEPARAT

GEAR idle, order P/N 3132503R91

1шт.

15

NSS

NOT SOLD SEPARAT

GEAR, order P/N 3132503R91

1шт.

16

717222R1

O-RING

1шт.

17

3228577R1

O-RING,3.1mm Thk x 24.5mm ID, Cl 7

1шт.

18

1806778C1

PIPE ASSY.

with screen

1шт.

24933R1

HEX SOC SCREW,7/16"-14 x 3 3/4"

1шт.

3218543R1

LOCK WASHER

1шт.

18

1806889C1

PIPE

with screen

1шт.

3144722R1

HEX SOC SCREW

1шт.

3218543R1

LOCK WASHER

1шт.

1806957C1

TUBE

1шт.

181086

BOLT,Hex, 5/16" - 18 x 3/4", Gr 5

1шт.

25533R1

WASHER

5/16 inch

1шт.

19

3228577R1

O-RING,3.1mm Thk x 24.5mm ID, Cl 7

2шт.

20

3132503R91

GEAR-SET

1шт.

20

3136450R91

GEAR-SET

1шт.

21

3136442R91

PINION

GEAR ASSEMBLY

1шт.

Выбрано товаров: 38