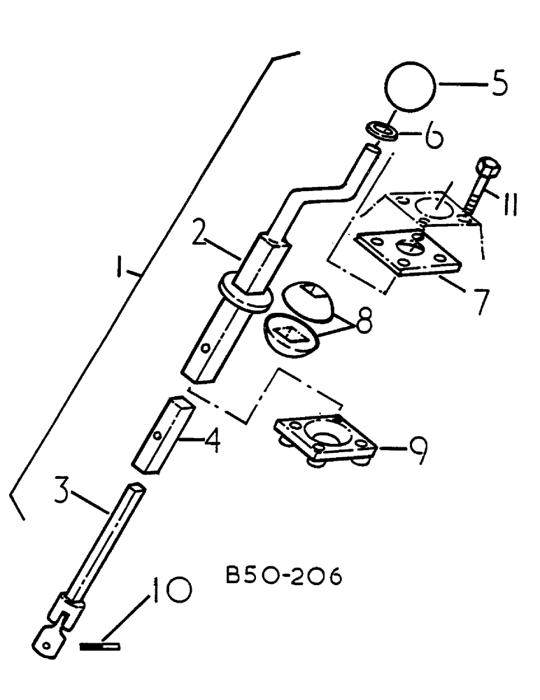
Запчасти Case IH 685 (09-006) - TELESCOPIC LIFT ARM, DE-LUXE CAB (12) - FRAME

Схема запчастей Case IH 685 - (09-006) - TELESCOPIC LIFT ARM, DE-LUXE CAB (12) - FRAME
7
5
3
1
2
9
10
8
11
4
6
FIT
1:1
100%

Артикул

Название

Примечание

Количество

1

3125540R91

CONTROL

SPARE PART TELESCOPIC LIFT ARM CPTE.

1шт.

2

3125541R1

CONTROL

SPARE PART LIFT UPPER

1шт.

3

3125542R1

CONTROL

LIFT LOWER

1шт.

4

3125543R1

SHELL

SLIDING

1шт.

5

3125544R1

KNOB

1шт.

6

3125545R1

RING

RETAINING

1шт.

7

3125518R1

SOCKET/RECEPTACLE

BALL UPPER

1шт.

8

3125546R1

BALL

2шт.

9

3125519R1

SOCKET/RECEPTACLE

BALL LOWER

1шт.

10

3125547R1

PIN

DOWEL

1шт.

11

3125548R1

SCREW

M5 X 16 SELF-TAP

4шт.

Выбрано товаров: 11