Запчасти Case IH 695 (1-14) - PICTORIAL INDEX, TRACTOR WITH CAB, OIL COOLER AND BRAKE TUBES (00) - PICTORIAL INDEX

Схема запчастей Case IH 695 - (1-14) - PICTORIAL INDEX, TRACTOR WITH CAB, OIL COOLER AND BRAKE TUBES (00) - PICTORIAL INDEX
22
7
18
21
11
3
2
17
15
14
9
8
20
16
13
9
10
19
12
1
6
1
4
5
FIT
1:1
100%

Артикул

Название

Примечание

Количество

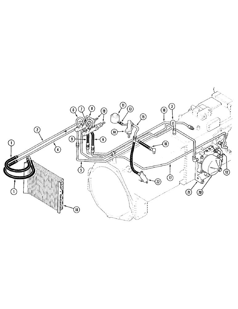
1

Oil Cooler Inlet and Outlet Hoses, Page 8-7

1шт.

2

Oil Cooler Front Return Tube, Page 8-7

1шт.

3

Oil Cooler Rear Return Tube, Page 8-7

1шт.

4

Oil cooler Front Supply Tube, Page 8-7

1шт.

5

Oil cooler Rear Supply Tube, Page 8-7

1шт.

6

Left Cylinder Outlet Tube, Page 7-9

1шт.

7

Right Cylinder Outlet Tube, Page 7-9

1шт.

8

Maste rCylinder Equalizer Tube, Page 7-9

1шт.

9

Brake High Pressure Hoses, Page 7-9

1шт.

10

Lubricaiton Hose, Page 8-7

1шт.

11

Clutch Oil Reservoir, Page 6-47

1шт.

12

Multiple Control Valve By-Pass Tube, Page 8-11

1шт.

13

Reservoir to Clutch Master cylinder Hose, Page 6-47

1шт.

14

Clutch Master cylinder, Pages 6-47, 51

1шт.

15

Clutch Master cylinder to Slave Cylinder Tube, Page 6-47

1шт.

16

Right Brake Tube, Page 7-9

1шт.

17

Left Brake Tube, Page 7-9

1шт.

18

Oil Cooler, Page 8-7

1шт.

19

Brake Master Cylinders, Pages 7-7, 9, 11

1шт.

20

Hydraulic Oil Filter, Page 8-3

1шт.

21

Multiple Control Valve, Pages 8-11, 13

1шт.

22

Clutch Slave Cylinder, Pages 6-49, 51

1шт.

Выбрано товаров: 22