Запчасти Case IH 695 (9-034) - CAB MOUNTINGS, FRONT, PRIOR TO P.I.N. JJE0013400 (09) - CHASSIS/ATTACHMENTS

Схема запчастей Case IH 695 - (9-034) - CAB MOUNTINGS, FRONT, PRIOR TO P.I.N. JJE0013400 (09) - CHASSIS/ATTACHMENTS
17
2
9
13
4
9
11
14
8
5
7
18
16
1
7
3
11
12
10
7
15
19
15
14
8
14
10
7
16
FIT
1:1
100%

Артикул

Название

Примечание

Количество

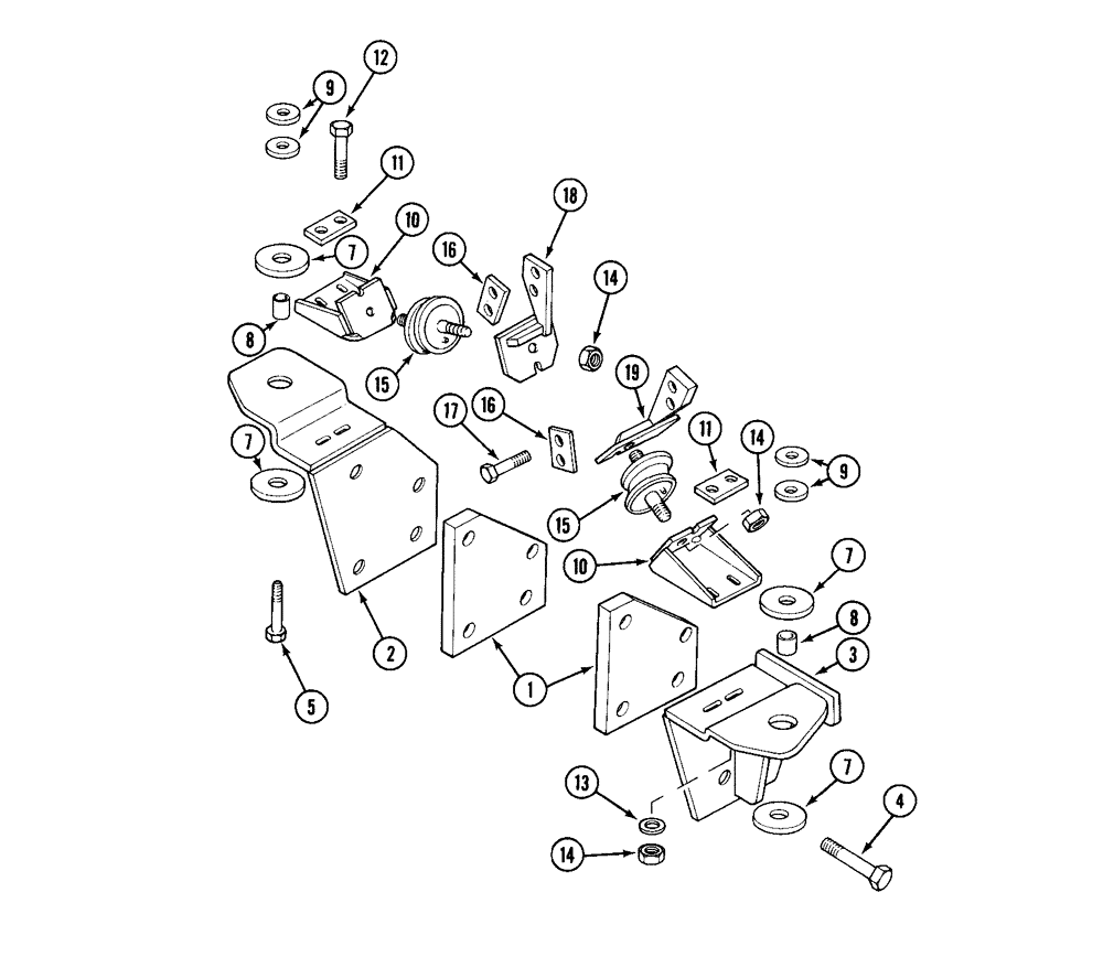
1

3129865R2

SPACER

- front mounting

2шт.

2

3129860R3

BRACKET

ASSEMBLY - front iso-mount, right

1шт.

3

3129859R3

SUPPORT

BRACKET ASSEMBLY - front iso-mount, left

1шт.

4

26-1240

BOLT,Hex, 3/4" - 10 x 2-1/2", Gr 8

- hex, 3/4 NC x 2-1/2 inch, grade 8

8шт.

5

1970963C1

BOLT,Hex, M12 x 75mm, Cl 10.9

BOLT - hex, 12 mm - 1.75 x 75 mm

2шт.

7

3399962R1

WASHER

DAMPER - front iso-mount

4шт.

8

3399956R3

SPACER

- front iso-mount (Order 3399952R2)

2шт.

9

3399953R3

WASHER

- spacer

1шт.

10

3399416R2

SUPPORT

- front iso-mount

2шт.

11

3399415R1

PLATE

- retaining

2шт.

12

813-12045

BOLT,Hex, M12 x 1.75 x 45mm, Cl 8.8

- hex, 12 - 1.75 x 45 mm

4шт.

13

896-11012

WASHER,13.5mm ID x 24mm OD x 3mm Thk

4шт.

14

905210R1

NUT,M12 x 1.75, Cl 8

NUT - hex lock, 12 mm

8шт.

15

3399959R1

RUBBER MOUNTING

DAMPER - iso-mount

2шт.

16

3399417R2

PLATE

- retaining

2шт.

17

30236R1

BOLT,M14 x 40mm, Cl 8.8

- hex, 14 mm - 2.00 x 40 mm

4шт.

18

3399404R2

BRACKET

ASSEMBLY - front right

1шт.

19

3399403R2

BRACKET

ASSEMBLY - front left

1шт.

Выбрано товаров: 18