Запчасти Case IH 724 (126) - CLUTCH HOUSING (06) - POWER TRAIN

Схема запчастей Case IH 724 - (126) - CLUTCH HOUSING (06) - POWER TRAIN
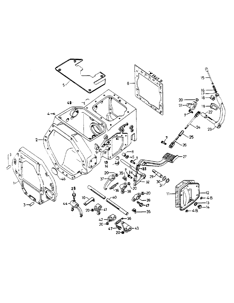
20
28
20
49
40
20
13
5
2
48
44
14
45
15
26
21
25
34
47
14
4
20
32
30
11
18
36
31
29
9
3
23
27
17
33
47
13
20
43
1
38
48
8
37
22
39
35
7
19
41
20
42
7
24
8
7
46
16
7
6
35
20
36
10
12
FIT
1:1
100%

Артикул

Название

Примечание

Количество

1

3055144R11

HOUSING

flywheel with 3, single clutch, double clutch

1шт.

179884

BOLT,Hex, 1/2" - 13 x 1 3/8", Gr 5, Full Thd

4шт.

179889

BOLT,Hex, 1/2" - 13 x 2", Gr 5

1шт.

103323

LOCK WASHER,1/2"

5шт.

2

3057010R3

CLUTCH HOUSING

single clutch, double clutch

1шт.

179856

BOLT,Hex, 7/16" - 14 x 3/4", Gr 5

1шт.

179884

BOLT,Hex, 1/2" - 13 x 1 3/8", Gr 5, Full Thd

5шт.

179888

LEVER

1шт.

179889

BOLT,Hex, 1/2" - 13 x 2", Gr 5

S 1/2" x 59 mm

5шт.

179895

BOLT,Hex, 1/2" - 13 x 3 1/2", Gr 5

2шт.

187201

BOLT,Hex, 1/2" - 13 x 4 3/4", Gr 5

6шт.

271556

WHEEL CYLINDER,Hex, 5/8" - 11 x 1 1/4", Gr 5

1шт.

103323

LOCK WASHER,1/2"

13шт.

114507

JAM NUT,Jam, 5/8"-11, G5

1шт.

933190R91

LUBE NIPPLE,1/8"-28 BSP x 20mm lg

1шт.

41-16

PLUG,Exp, 1"

expansion 25 x 1 mm, single clutch, double clutch

3шт.

933155R1

SEALING RING,M16 x 20 x 1.5

Single clutch, double clutch

2шт.

3

3055165R1

DOWEL,M16 x 36

PIN, single clutch, double clutch

2шт.

4

103883

PIPE PLUG,Slotted, Headless, 1/8" NPT

Single clutch

1шт.

5

3057838R1

COVER

clutch housing (with ZF steering), single clutch, double clutch

1шт.

5

3142566R1

COVER

clutch housing (with power steering), single clutch, double clutch

1шт.

179791

BOLT,Hex, 1/4" - 20 x 1/2", Gr 5

4шт.

103319

LOCK WASHER,1/4"

4шт.

6

3057292R1

GASKET

single clutch, double clutch

1шт.

7

103496

CLEVIS PIN,3/8" x 1.060"

Headed, single clutch

2шт.

7

103496

CLEVIS PIN,3/8" x 1.060"

Headed, double clutch

4шт.

103373

COTTER PIN,3/32" x 3/4"

Single clutch

2шт.

103373

COTTER PIN,3/32" x 3/4"

Double clutch

4шт.

8

897313H1

BUSHING,25.4mm ID x 28.57mm OD x 25.4mm L

single clutch

2шт.

8

897313H1

BUSHING,25.4mm ID x 28.57mm OD x 25.4mm L

double clutch

4шт.

9

3054575R1

PLUG

single clutch

4шт.

9

3054575R1

PLUG

double clutch

2шт.

10

3057130R3

ANGLE

return spring, single clutch

1шт.

11

3059918R2

GASKET

single clutch, double clutch

1шт.

12

3059917R11

PLATE

side for Agriomatic, single clutch, double clutch

1шт.

12

3134841R11

PLATE

without Agriomatic, single clutch, double clutch

1шт.

179837

BOLT,Hex, 3/8" - 16 x 3/4", Gr 5

7шт.

13

933609R1

RING

single clutch, double clutch

2шт.

14

3059999R2

PLUG

single clutch, double clutch

2шт.

15

3057835R11

ROD

with 16 - 17, double clutch

1шт.

16

713170R1

SPRING

double clutch

1шт.

17

3057836R1

WASHER

double clutch

1шт.

18

3057834R1

PAWL

RATCHET, double clutch

1шт.

Q5343

LOCK PIN,M5 x 30, Slotted

1шт.

104152

RIVET,Csk, 3/16" x 5/8"

1шт.

19

3057833R1

BRACKET

SEGMENT, double clutch

1шт.

103321

LOCK WASHER,3/8"

2шт.

179835

BOLT,Hex, 3/8" - 16 x 5/8", Gr 5, Full Thd

2шт.

20

3052376R1

WASHER

double clutch

7шт.

21

3057829R1

LEVER

double clutch

1шт.

179845

BOLT,Hex, 3/8" - 16 x 1 3/4", Gr 5

1шт.

103321

LOCK WASHER,3/8"

1шт.

102635

NUT,3/8"-16, G5

1шт.

22

3139082R1

BUSHING

double clutch

2шт.

23

3057831R11

LEVER

hand, double clutch

1шт.

24

3057828R1

YOKE

UNIVERSAL JOINT YOKE LINK, adjustable, double clutch

1шт.

125-10003

NUT,3/8"-16, G5, LH

double clutch

2шт.

25

3057827R1

TURNBUCKLE

SPARE PART double clutch

1шт.

26

3057826R1

YOKE

UNIVERSAL JOINT YOKE LINK, adjustable, double clutch

1шт.

102635

NUT,3/8"-16, G5

1шт.

27

3057132R41

PEDAL

clutch, single clutch, double clutch

1шт.

739158R91

LUBE NIPPLE

LUBRICATOR

1шт.

28

714562R1

BOLT (SPREADER)

set, single clutch

1шт.

114503

JAM NUT,Jam, 3/8"-16, G5

1шт.

29

3057134R1

SHAFT

lever, single clutch, double clutch

1шт.

103325

LOCK WASHER,5/8"

1шт.

102639

NUT,5/8"-11, G5

1шт.

30

615226R1

WASHER

single clutch, double clutch

1шт.

31

933128R1

SNAP RING,M25, Ext

CIRCLIP, single clutch, double clutch

1шт.

32

3057127R11

SHAFT

clutch release, single clutch

1шт.

32

3057816R11

LEVER

SHAFT, clutch release, double clutch

1шт.

787582R1

BOLT

S 5/16" x 32 mm

2шт.

9635082

NUT,5/16" - 18, Gr 5

2шт.

33

3137249R11

ROD

LINK, adjustable, single clutch, double clutch

1шт.

114503

JAM NUT,Jam, 3/8"-16, G5

1шт.

34

3057126R2

CLEVIS

adjusting, single clutch, double clutch

1шт.

35

3057823R1

ANGLE

return spring, double clutch

2шт.

36

3058348R1

SPRING

return, single clutch

1шт.

36

3058348R1

SPRING

return, double clutch

2шт.

37

3057824R2

ARM

LEVER, return spring, double clutch

1шт.

179845

BOLT,Hex, 3/8" - 16 x 1 3/4", Gr 5

1шт.

103321

LOCK WASHER,3/8"

1шт.

102635

NUT,3/8"-16, G5

1шт.

38

3057821R2

LEVER

clutch disengaging, double clutch

1шт.

179845

BOLT,Hex, 3/8" - 16 x 1 3/4", Gr 5

1шт.

103321

LOCK WASHER,3/8"

1шт.

102635

NUT,3/8"-16, G5

1шт.

39

3057822R1

LEVER

clutch disengaging, double clutch

1шт.

179847

BOLT,Hex, 3/8" - 16 x 2", Gr 5

1шт.

103321

LOCK WASHER,3/8"

1шт.

102635

NUT,3/8"-16, G5

1шт.

40

3057818R1

SHAFT

clutch release, double clutch

1шт.

41

3057820R1

LEVER

clutch release, double clutch

1шт.

179845

BOLT,Hex, 3/8" - 16 x 1 3/4", Gr 5

1шт.

103321

LOCK WASHER,3/8"

1шт.

102635

NUT,3/8"-16, G5

1шт.

42

3057819R2

LEVER

clutch release, double clutch

1шт.

179845

BOLT,Hex, 3/8" - 16 x 1 3/4", Gr 5

1шт.

103321

LOCK WASHER,3/8"

1шт.

102635

NUT,3/8"-16, G5

1шт.

43

3057825R2

LEVER

return spring, double clutch

1шт.

179847

BOLT,Hex, 3/8" - 16 x 2", Gr 5

1шт.

103321

LOCK WASHER,3/8"

1шт.

102635

NUT,3/8"-16, G5

1шт.

44

3057129R1

FORK

YOKE, clutch release, single clutch

1шт.

45

3057131R1

RING, SNAP

RING SNAP CIRCLIP, single clutch

1шт.

46

3057293R1

PLUG

expansion, single clutch, double clutch

1шт.

47

712584R1

ADJUSTMENT SCREW

BOLT, set, double clutch

4шт.

115547

LOCK WASHER,Int Tooth, 1/4"

1шт.

48

50793H

WASHER

single clutch, double clutch

7шт.

49

41-3044

PLUG,Exp, 2 3/4"

expansion, single clutch, double clutch

1шт.

Выбрано товаров: 111