Запчасти Case IH 730 SERIES (262) - TRANSMISSION, REVERSE IDLER GEAR (06) - POWER TRAIN

Схема запчастей Case IH 730 SERIES - (262) - TRANSMISSION, REVERSE IDLER GEAR (06) - POWER TRAIN
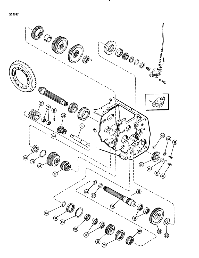
56
58
52
36
57
64
67
54
35
46
66
61
48
38
69
34
37
70
45
49
39
53
51
60
55
68
50
62
59
47
65
63
FIT
1:1
100%

Артикул

Название

Примечание

Количество

34

A34292

KIT

- reverse idler gear & shaft (Use when replacing idler gear w/bronze bushings) (incl. ref. 35 - 39)

1шт.

35

A23339

X

GEAR ASSY. (w/bushing) Order A34292

1шт.

35

A24622

GEAR

ASSY. reverse idler (17T)

1шт.

36

A24621

NEEDLE BEARING,34.92mm ID x 44.45mm OD x 25.4mm W

BEARING - needle

2шт.

37

A11632

X

SHAFT - reverse idler (used w/gear having bushing. No longer furnished. Order A34292)

1шт.

37

A24623

SHAFT

- reverse idler

1шт.

38

A28192

LOCK SCREW

BOLT - lock (3/8 x 3/4" N.F. socket hd.)

1шт.

39

A34209

GEAR

- oil slinger (aluminum) (19T)

1шт.

39

A11633

X

GEAR - oil slinger (plastic) Order A34209

1шт.

45

A21505

PLATE

- retainer, front bearing, sliding gears

1шт.

46

A21506

BOLT

- retainer plate (1/2 x 1" N.F. Spec.), sliding gears

1шт.

47

138-128

LOCK PIN,1/4" x 5/8", Slotted

PIN, , Sliding gears 1/4" x 5/8", Slotted

1шт.

48

A11921

CLAMP - front bearing, sliding gears

2шт.

49

13-616

BOLT,Hex, 3/8" - 16 x 1", Gr 5, Full Thd

Clamp, sliding gears Hex, 3/8"-16 x 1", G5, Full Thd

2шт.

50

193-30

LOCK WASHER,Int Tooth, 3/8"

WASHER, LOCK, , Sliding gears Int Tooth, 3/8"

2шт.

51

A11919

BEARING, BALL,1.5748" ID x 3.5433" OD x 0.9055"

BEARING - front (ND#47608 w/o oil seal), sliding gears

1шт.

51

A40165

BALL BEARING,1.5748" ID x 3.803" OD x 0.9055"

BEARING - front (ND#Z49608 w/ oil seal must be used w/A32046 std. clutch hsg.), sliding gears

1шт.

52

A11922

WASHER

- thrust, sliding gears

1шт.

53

A11609

GEAR - low range (47T and 20T), sliding gears

1шт.

54

A28161

NEEDLE BEARING,Needle, 57.15mm ID x 66.67mm OD x 19.05mm W

BEARING - needle, low range gear, sliding

2шт.

55

138-215

LOCK PIN,3/16" x 3/8", Slotted

PIN - thrust washer, 1/4 x 5/8" roll, sliding gears

1шт.

56

A22695

SHAFT ASSY. - sliding gear (incl. ref. 57 & 58)

1шт.

57

A21618

RACE

- rear bearing, sliding gears

1шт.

58

A21619

CIRCLIP

RING - snap, bearing race, sliding gears

1шт.

59

A11923

SLEEVE

- range shift fork, sliding gears

1шт.

60

A28163

COLLAR

- range shift, sliding gears

1шт.

61

A22168

GEAR ASSY. - high range (27T and 20T), sliding gears (incl. ref. 62)

1шт.

62

A21507

NEEDLE BEARING,Needle, 52.38mm ID x 64.29mm OD x 19.05mm W

BEARING - needle, high range gear, sliding

2шт.

63

A22767

BEARING

RACE - center bearing, sliding gears

1шт.

64

A28157

ROLLER BEARING,3.5433" OD x 1.097"

BEARING - center, sliding gear shaft

1шт.

65

A28159

RING, SNAP

RING - snap, center brg. (3-3/8" I.D.), sliding gears

1шт.

66

A27089

SNAP RING,2.36mm Thk, Ext

RING - snap, center brg. to shaft (1-13/16" I.D.), sliding gears

1шт.

67

A33451

GEAR - 14T & 18T (1st, 2nd, 5th & 6th speeds), sliding

1шт.

68

A28165

GEAR - 22T & 27T (3rd, 4th, 7th & 8th speeds), sliding

1шт.

69

A28149

ROLLER BEARING,1.7311" ID x 2.8346" OD x 1.0625"

BEARING - rear, sliding gear shaft

1шт.

70

A28153

RING

- snap, rear bearing (2-11/16" I.D.), sliding gears

2шт.

Выбрано товаров: 36