Запчасти Case IH 730 SERIES (292) - HAND CLUTCH CONTROLS, STANDARD CLUTCH DRIVE, STANDARD FOUR WHEEL TRACTOR, 730 GROVE (06) - POWER TRAIN

Схема запчастей Case IH 730 SERIES - (292) - HAND CLUTCH CONTROLS, STANDARD CLUTCH DRIVE, STANDARD FOUR WHEEL TRACTOR, 730 GROVE (06) - POWER TRAIN
9
32
38
53
13
50
5
51
52
22
40
39
54
57
6
19
2
42
15
56
20
49
30
48
8
59
9
37
55
47
41
45
7
4
12
46
5
1
58
17
10
21
35
15
44
33
3
34
7
18
31
6
11
36
16
43
FIT
1:1
100%

Артикул

Название

Примечание

Количество

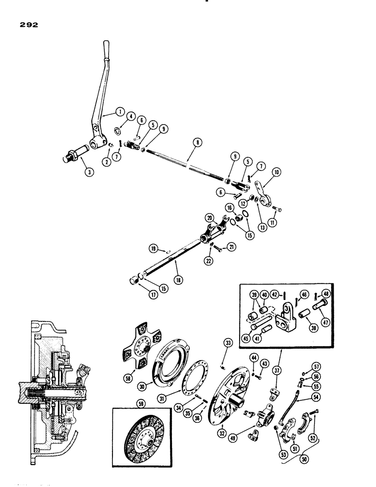
1

A9028

LEVER - hand, clutch throwout

1шт.

2

219-1

LUBE NIPPLE,1/8" - 27 NPTF

FITTING - grease, 1/8" P.T. str.

1шт.

3

A9029

STUD - pivot, hand lever

1шт.

4

A27812

CIRCLIP,#87, .668" Dia, E-Type

RING, retaining, , lever stud #87, .668" Dia, E-Type

1шт.

5

213-6

ADJUSTABLE CLEVIS,1/2"-20 x 3"

YOKE - rod, clutch throwout

2шт.

6

141-6

CLEVIS PIN,1/2" x 1.360"

PIN - yoke (1/2 x 1-23/64")

2шт.

7

132-48

COTTER PIN,1/8" x 1"

Pin, Split (Cotter), 1/8" x 1"

2шт.

8

A9027

ROD - clutch throwout (31" lg.)

1шт.

9

25-118

NUT,1/2"-20, G5

NUT - 1/2" N.F. hex

2шт.

10

A8483

LEVER - throwout shaft

1шт.

11

14-840

BOLT,Hex, 1/2" - 20 x 2-1/2", Gr 5

BOLT - 1/2 x 2-1/2" N.F. hex

1шт.

12

25-118

NUT,1/2"-20, G5

NUT - 1/2" N.F. hex

1шт.

13

92-8

LOCK WASHER,1/2"

LOCK WASHER, 1/2"

1шт.

15

A28211

OIL SEAL

SEAL - oil, throwout shaft

3шт.

16

B18254

NEEDLE BEARING,Needle, 25.4mm ID x 31.75mm OD x 25.4mm W

BEARING - open end, throwout shaft

1шт.

17

A28210

BEARING, NEEDLE,1" ID x 1.25" OD x 1"

BEARING - closed end, throwout shaft

1шт.

18

A8482

SHAFT - clutch throwout

1шт.

19

126-24

WOODRUFF KEY,#15, 1/4" x 1"

WOODRUFF KEY, , Lever & yoke #15, 1/4" x 1"

3шт.

20

A9761

YOKE

UNIVERSAL JOINT YOKE YOKE - clutch throwout

1шт.

21

13-620

BOLT,Hex, 3/8" - 16 x 1-1/4", Gr 5, Full Thd

BOLT, Hex, 3/8"-16 x 1 1/4", G5, Full Thd

2шт.

22

92-6

LOCK WASHER,3/8"

LOCK WASHER, 3/8"

2шт.

A9993

VACUUM GAUGE

SPARE PART CLUTCH ASSY. - pressure plate (incl. ref. 30 - 53)

1шт.

30

A8360

SPARE PART PLATE - pressure, clutch

1шт.

31

A9185

SPARE PART RING - adjusting, clutch

1шт.

32

A8361

SPARE PART COVER - clutch assembly

1шт.

33

A27255

SPRING

SPRING - release, clutch

3шт.

34

A27813

SPARE PART PIN - lock, adjusting ring, clutch

1шт.

35

A26944

VALVE SPRING

SPRING - lock pin, clutch

1шт.

36

138-63

LOCK PIN,1/8" x 1 1/4", Slotted

PIN, , Clutch 1/8" x 1 1/4", Slotted

1шт.

37

A9992

SPARE PART

LEVER ASSY. - pressure plate, clutch (incl. ref. 38 - 42)

3шт.

38

A9987

BUSHING

BUSHING - lever (3/8 x 1/2 x 1"), clutch

1шт.

39

A10044

ROLLER

ROLLER ASSY. - lever, clutch (incl. ref. 40)

1шт.

40

A9989

BUSHING

BUSHING - roller, clutch

1шт.

41

A9990

SPARE PART

PIN - roller guide (3/8 x 61/64"), clutch

1шт.

42

138-41

LOCK PIN,3/32" x 3/4", Slotted

PIN, , clutch 3/32" x 3/4", Slotted

1шт.

45

A11817

SPARE PART PIN - lever (3/8 x 2-3/16" clevis), clutch

3шт.

46

132-300

PIN, SPLIT (COTTER)

PIN, COTTER PIN - cotter, 1/8 x 7/8" (hardened), clutch

3шт.

47

A9991

PIN

PIN - lever guide (3/8 x 1-3/32" clevis), clutch

3шт.

48

132-25

COTTER PIN,3/32" x 5/8"

Pin, Split (Cotter), , Clutch 3/32" x 5/8"

3шт.

49

A8362

SPARE PART SLEEVE - sliding, throwout, clutch

1шт.

50

A20014

SPARE PART COLLAR ASSY. - sliding sleeve, clutch (incl. ref. 51 - 53)

1шт.

51

A30186

SPARE PART SHIM - collar, clutch

2шт.

52

14-640

BOLT,Hex, 3/8" - 24 x 2-1/2", Gr 5

BOLT - 3/8 x 2-1/2" N.F. hex, clutch

2шт.

53

131-5

LOCK NUT,3/8"-16, GB

NUT - lock, 3/8" N.F. hex, clutch

2шт.

54

A20017

HOSE ASSY.

HOSE - grease, clutch sleeve collar

1шт.

55

A20015

SPARE PART ADAPTER - hose to housing, clutch

1шт.

56

G46176

SNAP RING,#56, Ext

RING, snap, , adapter to clutch hsg. #56, Ext

1шт.

57

219-1

LUBE NIPPLE,1/8" - 27 NPTF

FITTING - grease, 1/8" P.T. str., clutch

1шт.

58

A34277

PLATE

PLATE - drive (w/button type facing), clutch

1шт.

58

1997842C1R

REMAN-CLUTCH DISC

Remanufactured Clutch Disc, 12 in., 16Tooth hub, 4 paddle, No damper assembly

1шт.

58

1997842C1C

CORE-CLUTCH DISC

Return Part Number

1шт.

59

A33484

X

PLATE - drive (w/clutch type facing) Order A34277 when depleted)

1шт.

A33485

KIT

FACING KIT - replacement (for A33484), clutch

1шт.

Выбрано товаров: 53