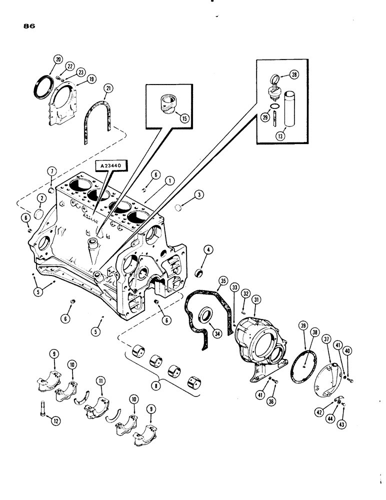
Запчасти Case IH 730 SERIES (086) - CYLINDER BLOCK ASSEMBLY, MODEL 730, 251 SPARK IGNITION ENGINE, CASTING NO. A23440 AND A34930 (02) - ENGINE

Схема запчастей Case IH 730 SERIES - (086) - CYLINDER BLOCK ASSEMBLY, MODEL 730, 251 SPARK IGNITION ENGINE, CASTING NO. A23440 AND A34930 (02) - ENGINE
6
5
35
6
42
9
10
8
20
31
6
9
15
6
13
11
41
33
44
12
41
34
21
3
39
37
28
32
40
29
23
2
4
43
5
1
10
22
19
36
38
7
FIT
1:1
100%

Артикул

Название

Примечание

Количество

A40358

BLOCK ASSY. - short (Casting No. A34930) Can use A41214 from Figure 88 (incl. ref. 1 - 15)

1шт.

1

A23508

BLOCK ASSY. - stripped (Casting No. A34930) Can use A41215 from Figure 88 (incl. ref. 2 - 15)

1шт.

2

A24361

PLUG

- rear camshaft hole (2-3/8" cup type)

1шт.

3

41-1622

PLUG,Cup, 1 3/8", Stainless

- L.H. side, water gallery (1-3/8" cup type)

1шт.

4

41-1628

PLUG,Cup, 1 3/4", Stainless

- front, water gallery (1-3/4" cup type)

1шт.

5

221-1041

PLUG

- R.H. oil gallery, 1/8" P.T. slotted

3шт.

6

221-1843

PLUG

- 3/8" socket hd.

4шт.

7

221-26

DRAIN PLUG,Sq Soc, 1"-11 1/2, NTPF

PLUG - rear, 1" P.T. socket hd.

1шт.

8

A23577

KIT

BUSHING KIT - camshaft

1шт.

9

A24941

CAP

- wide crankshaft bearing

2шт.

10

A24942

CYLINDER END CAP

CAP - narrow crankshaft bearing

2шт.

11

A24943

CAP

- thrust bearing, crankshaft

1шт.

12

A27836

SPECIAL BOLT,5/8" - 11 x 3 1/4"

SCREW - bearing cap

10шт.

13

A34540

TUBE

SOCKET - oil filler

1шт.

15

A7621

INSERT - distributor support

1шт.

19

A57457

RETAINER

ASSY. - rear oil seal (incl. ref. 20)

1шт.

20

A23085

OIL SEAL

- oil, crankshaft rear

1шт.

21

A32830

GASKET

- retainer, rear oil seal

1шт.

22

13-620

BOLT,Hex, 3/8" - 16 x 1-1/4", Gr 5, Full Thd

6шт.

23

92-6

LOCK WASHER,3/8"

6шт.

28

A34541

DIPSTICK

GAUGE ASSY. - oil level (incl. ref. 29)

1шт.

29

F62075

O-RING,0.139" Thk x 0.734" ID, -210, Cl 5, 75 Duro

"O" RING - gauge seal (3/4 x 1 x 1/8")

2шт.

31

A23334

COVER ASSY. - timing gear (incl. ref. 32 - 34)

1шт.

32

A27840

PIN

- locating (5/16 x 3/4")

2шт.

33

A27869

BUTTON - thrust

1шт.

34

A23433

OIL SEAL

- oil, crankshaft front

1шт.

35

A33018

GASKET

-, Serial Range: cover-block

1шт.

36

13-640

BOLT,Hex, 3/8" - 16 x 2-1/2", Gr 5

- cover, 3/8 x 2-1/2" N.C. hex

8шт.

36

13-616

BOLT,Hex, 3/8" - 16 x 1", Gr 5, Full Thd

Cover Hex, 3/8"-16 x 1", G5, Full Thd

2шт.

37

A20833

CAP ASSY. - timing gear cover (incl. ref. 38)

1шт.

38

A27869

BUTTON - thrust

1шт.

39

A27867

GASKET

-, Serial Range: cap-cover

1шт.

40

13-618

BOLT,Hex, 3/8" - 16 x 1-1/8", Gr 5

3шт.

40

13-612

BOLT,Hex, 3/8" - 16 x 3/4", Gr 5, Full Thd

Cap Hex, 3/8"-16 x 3/4", G5, Full Thd

1шт.

41

92-6

LOCK WASHER,3/8"

14шт.

42

A28218

POINTER - timing

1шт.

43

13-48

BOLT,Hex, 1/4" - 20 x 1/2", Gr 5

Pointer Hex, 1/4"-20 x 1/2", G5, Full Thd

2шт.

44

193-44

LOCK WASHER,Ext-Int Tooth, 1/4"

WASHER - lock, 1/4" int.-ext. Shakeproof

2шт.

Выбрано товаров: 38