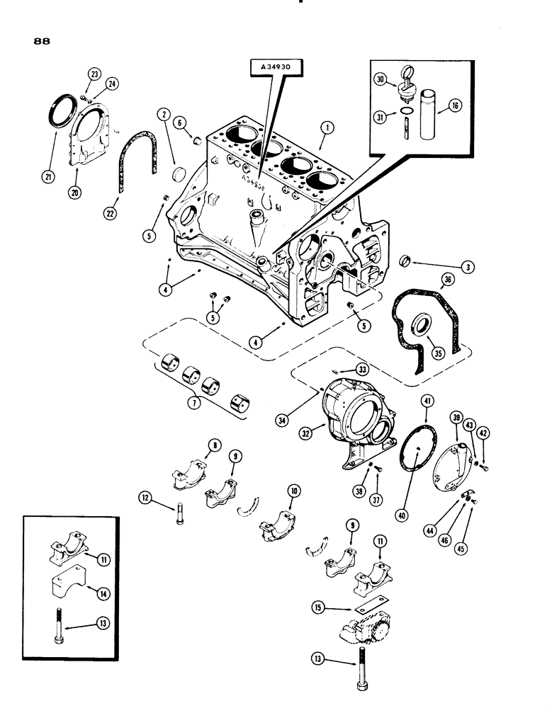
Запчасти Case IH 730 SERIES (088) - CYLINDER BLOCK ASSEMBLY, MODEL 730, 251 SPARK IGNITION ENGINE, CASTING NO. A34930 (02) - ENGINE

Схема запчастей Case IH 730 SERIES - (088) - CYLINDER BLOCK ASSEMBLY, MODEL 730, 251 SPARK IGNITION ENGINE, CASTING NO. A34930 (02) - ENGINE
42
6
12
38
5
5
21
1
45
35
44
24
13
13
43
9
14
34
8
40
31
22
2
41
16
33
9
10
39
4
11
37
4
46
30
5
23
11
3
15
32
36
7
20
FIT
1:1
100%

Артикул

Название

Примечание

Количество

A41214

SKELETON ENGINE

BLOCK ASSY. - short (incl. ref. 1 - 24)

1шт.

1

A41215

SKELETON ENGINE

BLOCK ASSY. - stripped (Casting No. A34930) (incl. ref. 2 - 16)

1шт.

2

A24361

PLUG

- rear, camshaft hole (2-3/8" cup type)

1шт.

3

41-1628

PLUG,Cup, 1 3/4", Stainless

- front, water gallery (1-3/4" cup type)

1шт.

4

221-41

PLUG

- oil gallery (1/8" P.T. slotted)

3шт.

5

221-1843

PLUG

- oil gallery (3/8" P.T. socket hd.)

4шт.

6

221-26

DRAIN PLUG,Sq Soc, 1"-11 1/2, NTPF

PLUG - rear (1" P.T. socket hd.)

1шт.

7

A23577

KIT

BUSHING SET - camshaft

1шт.

8

A24941

CAP

- rear crankshaft bearing

1шт.

9

A24942

CYLINDER END CAP

CAP - narrow crankshaft bearing

2шт.

10

A24943

CAP

- thrust bearing, crankshaft

1шт.

11

A34937

HOLDER

CAP - front crankshaft bearing

1шт.

12

A27836

SPECIAL BOLT,5/8" - 11 x 3 1/4"

- brg. cap (rear, narrow & thrust) (5/8 x 3-1/4" N.C. Spec.)

8шт.

13

113-637

BOLT

- frt. brg. cap (5/8 x 6" N.C. hex)

2шт.

14

A57076

SPACER - front brg. cap

1шт.

15

A57454

SHIM,.005" Thk

Oil pump .005" Thk

1шт.

15

A57455

SHIM,.010" Thk

Oil pump .010" Thk

1шт.

15

A57456

SHIM,.025" Thk

Oil pump .025" Thk

1шт.

16

A34540

TUBE

SOCKET - oil level gauge

1шт.

20

A57457

RETAINER

ASSY. - rear oil seal (incl. ref. 21)

1шт.

21

A23085

OIL SEAL

- oil crankshaft rear

1шт.

22

A32830

GASKET

- rear oil seal retainer

1шт.

23

13-620

BOLT,Hex, 3/8" - 16 x 1-1/4", Gr 5, Full Thd

6шт.

24

92-6

LOCK WASHER,3/8"

6шт.

30

A34541

DIPSTICK

GAUGE ASSY. - oil level (incl. ref. 31)

1шт.

31

F62075

O-RING,0.139" Thk x 0.734" ID, -210, Cl 5, 75 Duro

"O" RING - gauge seal (3/4 x 1 x 1/8")

2шт.

32

A34997

COVER

ASSY. - timing gear (incl. ref. 33 - 35)

1шт.

33

A27840

PIN

- locating (5/16 x 3/4")

2шт.

34

A27869

BUTTON - thrust

1шт.

35

A57342

SEAL

- oil, crankshaft front

1шт.

36

A33018

GASKET

-, Serial Range: cover-block

1шт.

37

13-616

BOLT,Hex, 3/8" - 16 x 1", Gr 5, Full Thd

Cover Hex, 3/8"-16 x 1", G5, Full Thd

2шт.

37

13-640

BOLT,Hex, 3/8" - 16 x 2-1/2", Gr 5

- cover, 3/8 x 2-1/2" N.C. hex

8шт.

38

92-6

LOCK WASHER,3/8"

10шт.

39

A20833

CAP ASSY. - timing gear cover (incl. ref. 40)

1шт.

40

A27869

BUTTON - thrust

1шт.

41

A27867

GASKET

- cap to timing gear cover

1шт.

42

13-612

BOLT,Hex, 3/8" - 16 x 3/4", Gr 5, Full Thd

Cap Hex, 3/8"-16 x 3/4", G5, Full Thd

1шт.

42

13-618

BOLT,Hex, 3/8" - 16 x 1-1/8", Gr 5

3шт.

43

92-6

LOCK WASHER,3/8"

4шт.

44

A28218

POINTER - timing

1шт.

45

13-48

BOLT,Hex, 1/4" - 20 x 1/2", Gr 5

Pointer Hex, 1/4"-20 x 1/2", G5, Full Thd

2шт.

46

193-44

LOCK WASHER,Ext-Int Tooth, 1/4"

WASHER - lock, 1/4" int.-ext. Shakeproof

2шт.

Выбрано товаров: 43