Запчасти Case IH 730 SERIES (148) - A32160 VALVE, TORQUE CONVERTER (06) - POWER TRAIN

Схема запчастей Case IH 730 SERIES - (148) - A32160 VALVE, TORQUE CONVERTER (06) - POWER TRAIN
10
2
28
15
3
25
20
18
5
24
29
12
27
31
9
4
17
22
8
19
11
26
14
21
1
32
13
16
6
23
30
27
FIT
1:1
100%

Артикул

Название

Примечание

Количество

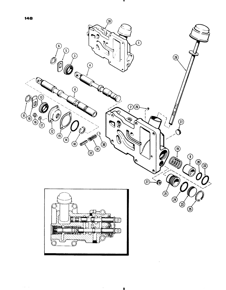
1

A32160

VALVE

ASSY. - control, Includes: Ref. 2 - 28

1шт.

2

A32161

BODY ASSY. - valve

1шт.

3

A11507

OIL SEAL

- direct drive spool (7/8 x 1-3/8 x 1/4")

1шт.

4

A32166

SPOOL - direct drive control

1шт.

5

A11508

PLATE

- direct drive spool

1шт.

6

A29329

RING, SNAP

RING - snap, plate ret.

1шт.

A34078

SPOOL

ASSY. - w/sleeve (not illust.), Includes: Ref. 8 and 9

1шт.

8

NSS

NOT SOLD SEPARAT

SPOOL ASSY. - valve control (Order A34078)

1шт.

9

NSS

NOT SOLD SEPARAT

SLEEVE - pressure regulator (Order A34078)

1шт.

10

A11509

LARGE PLATE

PLATE - control spool

1шт.

11

A29329

RING, SNAP

RING - snap, plate ret.

1шт.

12

A34222

CUP ASSY. - oil retainer, Includes: Ref. 13

1шт.

13

A11507

OIL SEAL

- oil, control spool (7/8 x 1-3/8 x 1/4")

1шт.

14

A28077

O-RING,1.421" ID x 1.699" OD x 0.139"

"O"RING - cup (1-1/2 x 1-11/16 x 3/32")

1шт.

15

A32171

SHIM,.020" Thk

Cup .020" Thk

1шт.

16

13-410

BOLT,Hex, 1/4" - 20 x 5/8", Gr 5, Full Thd

Cup Hex, 1/4"-20 x 5/8", G5, Full Thd

2шт.

17

92-4

LOCK WASHER,1/4"

WASHER, LOCK, 1/4"

2шт.

18

A32173

RING - snap, spool stop

1шт.

19

A32174

SPRING

- pressure regulator

1шт.

20

A32177

O-RING

"O"RING - control spool (7/8 x 1-1/16 x 3/32")

1шт.

21

A32176

SLEEVE - pressure balance

1шт.

22

A32178

O-RING,0.103" Thk x 1.049" ID, -121, Cl 5, 75 Duro

"O"RING - sleeve (1-1/16 x 1-1/4 x 3/32")

1шт.

23

A32179

PLUG - spool stop

1шт.

24

A32180

O-RING,0.103" Thk x 1.174" ID, -123, Cl 5, 75 Duro

"O"RING - plug (1-3/16 x 1-3/8 x 3/32")

1шт.

25

A32181

SNAP RING,1.375", Int, #137

RING - snap, , brg, outer, plug 1.375", Int, #137

1шт.

26

221-1849

PLUG

- body (1/8" P.T. sckt. hd.)

1шт.

27

221-1843

PLUG

- body (3/8 P.T. sckt. hd)

2шт.

28

222-40

ELBOW,90 Degree, 3/8"-24 Fem x 1/8"-27 NPTF

- converter tube

1шт.

29

A32164

DIPSTICK

- oil level gauge

1шт.

30

211-13

BALL,1/2" Dia

- detent, direct drive spool 1/2" Dia

1шт.

31

A31079

SPRING

- detent

1шт.

32

138-151

LOCK PIN,5/16" x 7/8", Slotted

PIN, , Spring guide 5/16" x 7/8", Slotted

1шт.

Выбрано товаров: 32