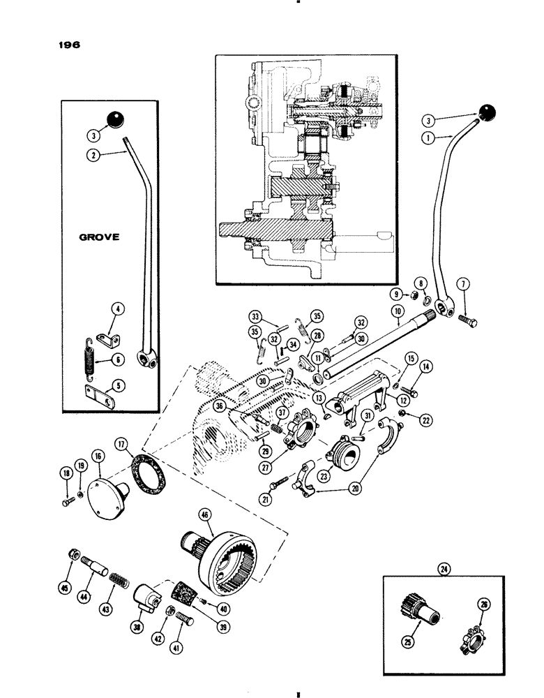
Запчасти Case IH 730 SERIES (196) - P.T.O. BRAKE AND CONTROLS (06) - POWER TRAIN

Схема запчастей Case IH 730 SERIES - (196) - P.T.O. BRAKE AND CONTROLS (06) - POWER TRAIN
30
11
19
22
30
6
1
10
18
24
7
27
32
20
39
8
26
14
21
12
42
2
40
34
43
23
4
13
3
29
3
35
15
41
36
16
26
32
5
17
46
9
44
45
37
25
38
35
33
31
FIT
1:1
100%

Артикул

Название

Примечание

Количество

1

A33904

LEVER - throwout control (All 730-830 Except. Grove)

1шт.

2

A34180

LEVER - throwout control (730 Grove)

1шт.

3

A23885

KNOB

- control lever

1шт.

4

A33809

ANCHOR - spring (730 Grove)

1шт.

5

A33808

ANCHOR - spring (730 Grove)

1шт.

6

D129921

SPRING

- lever (730 Grove)

1шт.

7

13-628

BOLT,Hex, 3/8" - 16 x 1-3/4", Gr 5

Control lever Hex, 3/8"-16 x 1 3/4", G5

1шт.

8

92-6

LOCK WASHER,3/8"

1шт.

9

25-106

NUT,3/8"-16, G5

- control lever bolt (3/8" N.C. hex.)

1шт.

10

A32463

SHAFT - cross, PTO throwout

1шт.

11

A23903

OIL SEAL

- oil, cross shaft (1 x 1-1/2 x 1/4")

1шт.

12

A32464

FORK

YOKE - clutch throwout

1шт.

13

126-16

WOODRUFF KEY,#9, 3/16" x 3/4"

Yoke #9, 3/16" x 3/4"

2шт.

14

13-520

BOLT,Hex, 5/16" - 18 x 1-1/4", Gr 5

- yoke (5/16 x 1-1/4" N.C. hex.)

2шт.

15

92-5

LOCK WASHER,5/16"

2шт.

16

A32466

COVER

- PTO hole & cross shaft pilot

1шт.

17

A32465

GASKET

- PTO hole cover

1шт.

18

13-616

BOLT,Hex, 3/8" - 16 x 1", Gr 5, Full Thd

3шт.

19

92-6

LOCK WASHER,3/8"

3шт.

20

A28596

COLLAR CLAMP

COLLAR ASSY. - clutch throwout, Includes: Ref. 21 and 22

1шт.

21

14-532

BOLT,Hex, 5/16" - 24 x 2", Gr 5

- (5/16 x 2" N.F. hex.)

2шт.

22

131-575

NUT

NUT - (5/16" N.F. self-locking)

2шт.

23

A26226

SLEEVE CYLINDER

SLEEVE - clutch sliding

1шт.

24

A34876

HUB CAP

HUB ASSY. , Includes: Ref. 25 and 26, Start Serial: 8302483

1шт.

25

A34874

HUB

- P.T.O. clutch (w/left hand thread)

1шт.

26

A34851

JAW

YOKE - clutch adj. (w/left hand thread)

1шт.

27

A33014

YOKE

- clutch adjusting (w/right hand thread) (Order A34876), Serial Range: -8302483

1шт.

28

A36552

FINGER

- clutch

3шт.

29

A32448

PIN

-, Serial Range: finger-yoke

3шт.

30

A57917

DRAG LINK

LINK - clutch finger (Replaces A27596 & A57516)

6шт.

31

A8824

PIN

- link to sleeve (1/4 x 1-15/64" spec. clevis)

3шт.

32

A8823

PIN,6.29mm OD x 26.99mm L

- link to finger (1/4 x 15/16" spec. clevis)

2шт.

33

A33698

PIN

- link to finger (1/4 x 1-1/8")

1шт.

34

132-24

COTTER PIN,3/32" x 1/2"

PIN, SPLIT (COTTER), 3/32" x 1/2"

8шт.

35

A33699

SPRING

- link lever

2шт.

36

A34248

LOCK PIN,7.85mm OD x 39.62mm L

PIN - clutch lock adjusting

1шт.

37

A26944

VALVE SPRING

SPRING - adjusting pin

1шт.

38

A32452

SHOE

ASSY. - P.T.O. brake, Includes: Ref. 39 and 40

1шт.

39

A25599

FACING

KIT - PTO brake, Includes: Ref. 40

1шт.

40

187-1012

SELF-TAP SCREW,Slotted Pan Hd, #10 x 3/8"

SCREW - facing (#10-24 x 3/8" self-tapping)

2шт.

41

111-320

CARRIAGE BOLT,Short NK, 3/8"-16 x 1 1/4", G5

BOLT, CARRIAGE, , Brake adj. Short NK, 3/8"-16 x 1 1/4", G5

1шт.

42

25-146

JAM NUT,Jam, 3/8"-16, G5

- lock, adj. bolt (3/8" N.C. half hex.)

1шт.

43

A32451

SPRING

- PTO brake support pin

1шт.

44

A32425

PIN

- PTO brake support

1шт.

45

131-510

LOCK NUT,1/2"-13

NUT - brake support pin (1/2" N.C. self-locking)

1шт.

46

A34608

DRUM

ASSY. - clutch, w/brg.

1шт.

Выбрано товаров: 46