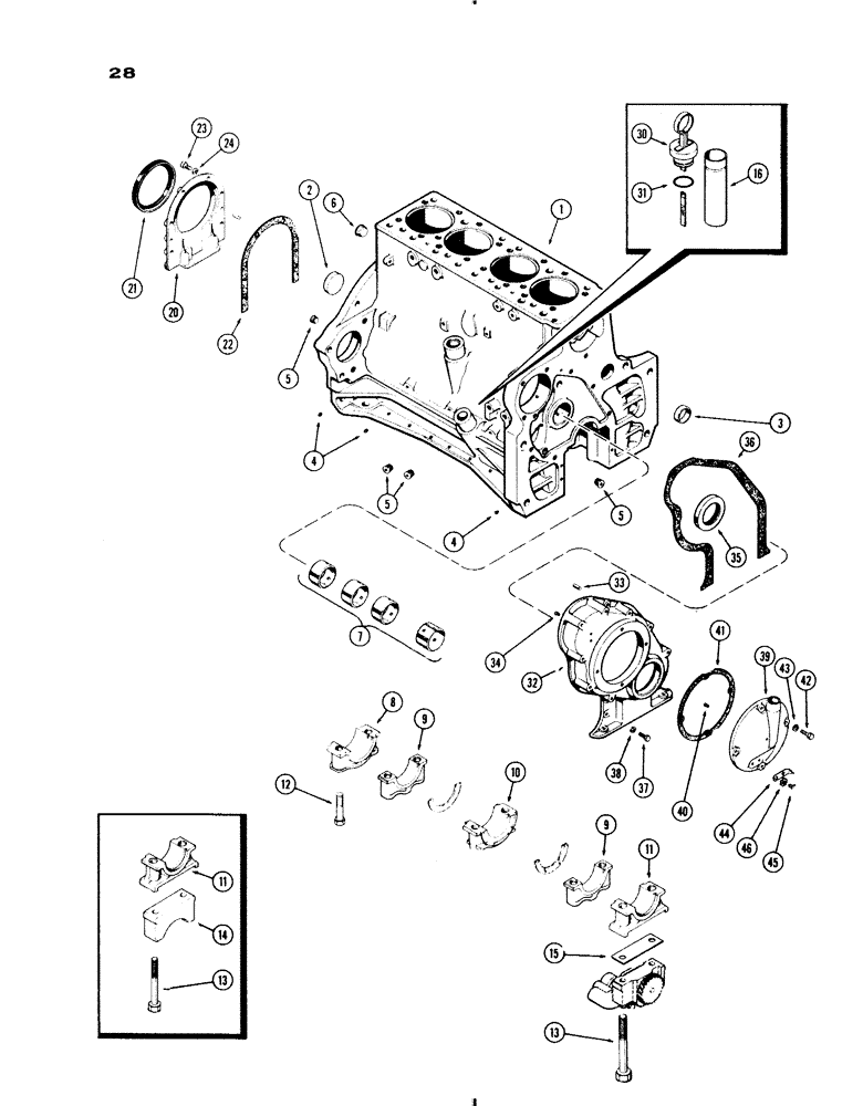
Запчасти Case IH 730 SERIES (028) - CYLINDER BLOCK ASSEMBLY, MODEL 730, 251 SPARK IGNITION ENGINE, 1ST USED ENG. S/N 2174225 (02) - ENGINE

Схема запчастей Case IH 730 SERIES - (028) - CYLINDER BLOCK ASSEMBLY, MODEL 730, 251 SPARK IGNITION ENGINE, 1ST USED ENG. S/N 2174225 (02) - ENGINE
9
1
16
4
31
13
24
8
21
14
39
20
11
6
44
22
38
12
41
3
37
13
15
2
42
32
23
5
10
4
46
34
11
43
5
30
36
7
9
45
35
40
5
33
FIT
1:1
100%

Артикул

Название

Примечание

Количество

A41214

SKELETON ENGINE

BLOCK ASSY. - short (incl. stripped block, piston assy., connecting rod assy. & brgs., crankshaft & brgs., camshaft & timing gears) (casting No. 966747), Includes: Ref. 1 - 16

1шт.

1

A41215

SKELETON ENGINE

BLOCK ASSY. - stripped (Casting No. 966747), Includes: Ref. 2 - 16

1шт.

2

A24361

PLUG

- camshaft hole (2-3/8" cup type)

1шт.

3

41-1628

PLUG,Cup, 1 3/4", Stainless

- water gallery (1-3/4" cup type)

1шт.

4

221-41

PLUG

- (1/8" P.T., sltd. hd.)

3шт.

5

221-1843

PLUG

- oil gallery (3/8" P.T., ctsk. sckt. hd.)

4шт.

6

221-26

DRAIN PLUG,Sq Soc, 1"-11 1/2, NTPF

PLUG - water gallery (1" P.T. ctsk. sckt. hd.)

1шт.

7

A23577

KIT

BUSHING SET - camshaft

1шт.

8

A24941

CAP

- crankshaft brg., rear

1шт.

9

A24942

CYLINDER END CAP

CAP - crankshaft brg., intermediate

2шт.

10

A24943

CAP

- crankshaft brg. thrust, center

1шт.

11

A34937

HOLDER

CAP - crankshaft brg., front

1шт.

12

A27836

SPECIAL BOLT,5/8" - 11 x 3 1/4"

- brg. caps (rear, intermediate & center) (5/8 x 3-1/4" N.C. hex., spec.)

8шт.

13

113-637

BOLT

- frt. brg. cap (also holds oil pump) (5/8 x 6" N.C. hex.)

2шт.

14

A57076

SPACER - front brg. cap

1шт.

Spacer used w/Cam Drive Oil Pump Spacer discarded when front MTD. Oil Pump is used.

1шт.

15

A57454

SHIM,.005" Thk

Oil pump .005" Thk

1шт.

15

A57455

SHIM,.010" Thk

Oil pump .010" Thk

1шт.

15

A57456

SHIM,.025" Thk

Oil pump .025" Thk

1шт.

16

A34540

TUBE

SOCKET - oil level gauge

1шт.

20

A57457

RETAINER

- rear oil seal (Replaces A32182)

1шт.

21

A23085

OIL SEAL

- oil, rear (4-3/4 x 5-3/4 x 1/2")

1шт.

22

A32830

GASKET

- rear oil seal retainer

1шт.

23

13-620

BOLT,Hex, 3/8" - 16 x 1-1/4", Gr 5, Full Thd

Retainer Hex, 3/8"-16 x 1 1/4", G5, Full Thd

6шт.

24

92-6

LOCK WASHER,3/8"

6шт.

30

A34541

DIPSTICK

GAUGE ASSY. - oil level (dip-stick), Includes: Ref. 31

1шт.

31

F62075

O-RING,0.139" Thk x 0.734" ID, -210, Cl 5, 75 Duro

"O" RING - oil level gauge (3/4 x 1 x 1/8")

2шт.

32

A57416

COVER ASSY. - timing gears (Replaces A34997), Includes: Ref. 33 - 35

1шт.

33

A27840

PIN

- cover locating (5/16 x 3/4")

2шт.

34

A27869

BUTTON - thrust, bumper

1шт.

35

A57342

SEAL

- oil, front (2-5/8 x 3-5/8 x 1/2")

1шт.

36

A33018

GASKET

- timing gear cover

1шт.

37

13-616

BOLT,Hex, 3/8" - 16 x 1", Gr 5, Full Thd

Cover Hex, 3/8"-16 x 1", G5, Full Thd

2шт.

37

13-640

BOLT,Hex, 3/8" - 16 x 2-1/2", Gr 5

- cover (3/8 x 2-1/2" N.C. hex.)

8шт.

38

92-6

LOCK WASHER,3/8"

10шт.

39

A20833

CAP ASSY. - timing gear cover, Includes: Ref. 40

1шт.

40

A27869

BUTTON - thrust, bumper

1шт.

41

A27867

GASKET

- timing gear cover cap.

1шт.

42

13-612

BOLT,Hex, 3/8" - 16 x 3/4", Gr 5, Full Thd

Cap Hex, 3/8"-16 x 3/4", G5, Full Thd

1шт.

42

13-618

BOLT,Hex, 3/8" - 16 x 1-1/8", Gr 5

Cap Hex, 3/8"-16 x 1 1/8", G5, Full Thd

3шт.

43

92-6

LOCK WASHER,3/8"

4шт.

44

A28218

POINTER - timing indicator

1шт.

45

13-48

BOLT,Hex, 1/4" - 20 x 1/2", Gr 5

Pointer Hex, 1/4"-20 x 1/2", G5, Full Thd

2шт.

46

193-44

LOCK WASHER,Ext-Int Tooth, 1/4"

WASHER - (1/4" int./ext. skpf.)

2шт.

Выбрано товаров: 44