Запчасти Case IH 733 (07-44) - PTO - 540/1000 (04) - Drive Train

Схема запчастей Case IH 733 - (07-44) - PTO - 540/1000 (04) - Drive Train
12
7
4
19
22
17
6
17
3
2
27
21
14
24
28
26
11
25
8
20
18
10
15
13
16
23
1
9
5
14
FIT
1:1
100%

Артикул

Название

Примечание

Количество

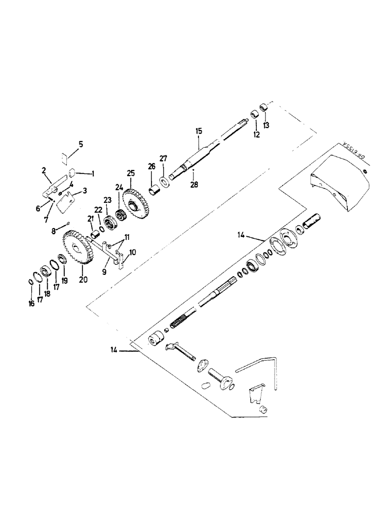
1

3137539R2

KNOB

BALL LEVER

1шт.

2

3220756R91

LEVER

SPARE PART

1шт.

932228R1

LOCK PIN,M6 x 24, Slotted

1шт.

3

3220758R1

BAR

SPARE PART PLATE

1шт.

3

3221650R1

BAR

PLATE, FRENCH VERSION ONLY

1шт.

271554

GREASE,Hex, 5/8" - 11 x 1", Gr 5

1шт.

4

130998

WASHER,9/16"

1шт.

5

1091296R1

PRODUCT GRAPHIC

PTO SHIFTING, 540/1000

1шт.

6

3131898R2

SPRING

1шт.

7

933157R1

BALL,9mm Dia

STEEL

1шт.

8

355966R1

O-RING,0.424" ID x 0.103" Width

1шт.

9

3404488R1

SHAFT SHIFTER

1шт.

10

3404490R91

LEVER

1шт.

932974R1

LOCK PIN,M6 x 36, Slotted

2шт.

932335R1

COTTER PIN,3.5mm OD x 36mm L, Slotted

2шт.

11

3131866R1

SLIDE

BLOCK

2шт.

12

3148636R91

BEARING, NEEDLE

1шт.

13

3148969R91

BEARING, NEEDLE

1шт.

14

NSS

NOT SOLD SEPARAT

SEE 540 PTO

1шт.

15

3226314R1

COUNTERSHAFT

FRONT, 433/533/633, W/O SPEED REDUCER

1шт.

15

3405390R1

SHAFT

COUNTER, FRONT

1шт.

16

933086R1

SNAP RING,M30, Ext

1шт.

17

933108R1

SNAP RING,M62, Int

LOCK

2шт.

18

3148972R91

BEARING, ROLLER, CYL,30 mm ID x 62 mm OD x 16 mm

1шт.

18

3405387R1

BEARING ROLLER, 833

1шт.

19

3216477R1

SPACER

1шт.

20

3217877R91

GEAR

PTO DRIVE CPTE, 56 TEETH, WITH: 21

1шт.

20

3405393R1

GEAR

PTO DRIVE CPTE - 56 TEETH, WITH: 21, 833

1шт.

21

3216490R1

BUSHING

1шт.

22

934602R1

CIRCLIP,#32, M29.4 x 3.25 x 1.12

RING LOCK

1шт.

23

3216488R2

HUB

SLEEVE SLIDING

1шт.

24

3216481R1

PINION

HUB SLIDING

1шт.

25

3217876R91

GEAR

49 TEETH, WITH: 26

1шт.

26

3216489R1

BUSHING

1шт.

27

3216478R1

WASHER

THRUST

1шт.

28

17006R1

BALL

STEEL

1шт.

Выбрано товаров: 36