Запчасти Case IH 733 (05-06) - STEERING 433/533/633 (XXX-)/733 (04) - STEERING

Схема запчастей Case IH 733 - (05-06) - STEERING 433/533/633 (XXX-)/733 (04) - STEERING
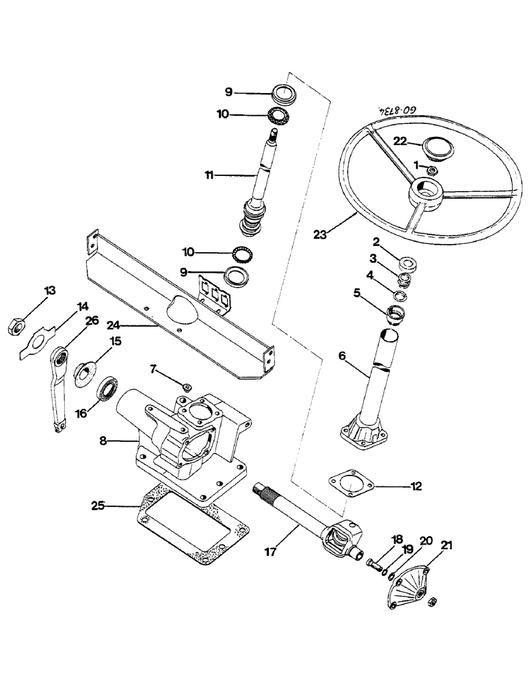
12
9
21
20
1
25
2
22
15
19
16
9
10
13
10
6
23
3
8
24
17
11
4
7
14
18
26
5
FIT
1:1
100%

Артикул

Название

Примечание

Количество

3224875R91

STEERING ASSY

HOUSING, CPTE, CONSISTS OF: ITEMS 1- 21

1шт.

3230732R1

PIN

DOWEL

2шт.

340340R1

BOLT,Hex, 1/2" - 13 x 1 1/2", Gr 8

4шт.

711055R1

WASHER

13 X 22 X 2 MM

4шт.

1

934726R1

NUT

1шт.

2

3131952R1

SEALING RING

DUST

1шт.

3

715854R1

SPRING

1шт.

4

715853R1

RING

GUIDE

1шт.

5

3131949R1

BUSHING

BALL

1шт.

6

3230384R1

BODY

SPARE PART STEERING COLUMMN, WITH FLANGE

1шт.

931596R1

BOLT,M8 x 30mm, Cl 8.8

BOLT, M8 X 30 MM

4шт.

7

3058223R1

PLUG

1шт.

8

3146982R1

HOUSING

SPARE PART

1шт.

9

3058221R1

BEARING, CUP

RACE BALL

2шт.

10

3058220R91

ROLLER BEARING

CAGE

2шт.

11

3230383R1

SHAFT

STEERING

1шт.

12

3217349R1

SHIM

0.10 MM

1шт.

12

3217350R1

DISC

SHIM, 0.12 MM

1шт.

12

3217351R1

SHIM

0.15 MM

1шт.

12

3217352R1

SHIM

0.30 MM

1шт.

13

934217R1

THIN NUT,Thin, M26 x 1.5

1шт.

14

933622R1

WASHER,Tab, M28

NUT

1шт.

15

3058231R1

SEALING RING

DUST

1шт.

16

3224764R1

SEAL

1шт.

17

3146990R1

STEERING AXLE

ROCKSHAFT, CONSISTS OF: ITEMS 18 - 20

1шт.

18

3146988R1

SET SCREW

ADJUSTING

1шт.

934218R1

NUT,Thin, M12 x 1.5, Cl 04

SPARE PART

1шт.

3142834R1

LOCK WASHER

LOCK

1шт.

19

3146987R92

SHIM

SET OF

1шт.

20

3146986R1

RING

LOCK

1шт.

21

3146983R1

COVER

1шт.

931599R1

SCREW,M8 x 25mm, Cl 8.8

SPARE PART BOLT, M8 X 25 MM

4шт.

22

790680R1

BUTTON

CAP, STEERING WHEEL

1шт.

23

3137375R92

WHEEL (STEERING)

1шт.

24

3142597R91

BRACKET

SUPPORT

1шт.

25

3059706R2

GASKET

1шт.

26

3226853R1

ARM

SPARE PART DROP

1шт.

930051R1

BOLT,Hex, M10 x 1.5 x 40mm, Cl 8.8

433/533/633

1шт.

930550R1

BOLT,Hex, M10 x 1.5 x 50mm, Cl 8.8

733

1шт.

933335R1

LOCK WASHER,M10

1шт.

933065R1

NUT,M10, Cl 5

1шт.

Выбрано товаров: 0