Запчасти Case IH 733 (08-21) - STARTING MOTOR 433 - (130594-135113) E 533 - (222763-228625) E 633 - (289713-303031) E 733 - ( -4006 (06) - ELECTRICAL

Схема запчастей Case IH 733 - (08-21) - STARTING MOTOR 433 - (130594-135113) E 533 - (222763-228625) E 633 - (289713-303031) E 733 - ( -4006 (06) - ELECTRICAL
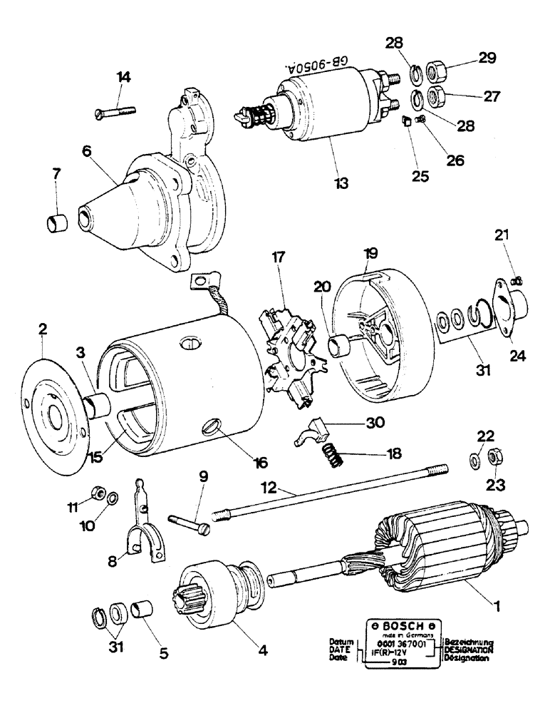
26
27
16
29
31
22
3
24
30
31
20
5
17
1
9
25
2
8
19
23
6
14
11
15
4
10
28
13
28
18
7
21
12
FIT
1:1
100%

Артикул

Название

Примечание

Количество

NSS

NOT SOLD SEPARAT

STARTER, ORDER: 3228192R91, THE FOLLOWING PARTS ARE NOT TO BE USED TO SERVICE STARTER 3228192R91

1шт.

1

3079162R1

ARMATURE

1шт.

2

3079163R91

COVER

BEARING, INTERMEDIATE, WITH BUSHING

1шт.

3

3079164R1

BUSHING

1шт.

4

3078979R92

SHAFT

DRIVE, WITH BUSHING

1шт.

5

3132443R1

BUSHING

1шт.

6

3079165R91

HOUSING

WITH BUSHING

1шт.

7

3055738R1

BUSHING

1шт.

8

3078965R1

LEVER

FORK, SHIFT

1шт.

9

3078879R1

BOLT

1шт.

10

3079166R1

SPRING WASHER,M8.4 ID x 15 OD x .8 Thk

8 MM

1шт.

11

43362

NUT,M8 x 1.25, Cl 10

1шт.

12

3079172R1

STUD

BOLT

2шт.

13

3079167R1

SOLENOID SWITCH

1шт.

14

3078974R1

SCREW

BOLT

3шт.

15

3079168R92

COIL

FIELD

1шт.

16

3078334R1

SCREW

BOLT

4шт.

17

3079174R1

HOLDER

BRUSH

1шт.

18

3079175R1

SPRING

BRUSH

4шт.

19

3079169R91

COVER

1шт.

20

3079170R1

BUSHING

1шт.

21

905367R1

SCREW,M5 x 16mm, Cl 8.8

BOLT, M5 X 16 MM

2шт.

22

3079176R1

WASHER

2шт.

23

86500688

NUT,Hex, M6 x 1.0, Cl 10.9

2шт.

24

3079177R1

CAP

1шт.

25

3132763R1

TERMINAL CONNECTOR

WASHER, SQUARE

1шт.

26

931342R1

SCREW,Slotted Cheese, M4 x 0.7 x 6mm, Cl 8.8

BOLT, M4 X 6 MM

1шт.

27

100016

NUT,M10 x 1.5, Cl 8

1шт.

28

934075R1

LOCK WASHER,M10

2шт.

29

625507C1

JAM NUT

M10

1шт.

30

3079171R91

BRUSH SET

CARBON

1шт.

31

3079173R91

KIT

SET, PARTS, SMALL, ARMATURE

1шт.

Выбрано товаров: 32