Запчасти Case IH 744 (3C05) - INJECTION PUMP Power

Схема запчастей Case IH 744 - (3C05) - INJECTION PUMP Power
37
170
94
111
8
73
45
134
160
170
107
30
66
140
26
129
65
101
175
2
41
64
118
120
27
125
121
82
92
83
9
160
105
135
170
1
133
110
72
28
100
42
127
62
130
91
90
80
20
170
47
170
10
84
141
4
15
1
71
60
81
128
33
29
126
106
161
61
63
13
23
114
12
34
67
14
70
5
31
170
36
40
108
37
35
108
36
32
3
46
115
FIT
1:1
100%

Артикул

Название

Примечание

Количество

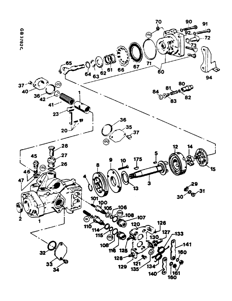
1

3144247R91

PUMP

injection, 644, Includes: Ref. 1 - 175

1шт.

1

3144902R92

PUMP

injection, 744 (544199-248, 544349-) E, Includes: Ref. 1 - 175

1шт.

1

3144511R91

PUMP, FUEL INJECTION

PUMP, INJECTION 744, (-544198, 544249-348) E, Includes: Ref. 1 - 175

1шт.

1

3144542R91

PUMP, FUEL INJECTION

PUMP, INJECTION 844, Includes: Ref. 1 - 175

1шт.

1

3144890R91

PUMP, FUEL INJECTION

PUMP, INJECTION 844S, Includes: Ref. 1 - 175

1шт.

1

3078598R91

HOUSING

with advance piston, 644/744

1шт.

1

3078572R91

HOUSING

with advance piston, 844

1шт.

1

3078564R91

HOUSING

with advance piston, 844S

1шт.

2

3078355R2

OIL SEAL

oil

1шт.

3

3078473R1

SHAFT

drive

1шт.

4

3078474R1

RING

retaining

1шт.

5

3132395R1

KEY

1шт.

8

3078475R91

PUMP

charge

1шт.

9

3078476R1

RING

sealing

1шт.

10

3078477R1

BOLT,CSK

2шт.

12

3078478R91

RETAINER

RING roller

1шт.

13

3078479R1

THRUST WASHER

1шт.

14

3059007R1

DISC

cross-type

1шт.

15

3078480R1

CAM

face

1шт.

20

3078481R1

PIN

actuating

1шт.

23

3078482R1

SLIDE

ROLL sliding

1шт.

26

3078483R1

O-RING,2.5mm Thk x 15mm ID

1шт.

27

3078484R1

VALVE

overflow

1шт.

28

3059086R1

BANJO BOLT

SCREW hollow

1шт.

29

3132598R1

INDICATOR

POINTER timing

1шт.

30

933982R1

WAVE WASHER,M4.3 ID x 9 OD x .5 Thk

1шт.

31

931326R1

SCREW,Slotted Cheese , M4 x 0.7 x 5mm, Cl 8.8

BOLT

1шт.

32

3078485R1

RING

GASKET

1шт.

33

3078486R1

COVER

1шт.

34

190003822317

SCREW,M6 x 12mm, Cl 4.8

BOLT

2шт.

35

3078486R1

COVER

1шт.

36

3078488R1

RING

GASKET

2шт.

37

627-6016

BOLT,Hex, M6 x 1 x 16mm, Cl 10.9, Full Thd

4шт.

40

3078489R1

COVER

CAP

1шт.

41

3078608R1

SPRING

644/844

1шт.

41

3079186R1

SPRING

744 (544199-248, 544349-) E

1шт.

41

3078759R1

SPRING

744, (-544198, 544249-348) E

1шт.

41

3078608R1

SPRING

844S

1шт.

42

3078528R1

THRUST WASHER

SHIM 0.6 mm

1шт.

42

3078529R1

THRUST WASHER

SHIM 0.8 mm

1шт.

42

3078530R1

THRUST WASHER

SHIM 1.0 mm

1шт.

42

3078531R1

THRUST WASHER

SHIM 1.2 mm

1шт.

42

3078532R1

THRUST WASHER

SHIM 1.4 mm

1шт.

42

3078533R1

THRUST WASHER

SHIM 3.0 mm

1шт.

45

3078534R91

VALVE

relief, 744/844S, 744 (544199-248, 544349-) E

1шт.

45

3078614R91

VALVE

relief, 644/744/844, (-544198, 544249-348) E

1шт.

46

3078358R1

O-RING

1шт.

47

3078535R1

O-RING

1шт.

60

3078704R91

HEAD

distributor, 644

1шт.

60

3078599R91

HEAD

distributor, 744 (544199-248, 544349-) E

1шт.

60

3079014R91

HEAD

distributor 744, (-544198, 544249-348) E

1шт.

60

3078912R91

HEAD

distributor, 844

1шт.

60

3079042R91

HEAD

distributor, 844S

1шт.

61

3078515R1

SPRING

1шт.

62

3078516R1

SEAT

CUP spring

1шт.

63

3078537R1

WASHER

1.65 mm

1шт.

63

3078571R1

WASHER

2.35 mm

1шт.

64

3078540R1

WASHER

SHIM 1.35 mm

1шт.

64

3078541R1

WASHER

SHIM 1.60 mm

1шт.

64

3078542R1

WASHER

SHIM 1.85 mm

1шт.

65

3078761R2

WASHER

SHIM 1.80 mm

1шт.

65

3078763R2

WASHER

SHIM 1.84 mm

1шт.

65

3078765R2

WASHER

SHIM 1.88 mm

1шт.

65

3078767R2

WASHER

SHIM 1.92 mm

1шт.

65

3078769R2

WASHER

SHIM 1.96 mm

1шт.

65

3078771R2

WASHER

SHIM 2.00 mm

1шт.

65

3078773R2

WASHER

SHIM 2.04 mm

1шт.

65

3078775R2

WASHER

SHIM 2.08 mm

1шт.

65

3078777R2

WASHER

SHIM 2.12 mm

1шт.

65

3078779R2

WASHER

SHIM 2.16 mm

1шт.

65

3078781R2

WASHER

SHIM 2.20 mm

1шт.

65

3078783R2

WASHER

SHIM 2.24 mm

1шт.

65

3078785R2

WASHER

SHIM 2.28 mm

1шт.

65

3078787R2

WASHER

SHIM 2.32 mm

1шт.

65

3078789R2

WASHER

SHIM 2.36 mm

1шт.

65

3078791R2

WASHER

SHIM 2.40 mm

1шт.

65

3078793R2

WASHER

SHIM 2.44 mm

1шт.

65

3078795R2

WASHER

SHIM 2.48 mm

1шт.

65

3078797R2

WASHER

SHIM 2.52 mm

1шт.

65

3078799R2

WASHER

SHIM 2.56 mm

1шт.

65

3078801R2

WASHER

SHIM 2.60 mm

1шт.

65

3078803R2

WASHER

SHIM 2.64 mm

1шт.

65

3078805R2

WASHER

SHIM 2.68 mm

1шт.

65

3078807R2

WASHER

SHIM 2.72 mm

1шт.

65

3078809R2

WASHER

SHIM 2.76 mm

1шт.

65

3078811R2

WASHER

SHIM 2.80 mm

1шт.

65

3078813R2

WASHER

SHIM 2.84 mm

1шт.

65

3078815R2

WASHER

SHIM 2.88 mm

1шт.

66

3078576R1

SPRING WASHER

spring

1шт.

67

3078578R1

FILTER, FUEL

SCREEN

1шт.

70

3078487R1

O-RING

GASKET

1шт.

71

3078366R1

O-RING

1шт.

72

3078514R1

PLUG

644/744

1шт.

72

3078914R1

PLUG

844/844S

1шт.

3078913R1

BOLT

1шт.

933696R1

SEALING RING,M6 x 10 x 1

1шт.

73

3132407R1

O-RING

packing, 644/744

1шт.

73

3078915R1

RING

packing, 844/844S

1шт.

80

3059067R2

HYD CONNECTOR

UNION

4шт.

81

354351A1

COMPRESSION SPRING

744/844S, 744 (544199-248, 544349-) E

4шт.

81

3132382R1

SPRING

644

4шт.

81

3078790R1

SPRING

744, (-544198, 544249-348) E

4шт.

81

3132382R1

SPRING

844

4шт.

82

3059066R1

WASHER,2.5mm ID x 7.3mm OD x 1.5mm Thk

4шт.

83

3136088R1

VALVE

SPARE PART 644

4шт.

83

3132879R1

VALVE

744 (544199-248, 544349-) E

4шт.

83

3136144R1

VALVE

744, (-544198, 544249-348) E

4шт.

83

3136398R1

VALVE

844

4шт.

83

3079477R1

VALVE

844S

4шт.

84

3079378R1

WASHER

6шт.

90-91

3078600R1

SCREW

BOLT

4шт.

92

Not-used

1шт.

94

3228735R1

SUPPORT

1шт.

100

3078517R1

SHAFT

lever throttle

1шт.

101

3078555R1

SPRING

1шт.

105

3078519R1

WASHER

1шт.

106

3078354R1

O-RING,2mm Thk x 6.5mm ID

1шт.

107

3078556R1

BUSHING

guide

1шт.

108

785602R1

O-RING

2шт.

110

3078521R1

SHAFT

plunger control

1шт.

111

3078610R91

KIT

SPRING (package), 644

1шт.

111

3078563R91

KIT

SPRING (package), 744/844

1шт.

111

3078522R91

KIT

SPRING (package), 844S

1шт.

114

3078523R1

WASHER

1шт.

115

3078363R1

O-RING

1шт.

116

3078524R1

BUSHING

guide

1шт.

120

3078557R1

PLATE

stop

1шт.

121

931320R1

SCREW,M6 x 12mm, Cl 8.8

BOLT

4шт.

125

3136136R1

SCREW

stop

1шт.

126

3132885R1

BOLT

stop

1шт.

127

3132251R1

STOP LOCK

stop

1шт.

128

3059074R1

SCREW

stop

1шт.

129

825-1406

NUT,M6, Cl 8

3шт.

130

3079141R1

NUT

3079120R1

1шт.

133

354353A1

SPRING

1шт.

134

3132589R1

SPRING

1шт.

135

3059076R1

WASHER

1шт.

140

3059077R1

LEVER

1шт.

140

3059078R1

LEVER

serration offset

1шт.

141

3132590R1

LEVER

1шт.

141

3132591R1

LEVER

serration offset

1шт.

160

892-11006

LOCK WASHER,M6

2шт.

161

825-1406

NUT,M6, Cl 8

2шт.

170

3078526R91

GASKET KIT

package

1шт.

175

3079101R1

WOODRUFF KEY

3078371R1

1шт.

Выбрано товаров: 145