Запчасти Case IH 756 (A-07) - CHASSIS, RADIATOR AND SHEET METAL, HOOD AND RADIATOR GRILLE Chassis, Radiator & Sheet Metal

Схема запчастей Case IH 756 - (A-07) - CHASSIS, RADIATOR AND SHEET METAL, HOOD AND RADIATOR GRILLE Chassis, Radiator & Sheet Metal
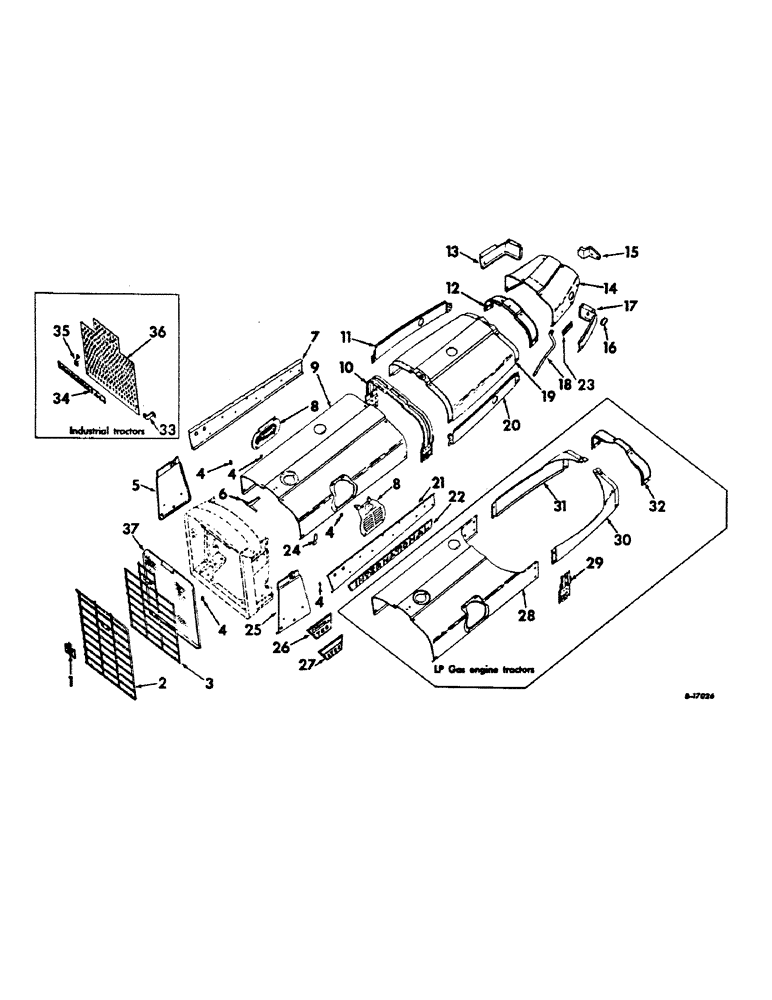
3
4
16
15
20
21
22
10
30
2
12
5
1
25
27
4
8
24
4
32
31
13
19
4
18
23
11
7
6
34
17
26
36
33
35
8
9
28
29
14
37
FIT
1:1
100%

Артикул

Название

Примечание

Количество

1

2751847R1

PRODUCT GRAPHIC

S, IH emblem, die casting, optional with 2751809R1

1шт.

385059R1

SCREW,Cross Flat Hd, #10 - 24 x 7/8"

10-24 x 7/8 cr-rec-flat-hd mach

2шт.

147794

SCREW, 10-24 x 1/2 cr-rec-rd-hd mach, industrial tractors

2шт.

131015

WASHER

3/16 x 7/16 x .049 C-Z

2шт.

1

2751809R1

DECAL

PRODUCT GRAPHIC, IH emblem, plastic, optional with 2751847R1

1шт.

385129R1

SCREW,Sl Rnd Hd, #10 - 16 x 3/8"

10-16 x 3/8 thd-cutting

2шт.

385130R1

SCREW, 10-16 x 9/16 thd-cutting, industrial tractors

2шт.

385059R1

SCREW,Cross Flat Hd, #10 - 24 x 7/8"

10-24 x 7/8 cr-rec-flat-hd mach

2шт.

446156

HYD CONNECTOR

WASHER, 13/64 x 15/32 x .049 C-Z

2шт.

2

398626R1

GRILLE ASSY, radiator, Farmall tractors

1шт.

3

398634R1

GRILLE ASSY, radiator, International tractors

1шт.

4

376787R1

WASHER

RETAINER, screw (Replaces 379787R1)

10шт.

5

397883R1

PANEL ASSY, RH radiator support

1шт.

385157R1

SCREW,Bevel Wshr Hd, 5/16" - 18 x 5/8"

5/16-18 x 5/8 hex. washer hd bevel cap

2шт.

6

369180R1

PRODUCT GRAPHIC

ORNAMENT, hood

1шт.

6

369180R1GV

DECAL

Value, Ornament, Hood

1шт.

423324

SCREW,Hex L/Wshr Hd, #10-24 x 7/16"

w/ext tooth lock washer assy, 10-24 x 7/16 hex-hd mach

2шт.

7

399540R11

PANEL, RH front hood side, Farmall tractors

1шт.

7

397885R1

PANEL, RH front hood side, International tractors

1шт.

389872R1

THUMB SCREW,Knurled Head, 5/16"-18 x 3/4"

SCREW, front hood side panel thumb

2шт.

432327

HOLE PLUG BUTTON,1"

PLUG, 1 inch button

2шт.

8

397881R1

GRILLE

COVER, front hood access

1шт.

389872R1

THUMB SCREW,Knurled Head, 5/16"-18 x 3/4"

SCREW, front hood access cover thumb

2шт.

385157R1

SCREW,Bevel Wshr Hd, 5/16" - 18 x 5/8"

5/16-18 x 5/8 hex. washer hd bevel cap

2шт.

9

397875R91

HOOD ASSY, front, gasoline

1шт.

9

397877R91

HOOD ASSY, front, diesel

1шт.

131-883

SPRING NUT,Rtnr, 5/16" - 18

5/16-18 floating cage

4шт.

389427R91

CAPTIVE WASHER SCREW,Hex, 5/16" - 18 x 3/4"

SCREW, 5/16-18 x 3/4 hex-hd cap w/washer

8шт.

10

395280R92

REINFORCEMENT

ASSY, rear hood front

1шт.

131-883

SPRING NUT,Rtnr, 5/16" - 18

5/16-18 floating cage

6шт.

13-510

BOLT,Hex, 5/16" - 18 x 5/8", Gr 5, Full Thd

4шт.

11

378639R1

PANEL, RH rear hood side, Farmall tractors

1шт.

11

378671R1

PANEL

RH rear hood side, International tractors & Farmall tractors w/deluxe fenders

1шт.

385157R1

SCREW,Bevel Wshr Hd, 5/16" - 18 x 5/8"

5/16-18 x 5/8 hex. washer hd bevel cap

2шт.

12

378640R11

REINFORCEMENT ASSY, rear hood rear

1шт.

131-883

SPRING NUT,Rtnr, 5/16" - 18

5/16-18 floating cage

2шт.

88574

BOLT,Hex, 5/16" - 18 x 1/2", Gr 5, Full Thd

SCREW, 5/16-18 x 1/2 hex-hd cap

4шт.

13

397887R1

HOUSING, steering support lower RH, carbureted engines

1шт.

13

527261R1

HOUSING, lower RH support, diesel engines

1шт.

432478

HOLE PLUG BUTTON,5/8"

PLUG, 5/8 C-Z button

1шт.

385157R1

SCREW,Bevel Wshr Hd, 5/16" - 18 x 5/8"

5/16-18 x 5/8 hex. washer hd bevel cap

1шт.

14

397889R1

HOUSING, steering and gear selector support

1шт.

385157R1

SCREW,Bevel Wshr Hd, 5/16" - 18 x 5/8"

5/16-18 x 5/8 hex-washer-hd bevel cap, Farmall tractors

6шт.

385157R1

SCREW,Bevel Wshr Hd, 5/16" - 18 x 5/8"

5/16-18 x 5/8 hex-washer-hd bevel cap, International tractors

8шт.

14

398619R1

HOUSING, steering & gear selector, tractors w/all wheel drive

1шт.

385157R1

SCREW,Bevel Wshr Hd, 5/16" - 18 x 5/8"

5/16-18 x 5/8 hex. washer hd bevel cap

8шт.

15

397888R1

BRACKET, support mounting

1шт.

NLS

NO LONGER SERVICED

2шт.

16

187758

PLUG,2 1/2"

torque amplifier opening button

1шт.

17

397886R1

HOUSING, steering support lower LH

1шт.

385157R1

SCREW,Bevel Wshr Hd, 5/16" - 18 x 5/8"

5/16-18 x 5/8 hex. washer hd bevel cap

1шт.

18

397890R1

HANDLE

operators mounting assist LH

1шт.

18

399306R1

HANDLE

operators mounting assist RH

1шт.

21534R1

BOLT,Hex, 5/16" - 18 x 1"

SCREW, 5/16-18 x 1 CDP hex-hd cap, 2 used on Farmall tractors

1шт.

21535R1

SCREW, 5/16-18 x 1-1/4 CDP hex-hd cap, 2 used on Farmall tractors

1шт.

19

378637R1

HOOD

rear

1шт.

385157R1

SCREW,Bevel Wshr Hd, 5/16" - 18 x 5/8"

5/16-18 x 5/8 hex. washer hd bevel cap

2шт.

20

378638R1

PANEL, LH rear hood side, Farmall tractor

1шт.

20

378670R1

PANEL, LH rear hood side, International tractors & Farmall tractors w/deluxe fenders

1шт.

385157R1

SCREW,Bevel Wshr Hd, 5/16" - 18 x 5/8"

5/16-18 x 5/8 hex. washer hd bevel cap

2шт.

21

399539R11

PANEL, LH front hood side, Farmall tractors

1шт.

21

397884R1

PANEL ASSY.

PANEL, LH front hood side, International tractors

1шт.

389872R1

THUMB SCREW,Knurled Head, 5/16"-18 x 3/4"

SCREW, front hood side panel thumb

2шт.

432327

HOLE PLUG BUTTON,1"

PLUG, 1 inch button

2шт.

22

2753920R1

PRODUCT GRAPHIC

PLATE, International name

2шт.

3707086R1

FASTENER, tubular clip

14шт.

23

184338R1

PRODUCT GRAPHIC, all wheel drive emblem

2шт.

370786R1

FASTENER

tubular clip

4шт.

24

369173R1

SPRING

hood panel

5шт.

110633

NUT,#10-24

6шт.

25

397882R1

PANEL ASSY, LH radiator support

1шт.

385157R1

SCREW,Bevel Wshr Hd, 5/16" - 18 x 5/8"

5/16-18 x 5/8 hex. washer hd bevel cap

2шт.

26

2753966R1

PRODUCT GRAPHIC

PLATE, 756 Farmall model symbol

2шт.

26

2753910R1

PLATE, 756 International model symbol

2шт.

370786R1

FASTENER

tubular clip

4шт.

27

2753911R1

PLATE, 2756 model symbol

2шт.

370786R1

FASTENER

tubular clip

4шт.

28

397879R91

HOOD ASSY, front

1шт.

131-883

SPRING NUT,Rtnr, 5/16" - 18

5/16-18 floating cage

4шт.

389427R91

CAPTIVE WASHER SCREW,Hex, 5/16" - 18 x 3/4"

SCREW, 5/16-18 x 3/4 hex-hd cap w/washer

8шт.

29

380423R11

SUPPORT ASSY, rear hood front

1шт.

131-883

SPRING NUT,Rtnr, 5/16" - 18

5/16-18 floating cage

6шт.

179814

SPACER

4шт.

30

380429R1

HOOD, LH rear

1шт.

31

380430R1

HOOD, RH rear

1шт.

32

380431R11

REINFORCEMENT ASSY, rear hood, rear

1шт.

131-883

SPRING NUT,Rtnr, 5/16" - 18

5/16-18 floating cage

2шт.

179812

GEAR

SCREW, 5/16-18 x 1/2 hex-hd cap

4шт.

33

384428R11

BRACKET ASSY, radiator guard grille LH, 2756 tractors

1шт.

179838

BOLT,Hex, 3/8" - 16 x 7/8", Gr 5, Full Thd

3/8-16 x 7/8 hex-hd cap

1шт.

34

384422R1

PRODUCT GRAPHICS, industrial name plate, 2756 tractors

1шт.

166645

SHEAVE

SCREW, 10-24 x 3/8 rd-hd-cr-rec tapping, type D

3шт.

B32120

WASHER

name plate retaining

3шт.

35

384427R11

BRACKET ASSY, radiator guard grille, RH, 2756 tractors

1шт.

179838

BOLT,Hex, 3/8" - 16 x 7/8", Gr 5, Full Thd

3/8-16 x 7/8 hex hd cap

1шт.

36

387843R11

GRILLE ASSY, radiator guard, 2756 tractors

1шт.

386451R1

SCREW,Hex Wshr Hd, 5/16" - 18 x 1"

5/16-18 x 1 hex washer hd

4шт.

37

398633R1

SCREEN, grille, Farmall tractors

1шт.

37

398637R1

SCREEN, grille, International tractors

1шт.

398638R1

PIN

grille latch

2шт.

159992

SCREW, 10-32 x 3/16 C-Z cr-rec pan-hd

2шт.

398639R1

SPRING

grille latch pin

2шт.

19443R1

PIN,5/32" x 5/8", Coiled

2шт.

385631R1

SEAL

grille screen air

1шт.

Выбрано товаров: 104