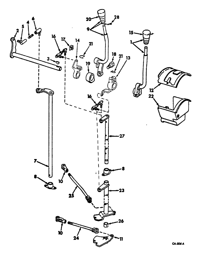
Запчасти Case IH 756 (H-07) - CONTROLS, GEAR SHIFT LEVERS Controls

Схема запчастей Case IH 756 - (H-07) - CONTROLS, GEAR SHIFT LEVERS Controls
7
16
5
12
8
27
16
19
13
18
21
10
23
22
8
14
1
25
28
9
10
6
11
15
20
3
26
2
17
4
21
24
FIT
1:1
100%

Артикул

Название

Примечание

Количество

1

397975R93

HANDLE

ASSY, selective transmission shift

1шт.

179845

BOLT,Hex, 3/8" - 16 x 1 3/4", Gr 5

SCREW, 3/8-16 x 1-3/4 hex-hd cap

1шт.

2

397979R1

SHAFT

ASSY, selective transmission shift cross

1шт.

3

106751

KEY

3/16 x 3/4 Woodruff

9шт.

4

397982R1

TURNBUCKLE

LINK, selective transmission shift

1шт.

114493

JAM NUT,Jam, 5/16"-24, G5

RH thd Jam, 5/16"-24, G5

1шт.

455332

NUT,Jam, 5/16"-18, G5, LH

5/16-24 LH thd hex. jam

1шт.

5

393353R91

JOINT TURNING

JOINT, 5/16 C-Z RH thd ball

1шт.

425-115

NUT,5/16"-24, G5

5/16-24 hex.

1шт.

6

393352R91

JOINT TURNING

JOINT, 5/16-24 LH thd ball

1шт.

425-115

NUT,5/16"-24, G5

5/16-24 hex.

1шт.

115548

LOCK WASHER,Int Tooth, 5/16"

WASHER, LOCK, Int Tooth, 5/16"

1шт.

7

397983R1

SHAFT ASSY, selective transmission shift drive

1шт.

8

382508R91

BEARING ASSY,0.752" ID x 0.81"

BUSHING, selective transmission shift drive shaft

2шт.

179816

BOLT,Hex, 5/16" - 18 x 3/4", Gr 5

4шт.

351549R1

WASHER

4шт.

9

397985R93

HANDLE

ASSY, range transmission shift

1шт.

10

213-316

ADJUSTABLE CLEVIS,3/8" - 24

CLEVIS, 3/8-24 x 2-3/16 short adj rod

2шт.

140549

PIN

3/8 x 1-3/32 rod end

2шт.

103373

COTTER PIN,3/32" x 3/4"

Pin, Split (Cotter), 3/32" x 3/4"

2шт.

11

527900R1

LARGE PLATE

PLATE, neutral lock

1шт.

443039

PIN

1/4 x 1-1/4 groove

1шт.

12

398005R2

COVER ASSY

COVER, shift handle top

1шт.

13

529490R1

LEVER

transmission reverse shift

1шт.

219-53

LUBE NIPPLE,65 Degree Elbow, 3/16" NPTF

FITTING, 3/16 65 deg angle drive type lub

1шт.

Ref # 14 - 529489r1 lver, range transmission selector.

1шт.

15

397978R2

GRIP

handle

1шт.

16

393354R91

BALL JOINT

LINK ASSY, upper range transmission selector

2шт.

425-115

NUT,5/16"-24, G5

5/16-24 hex.

4шт.

115548

LOCK WASHER,Int Tooth, 5/16"

WASHER, LOCK, Int Tooth, 5/16"

2шт.

17

400720R1

NO LONGER SERVICED

CLIP, transmission link lock

3шт.

18

397986R1

BOLT (SPREADER),Shldr, Hex, 1/2" - 20 x 1.25"

BOLT, transmission shift shoulder

1шт.

19

397987R1

RING

COLLAR, transmission shift pivot arm

1шт.

20

397978R2

GRIP

range transmission shift handle

1шт.

21

397991R1

SPRING

transmission detent

2шт.

372349R1

SCREW,Hex, 1/4" - 20 x 7/16", W/ Nylon Pellet

W/NYLON insert, 1/4-20 x 7/16 hex-hd cap

2шт.

22

398006R1

COVER

shift handle outer

1шт.

23750R1

SCREW

10-24 x 1/2 CDP slt-truss-hd mach

3шт.

88574

BOLT,Hex, 5/16" - 18 x 1/2", Gr 5, Full Thd

SCREW, 5/16-18 x 1/2 hex-hd cap

1шт.

21410R1

SCREW,FLAT, 1/4" - 20 x 5-1/4"

1/4-20 x 5-1/4 slt-f-hd mach

1шт.

138604

LOCK WASHER,Ext Csk Tooth, 1/4"

WASHER, 1/4 csk ext-tooth lock

1шт.

23

398CCDR12

TUBE ASSY, reverse shift

1шт.

19791R1

PIN,1/4" x 1 1/8", Coiled

reverse shift tube assy vertical stop 1/4" x 1 1/8", Coiled

1шт.

24

397998R1

ROD

ASSY, hi-lo shift link

1шт.

114494

NUT,Jam, 3/8"-24, G5

1шт.

140549

PIN

3/8 x 1-3/32 rod end

1шт.

103373

COTTER PIN,3/32" x 3/4"

Pin, Split (Cotter), 3/32" x 3/4"

1шт.

25

398003R1

STEM

ROD ASSY, reverse shift link

1шт.

114494

NUT,Jam, 3/8"-24, G5

1шт.

140549

PIN

3/8 x 1-3/32 rod end

1шт.

103373

COTTER PIN,3/32" x 3/4"

Pin, Split (Cotter), 3/32" x 3/4"

1шт.

26

382638R2

BUSHING,19.07mm ID x 22.24mm OD x 19.05mm L

BUSING, reverse shift tube

2шт.

27

397994R1

SHAFT

ASSY, hi-lo shift

1шт.

352221R1

O-RING,0.103" Thk x 0.549" ID, -113, Cl 5, 75 Duro

9/16 x 3/4 x 3/32

1шт.

617937R1

PIN,1/4" x 7/8", Coiled

1шт.

28

403634R1

PIN

1шт.

Выбрано товаров: 0