Запчасти Case IH 784 (08-053) - WINDSHIELD WASHER AND WIPER, DE-LUXE CAB (06) - ELECTRICAL

Схема запчастей Case IH 784 - (08-053) - WINDSHIELD WASHER AND WIPER, DE-LUXE CAB (06) - ELECTRICAL
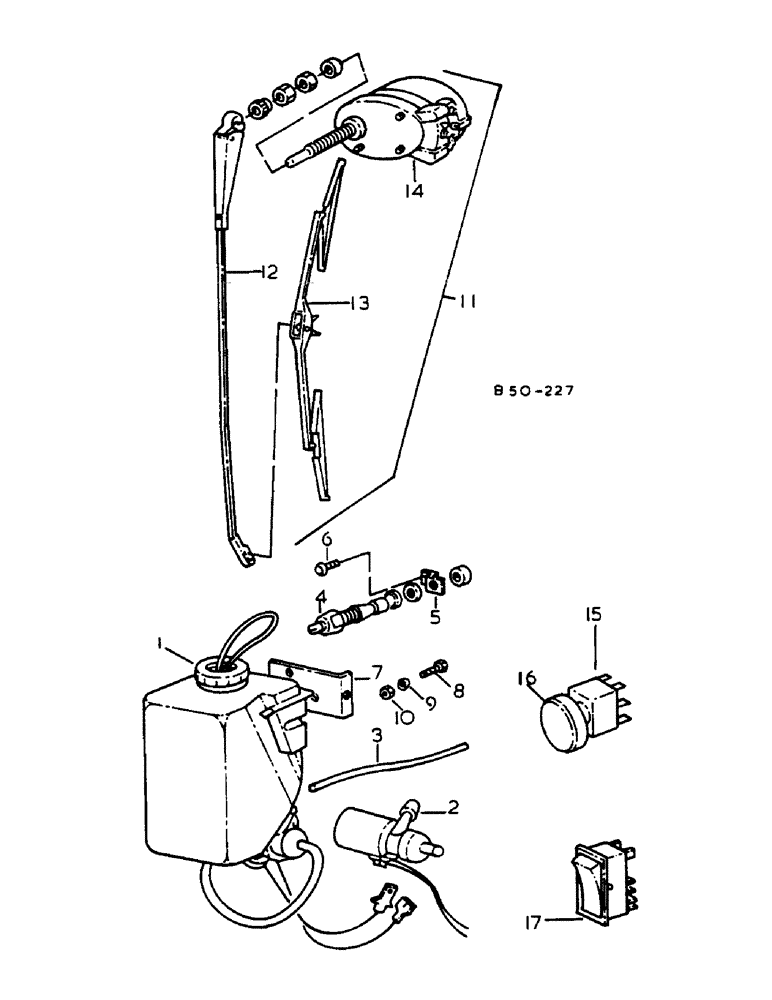
14
17
15
2
11
7
8
13
16
3
5
4
9
12
1
10
6
FIT
1:1
100%

Артикул

Название

Примечание

Количество

1

3125731R91

WASHER

CPTE. WINDSHIELD

1шт.

2

3125732R91

MOTOR, ELECTRIC

1шт.

3

3125733R1

HOSE

1шт.

4

3125734R1

NOZZLE CAP

1шт.

5

3125735R1

BRACKET

NOZZLE

1шт.

6

3125373R1

SCREW

M5 X 12 SELF-TAPPING

1шт.

7

3125736R1

BRACKET

SPARE PART WINDSCREEN WASHER

1шт.

8

712684R1

SCREW,Sltd Pan Hd, M5 x 10

M5 X 12 CHEESE HD

2шт.

9

934490R1

LOCK WASHER,Ext Tooth, M5

3/16

2шт.

10

934871R1

NUT,M5, Cl 5

M5

2шт.

11

3125737R91

WIPER

CPTE. WINDSHIELD

1шт.

12

3125738R1

ARM

WIPER

1шт.

13

3125739R1

WIPER BLADE

BLADE, WIPER

1шт.

14

3125740R91

WIPER MOTOR

MOTOR, WIPER CAB HARNESS DE-LUXE

1шт.

3125741R91

HARNESS

7-PIN PLUG/TAIL LIGHT

1шт.

3125742R1

CABLE

SPARE PART CAB FLYING

1шт.

3125743R91

HARNESS

WINDSCREEN WIPER

1шт.

3125744R91

HARNESS

CAB

1шт.

Выбрано товаров: 18