Запчасти Case IH 784 (07-52) - DRIVE TRAIN, PROPELLER SHAFT, ALL WHEEL DRIVE, KIMCO AXLE (04) - Drive Train

Схема запчастей Case IH 784 - (07-52) - DRIVE TRAIN, PROPELLER SHAFT, ALL WHEEL DRIVE, KIMCO AXLE (04) - Drive Train
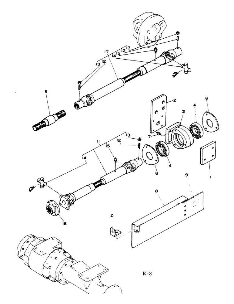
5
2
1
14
10
12
14
11
4
8
4
15
17
6
13
16
12
12
13
9
13
7
6
15
3
FIT
1:1
100%

Артикул

Название

Примечание

Количество

1

3121579R1

SPACER

1шт.

24889R1

BOLT,Hex, 3/4" - 10 x 2 1/4", Gr 8

3шт.

131142

LOCK WASHER,3/4"

WASHER, LOCK, 3/4"

3шт.

2

1004129C1

BRACKET

1шт.

24889R1

BOLT,Hex, 3/4" - 10 x 2 1/4", Gr 8

3шт.

131142

LOCK WASHER,3/4"

WASHER, LOCK, 3/4"

3шт.

3

1002989C1

BLOCK

pillow, Kimco, includes bolts

1шт.

3

3125817R1

BLOCK

pillow, UK fitment, includes bolts

1шт.

25274R1

BOLT,Hex, 1/2" - 13 x 1 1/8", Gr 8

1/2 x 1-1/8 PHC type 8

4шт.

3129499R1

BEARING COVER

pillow block dirt

1шт.

4

1014678C1

BEARING ASSY

BEARING, ball

2шт.

5

1002992C1

SHAFT

pillow block

1шт.

6

1002991C1

COVER

pillow block

2шт.

25678R1

BOLT,Hex, 5/16" - 18 x 3 1/4", Gr 8

5/16 x 3-1/4 PHC type 8

3шт.

120638

LOCK WASHER

WASHER, lock 5/16

3шт.

25520R1

NUT,5/16"-18, G8

5/16 PHC type 8

3шт.

7

973356C1

LUBE NIPPLE

FITTING, grease, Kimco

1шт.

7

109461

LUBE NIPPLE,1/8"-27 x .66 lg

NIPPLE, LUBE, , UK 1/8"-27 x .66 lg

1шт.

8

(Not used this application)

1шт.

9

1093136R1

PRODUCT GRAPHIC

PRODUCT-GRAPHIC, caution

1шт.

10

(Not used this application)

1шт.

11

1014638C13

SHAFT ASSY.

SHAFT ASSY, propeller

1шт.

1002113C2

BOLT,Hex, M10 x 1.25 x 35mm

4шт.

12

3125345R1

SET SCREW

SCREW, M8 x 20 mm cone point, setscrew fixing yoke

3шт.

12

1062798C1

BOLT

BOLT, thru bolt fixing yoke

2шт.

12

24866R1

BOLT,Hex, 1/2" - 13 x 2 1/2", Gr 8

Hex, 1/2"-13 x 2 1/2", G8, Through bolt larger dia

6шт.

13

43362

NUT,M8 x 1.25, Cl 10

M8, Cl 10, Setscrew Fixing Yoke

3шт.

13

1062799C1

NUT

thru bolt fixing yoke

2шт.

1062800C1

WASHER

thru bolt fixing yoke

2шт.

495-11053

WASHER,1/2", SAE

.531 x1.062 x .074

12шт.

9412230

LOCK NUT

1/2 PHC P/T lock type 8

6шт.

14

1014552C1

BEARING ASSY

BEARING, spider

4шт.

1014682C1

FITTING

grease

4шт.

15

109461

LUBE NIPPLE,1/8"-27 x .66 lg

NIPPLE, LUBE, 1/8"-27 x .66 lg

2шт.

16

1014556C1

FLANGE

spline

1шт.

1002113C1

SCREW,7/16" x 1.75, Gr 8

4шт.

1004154C1

NUT

4шт.

17

1002644C95

SHAFT ASSY.

SHAFT ASSY, propeller, rear

1шт.

Yoke is P/N 1062797C1. Both ends are the same yoke.

1шт.

Выбрано товаров: 39