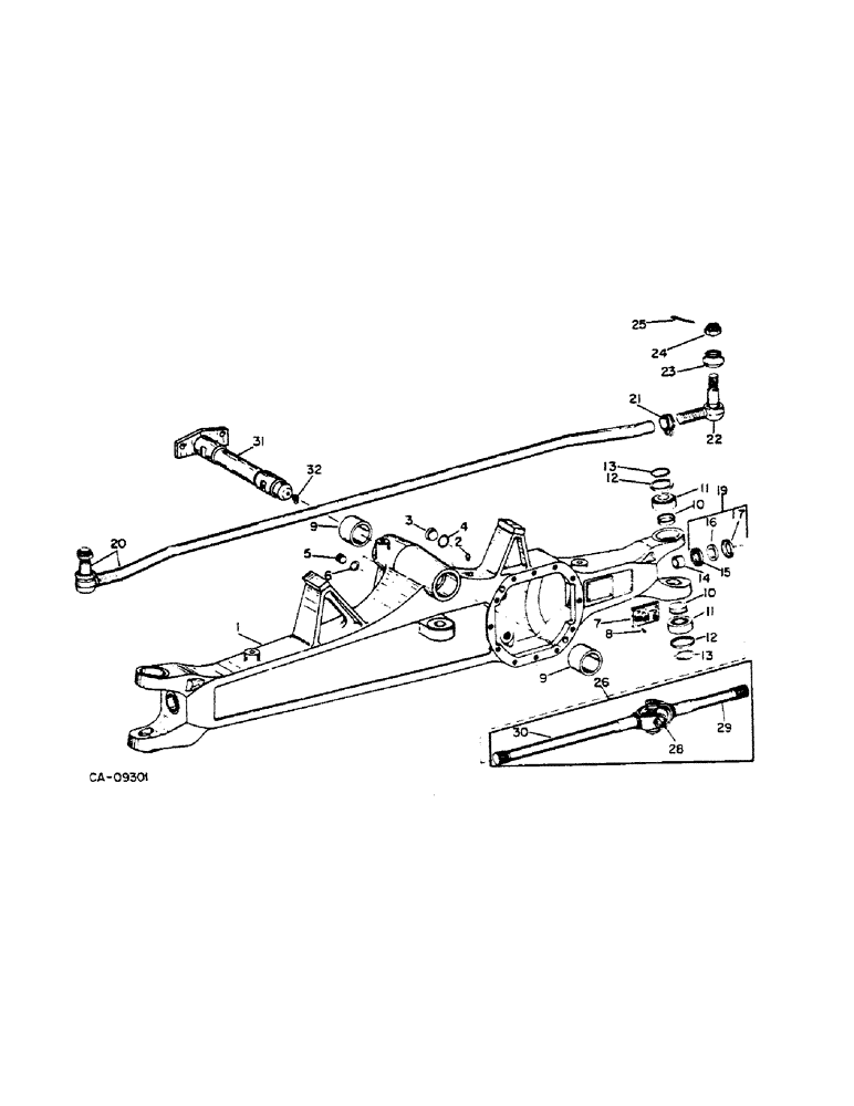
Запчасти Case IH 784 (07-61) - DRIVE TRAIN, AXLE HOUSING, UNIVERSAL SHAFT, ALL WHEEL DRIVE, ZF AXLE (04) - Drive Train

Схема запчастей Case IH 784 - (07-61) - DRIVE TRAIN, AXLE HOUSING, UNIVERSAL SHAFT, ALL WHEEL DRIVE, ZF AXLE (04) - Drive Train
13
16
24
9
14
25
20
9
30
22
13
6
3
28
31
15
19
11
7
5
32
21
24
10
12
11
26
29
12
2
4
10
1
8
FIT
1:1
100%

Артикул

Название

Примечание

Количество

1500229C92

4WD AXLE ASSY

AXLE ASSY, front, w/self locking differential, w/single u-joint drive shafts

1шт.

82240C91

AXLE

ASSY, front, w/limited slip differential, w/double u-joint drive shafts

1шт.

1

1502262C1

HOUSING

ASSY, axle

1шт.

2

898138H1

BREATHER

1шт.

3

933799R1

PLUG,Hex Soc, M24 x 1.5

1шт.

4

933709R1

PACKING RING

RING, seal 24 x 29

3шт.

5

3216584R1

PLUG

M18 x 1.5

1шт.

6

933222R1

SEALING WASHER,M18 x 22 x 1.5

3шт.

7

PLATE IDENTIFICATION

1шт.

8

PIN

4шт.

9

1502263C1

BUSHING

2шт.

10

3147245R1

PLUG

COVER

4шт.

11

3147241R1

BEARING, CUP

4шт.

11

3147242R91

ROLLER BEARING

4шт.

12

3147243R1

CUP WASHER

4шт.

13

3147244R1

O-RING

4шт.

14

3216585R1

BUSHING,28mm ID x 32mm OD x 30mm L

4шт.

15

SEAL, oil, order 3405555R1

4шт.

16

SEAL, felt, order 3405555R1

4шт.

17

HOLDER, order 3405555R1

4шт.

18

(Not used this application)

1шт.

19

3405555R1

SEAL

ASSY, includes ref no. 15, 16 and 17

4шт.

20

1502268C1

TIE-ROD

ROD, tie

1шт.

Ref. 20 is tie rod with no ball joint ends. Order Ref. 22 for the ends.

1шт.

21

CLIP ASSY, part of ref no. 20

1шт.

22

1502269C1

BALL JOINT

JOINT, ball

2шт.

The illustration does not show that the P/N 1502269C1 ball joint has one male and one female end.

1шт.

1502270C1

NUT

2шт.

23

GASKET ASSY, part of ref no .22

1шт.

24

934683R1

NUT,M18 x 1.5

NUT, castle

2шт.

25

932956R1

COTTER PIN,M4 x 40

PIN, split 4 x 40mm

2шт.

26

SHAFT ASSY, RH drive, illustrated

1шт.

26

SHAFT ASSY, LH drive, illustrated, w/single u-joint order components, ref no. 28, 29 and 30

1шт.

26

82241C91

SHAFT

ASSY, RH drive, not illustrated

1шт.

26

82242C91

SHAFT

ASSY, LH drive, not illustrated, w/double u-joints components not serviced

1шт.

27

(Not used this application)

1шт.

28

3230277R1

SPIDER ASSY.

SPIDER ASSY, w/bearings (Replaces 3320277R1)

2шт.

3223197R1

RING, SNAP

RING, retaining, w/single u-joint

8шт.

29

3216599R91

SHAFT

hub, w/single u-joint

2шт.

30

1502267C1

SHAFT

RH

1шт.

30

1502265C1

DRIVE SHAFT

SHAFT, LH, w/single u-joint

1шт.

31

539128R1

SHAFT ASSY.

SHAFT ASSY, front axle pivot

1шт.

179883

BOLT,Hex, 1/2" - 13 x 1 1/4", Gr 5

2шт.

1251958C1

WASHER,13mm ID x 25.40mm OD x 1.367mm, HTS

hardened

2шт.

32

273352

SCREW

FITTING, 1/8 PTF short 90D lub

1шт.

Выбрано товаров: 0