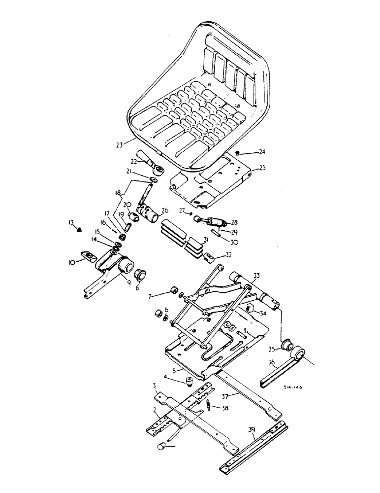
Запчасти Case IH 784 (13-10) - SUPERSTRUCTURE, BOSTROM SUSPENSION SEAT DELUXE (05) - SUPERSTRUCTURE

Схема запчастей Case IH 784 - (13-10) - SUPERSTRUCTURE, BOSTROM SUSPENSION SEAT DELUXE (05) - SUPERSTRUCTURE
38
31
21
36
34
37
35
22
23
39
32
17
20
16
26
3
27
4
9
1
1
5
28
8
25
18
29
2
7
10
14
30
33
13
15
19
6
24
FIT
1:1
100%

Артикул

Название

Примечание

Количество

528738R91

SEAT ASSY.

SEAT ASSY, deluxe suspension

1шт.

180081

BOLT,Hex, 5/16"-18 x 1 1/4", G5

4шт.

86982702

LOCK WASHER,Ext Tooth, 5/16"

WASHER, 5/16 int crb tooth lock

4шт.

160717

SCREW,Cross Pan Hd, 5/16" - 18 x 1"

4шт.

1

538693R1

BUTTON

KNOB

1шт.

2

825199C91

SLIDE

RAIL, slide RH

1шт.

160688

SCREW,Cross Pan Hd, 5/16" - 18 x 3/4"

2шт.

80681

LOCK WASHER,5/16"

WASHER, LOCK, 5/16"

2шт.

3

538550R1

BRACKET

front

1шт.

120376

NUT,5/16"-18, G5

2шт.

163688

SCREW, 5/16-18 x 3/4 C-Z cr rec pan hd mach

2шт.

80681

LOCK WASHER,5/16"

WASHER, LOCK, 5/16"

2шт.

4

3109739R1

BUMPER

1шт.

132259

GUARD

1/4-20 x 5/8 slt-fil hd

1шт.

32590D

WASHER

.266 x .422 x .032 C-Z

2шт.

5

538553R1

BASE

PLATE ASSY, base

1шт.

88574

BOLT,Hex, 5/16" - 18 x 1/2", Gr 5, Full Thd

2шт.

120393

BEARING WASHER,5/16", SAE

WASHER, .344 x .688 x .051

2шт.

6

538565R1

WASHER

6шт.

7

538566R1

ROLLER

4шт.

8

538556R1

FLANGED BEARING

BEARING, flanged

1шт.

9

538558R91

SHROUD

LH

1шт.

88574

BOLT,Hex, 5/16" - 18 x 1/2", Gr 5, Full Thd

2шт.

120393

BEARING WASHER,5/16", SAE

WASHER, .344 x .688 x .051

2шт.

10

534574R1

SPACER

1шт.

11

(Not used this application)

1шт.

12

(Not used this application)

1шт.

13

538695R1

PLUG

push in

1шт.

14

538575R91

BEARING, NEEDLE

BEARING

1шт.

15

538576R1

THRUST WASHER

2шт.

16

538572R1

PIN, ROLL

1шт.

17

538571R1

COLLAR

1шт.

18

538567R91

STUD

ASSY, adjuster

1шт.

19

538569R1

SLEEVE

1шт.

20

538568R1

TRUNNION

adjuster

1шт.

21

538570R1

GEAR

adjuster

1шт.

22

538573R1

HANDLE

ASSY, ratchet

1шт.

180077

BOLT,Hex, 5/16" - 18 x 3/4", Gr 5

5/16 x 3/4 type 5

1шт.

20893R1

WASHER

.344 x 1.000 x .105

1шт.

80681

LOCK WASHER,5/16"

WASHER, LOCK, 5/16"

1шт.

23

3113424R91

SEAT

ASSY, pan, replaces 538528R1

1шт.

160688

SCREW,Cross Pan Hd, 5/16" - 18 x 3/4"

4шт.

80681

LOCK WASHER,5/16"

WASHER, LOCK, 5/16"

4шт.

120393

BEARING WASHER,5/16", SAE

WASHER. .344 x .688 x .051

4шт.

24

538552R1

NUT

1шт.

25

538551R1

SEAT PLATE

PLATE ASSY, top

1шт.

413-410

BOLT,Hex, 1/4" - 20 x 5/8", Gr 5

1/4 x 5/8 type 5

2шт.

156241

SCREW,Cross Flat Hd, 1/4" - 20 x 1/2"

2шт.

492-11025

LOCK WASHER,1/4"

WASHER, LOCK, 1/4"

2шт.

26

538557R1

ADJUSTER

1шт.

27

110668R1

CIRCLIP,#37, .300" Dia, E-Type

Ring, Retaining, #37, .300" Dia, E-Type

2шт.

28

538577R1

DAMPER

ASSY

1шт.

29

538579R1

PIN, ROLL

PIN, cotter check

2шт.

30

538578R1

PIN

damper

2шт.

31

3074836R1

BAR

torsion

3шт.

32

538560R1

RETAINER

1шт.

33

538554R1

LEVER ASSY.

LEVER ASSY

1шт.

34

538564R1

STOP

limit

2шт.

35

538556R1

FLANGED BEARING

BEARING, flanged

1шт.

36

538555R91

BRACKET

BEARING ASSY

1шт.

37

538529R1

BRACKET

rear

1шт.

120376

NUT,5/16"-18, G5

2шт.

160688

SCREW,Cross Pan Hd, 5/16" - 18 x 3/4"

2шт.

80681

LOCK WASHER,5/16"

WASHER, LOCK, 5/16"

2шт.

38

538694R1

SPRING

1шт.

39

825198C1

RAIL

slide LH

1шт.

160688

SCREW,Cross Pan Hd, 5/16" - 18 x 3/4"

2шт.

80681

LOCK WASHER,5/16"

WASHER, LOCK, 5/16"

2шт.

Выбрано товаров: 68