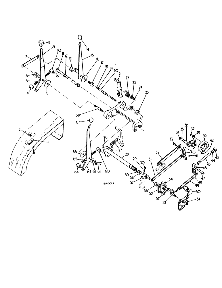
Запчасти Case IH 784 (10-14) - HYDRAULICS, DRAFT CONTROL LINKAGE (07) - HYDRAULICS

Схема запчастей Case IH 784 - (10-14) - HYDRAULICS, DRAFT CONTROL LINKAGE (07) - HYDRAULICS
62
26
63
29
3
46
32
48
7
41
56
45
57
58
55
14
60
47
68
6
34
13
18
5
30
28
10
9
64
50
2
4
33
25
49
59
66
43
8
11
40
67
16
23
53
51
31
19
15
42
21
20
52
12
17
22
36
37
27
38
35
65
54
44
24
39
61
FIT
1:1
100%

Артикул

Название

Примечание

Количество

1

3118646R1

STOP

position control

1шт.

28000R1

BOLT

BOLT, 1/4 x 3/4 pln weld, replaces 3118647R1

1шт.

2

126177

WING NUT

NUT, 1/4 wing

1шт.

3

380421R1

FRICTION WASHER

DISC, sensitivity control friction

1шт.

4

400086R1

PIN

hitch link connecting front

1шт.

124829

JAM NUT,Hex, 3/8" - 16, Gr 5

1шт.

5

400085R1

STUD

hitch link connecting rod

1шт.

204502R1

SNAP RING,#43, Ext

Arm #43, Ext

2шт.

6

536847R1

BELLEVILLE WASHER

WASHER, Belleville

3шт.

7

536849R1

PLATE

outer retaining

1шт.

8

400068R1

BUTTON

GRIP, load control

1шт.

9

528158R2

LEVER

load control

1шт.

10

400081R1

BOLT,3/8" - 16 x 72.90mm, HT

PIN, Hitch link connecting rear

1шт.

11

534352R1

SHAFT ASSY.

SHAFT ASSY, load control

1шт.

12

374940R1

NYLON BEARING

BEARING, control lever shaft

2шт.

13

536847R1

BELLEVILLE WASHER

WASHER, Belleville

2шт.

14

400072R1

BUTTON

GRIP, position and speed control

1шт.

15

527921R1

LEVER ASSY.

LEVER ASSY, flow control adj

1шт.

16

380421R1

FRICTION WASHER

DISC, sensitivity control friction

1шт.

17

527919R1

BOLT

BOLT - Flow lever pivot, Includes nut

1шт.

18253R1

LOCK NUT,3/8"-16, GB

NUT, 3/8 pln P/T lock type 5

1шт.

18

529355R1

WASHER

backup

2шт.

19

360599R1

O-RING,0.07" Thk x 0.18" ID, -8, Cl 5, 75 Duro

3/16 x 5/16 x 1/16

2шт.

20

529351R1

SPOOL

variable flow control

1шт.

21

529353R1

ARM ASSY.

ARM ASSY, flow control

1шт.

102436

SET SCREW,Sq Hd, 1/4"-20 x 1 1/2"

1шт.

114501

JAM NUT,Jam, 1/4"-20, G5

1шт.

65461C1

SET SCREW

SCREW W/NYLON PATCH INSERT, 1/4-28 x 3/8 hdls hex soc set

1шт.

22

529352R1

SPRING

return

1шт.

23

529356R1

PLUG

variable flow control valve

1шт.

24

364839R1

O-RING,0.078" Thk x 0.468" ID, -906, Cl 6, 90 Duro

6-1, 90 Duro, .468" ID x .078" Thk, 3/8 OD tube

1шт.

25

529349R2

SUPPORT ASSY.

SUPPORT ASSY, hitch control shaft

1шт.

26

252739R1

O-RING,0.103" Thk x 0.487" ID, -112, Cl 5, 75 Duro

1/2 x 11/16 x 3/32

1шт.

27

527926R1

LINK

flow control over-ride

1шт.

28

400079R1

SHAFT ASSY.

SHAFT ASSY, position control lever

1шт.

303004R1

SNAP RING,#78, Ext

Slow motion actuating lever #78, Ext

1шт.

527923R1

PIN

link arm

1шт.

29

102436

SET SCREW,Sq Hd, 1/4"-20 x 1 1/2"

1шт.

30

114501

JAM NUT,Jam, 1/4"-20, G5

1шт.

31

400016R1

BAR

walking beam to quadrant link

1шт.

32

400019R1

LINK

walking, Serial Range: beam-valve

1шт.

Q3817

WASHER

.344 x .656 x .021 pln

1шт.

33

376041R1

SCREW,Shldr, Hex, 1/4" - 20 x 0.70", W/ Nylon Pellet

Shoulder

1шт.

95-11034

WASHER,1/4"

.344 x .688 x .051 pln

2шт.

103373

COTTER PIN,3/32" x 3/4"

Pin, Split (Cotter), 3/32" x 3/4"

1шт.

34

971043R1

SNAP RING,#50, Ext

Eccentric shaft #50, Ext

1шт.

35

355967R1

O-RING,0.364" ID x 0.003" Width

3/8 x 1/2 x 1/16

1шт.

36

400036R1

ECCENTRIC ASSY.

ECCENTRIC ASSY, postition control

1шт.

104977R1

SNAP RING,#X31, .243" Dia, E-Type

RING, RETAINING, #X31, .243" Dia, E-Type

1шт.

37

110668R1

CIRCLIP,#37, .300" Dia, E-Type

Ring, Retaining, #37, .300" Dia, E-Type

3шт.

38

400008R1

LINK

position control walking

1шт.

104977R1

SNAP RING,#X31, .243" Dia, E-Type

RING, RETAINING, #X31, .243" Dia, E-Type

1шт.

39

533340R1

HUB ASSY.

HUB ASSY, rockshaft actuating

1шт.

40

400014R1

LEVER ASSY.

LEVER ASSY, follow up walking beam

1шт.

95-11041

WASHER,3/8"

(.406 x .812 x .051 pln) 3/8"

1шт.

41

104977R1

SNAP RING,#X31, .243" Dia, E-Type

RING, RETAINING, #X31, .243" Dia, E-Type

1шт.

42

377792R1

SET SCREW

SCREW, rockshaft hub set

1шт.

43

376022R91

OIL SEAL

SEAL, sensing shaft oil, or

1шт.

43

530092R91

OIL SEAL

SEAL, sensing shaft oil

1шт.

44

273279R91

BUSHING

BEARING, sending shaft

2шт.

45

400020R1

ROD

draft control

1шт.

46

400021R1

LINK ASSY.

LINK ASSY, draft control

1шт.

47

400038R1

PIN

sensing, lever

1шт.

20092R1

PIN,3/16" x 1 3/8", Coiled

1шт.

48

400025R1

SPRING

sensing beam

1шт.

49

400024R2

BAR

sensing beam

1шт.

50

400033R1

LEVER

hyd switch

1шт.

13-510

BOLT,Hex, 5/16" - 18 x 5/8", Gr 5, Full Thd

5/16 x 5/8 pln type 5

1шт.

532467R1

WASHER

safety switch

1шт.

532468R1

SPACER

safety switch

1шт.

51

400026R2

SUPPORT

BRACKET ASSY, hyd switch lever

1шт.

52

400039R1

PLATE ASSY.

PLATE ASSY, eccentric

1шт.

104977R1

SNAP RING,#X31, .243" Dia, E-Type

RING, RETAINING, #X31, .243" Dia, E-Type

1шт.

53

400044R1

LINK

, Serial Range: trigger-quadrant

1шт.

54

400042R2

LEVER ASSY.

LEVER ASSY, draft control trigger

1шт.

55

534728R1

LEVER

ASSY, draft sensitivity control

1шт.

104977R1

SNAP RING,#X31, .243" Dia, E-Type

RING, RETAINING, #X31, .243" Dia, E-Type

1шт.

364577R1

PIN,5/32" x 3/4", Coiled

1шт.

56

527927R1

SPACER

load control shaft

1шт.

57

400017R1

LEVER ASSY.

LEVER ASSY, slow motion actuating

1шт.

104977R1

SNAP RING,#X31, .243" Dia, E-Type

RING, RETAINING, #X31, .243" Dia, E-Type

1шт.

102436

SET SCREW,Sq Hd, 1/4"-20 x 1 1/2"

SCREW, 1/4-20 x 1-1/4 sq-hd ov-pt

1шт.

114501

JAM NUT,Jam, 1/4"-20, G5

1шт.

58

574069R1

O-RING,0.750" ID x .062"

3/4 x 7/8 x 1/16

1шт.

59

374940R1

NYLON BEARING

BEARING, control lever shaft

1шт.

60

400087R1

PIN

hitching link connecting rear

1шт.

61

537600R1

PLATE

inner retaining

1шт.

62

536847R1

BELLEVILLE WASHER

WASHER, Belleville

2шт.

63

528159R1

LEVER

position control

1шт.

64

400086R1

PIN

hitch link connecting front

1шт.

124829

JAM NUT,Hex, 3/8" - 16, Gr 5

1шт.

65

400085R1

STUD

hitch link connecting rod

1шт.

204502R1

SNAP RING,#43, Ext

Arm #43, Ext

2шт.

66

380421R1

FRICTION WASHER

DISC, sensitivity control friction

1шт.

67

400072R1

BUTTON

GRIP, position and speed control

1шт.

68

400081R1

BOLT,3/8" - 16 x 72.90mm, HT

- Hitch

1шт.

19716R1

PIN,4.75mm OD x 44.45mm L, Coiled

2шт.

179840

BOLT,Hex, 3/8" - 16 x 1 1/8", Gr 5

3/8 x 1-1/8 pln type 5

3шт.

103321

LOCK WASHER,3/8"

WASHER, LOCK, 3/8"

3шт.

18253R1

LOCK NUT,3/8"-16, GB

NUT, 3/8 pln P/T lock type 5

2шт.

Выбрано товаров: 100