Запчасти Case IH 784 (12-46) - POWER, LUBRICATING OIL PUMP Power

Схема запчастей Case IH 784 - (12-46) - POWER, LUBRICATING OIL PUMP Power
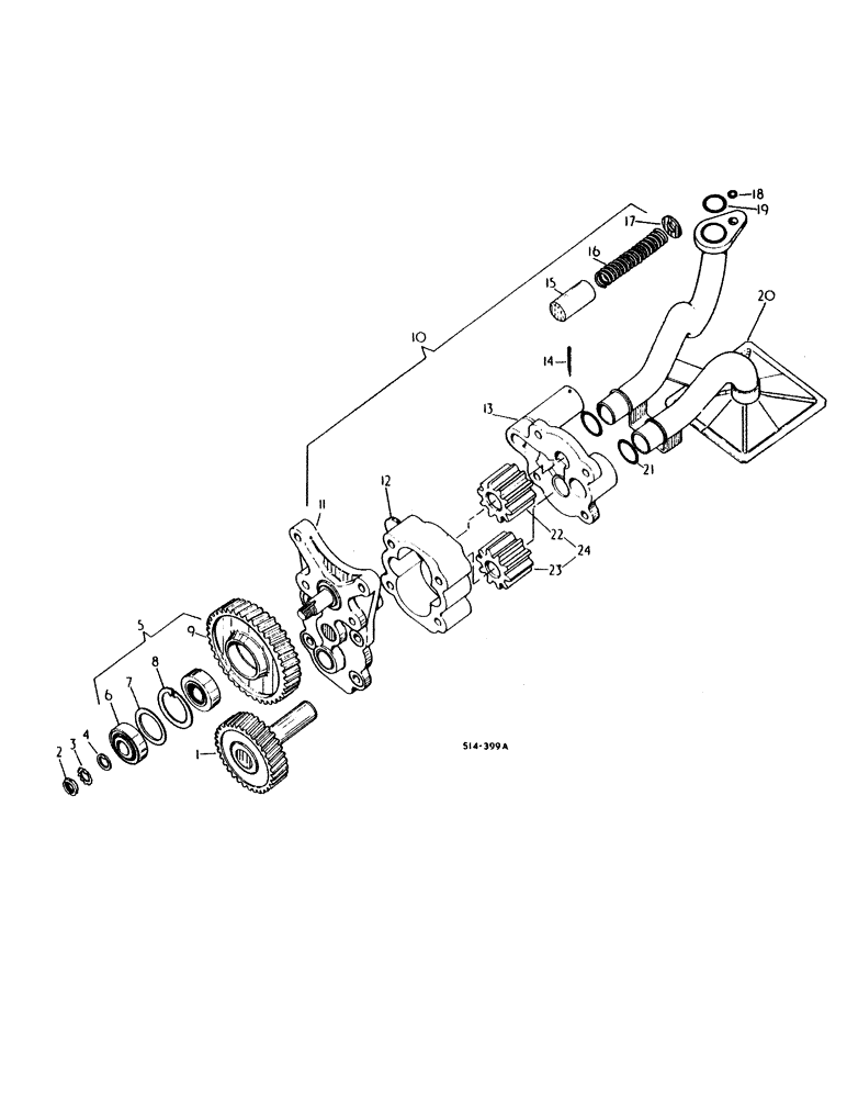
21
19
4
9
6
15
13
3
16
20
11
17
2
18
12
10
7
22
24
1
8
5
14
23
FIT
1:1
100%

Артикул

Название

Примечание

Количество

3136430R95

PUMP, ENGINE OIL

PUMP ASSY, oil, consists of items 2 thru 17 incl. and items 22 and 23

1шт.

3050129R1

LOCK WASHER

WASHER, lock

4шт.

21035R1

HEX SOC SCREW,5/16"-18 x 1"

4шт.

1

3136442R91

PINION

GEAR ASSY, drive

1шт.

2

3228141R1

LOCK NUT

shaft

1шт.

3

(Not used this application)

1шт.

4

(Not used this application)

1шт.

5

GEAR ASSY, idler, not furnished as an assembly

1шт.

6

3055294R91

TAPERED BEARING

BEARING ASSY, roller

2шт.

7

3055292R1

WASHER

WASHER

1шт.

8

933579R1

SNAP RING,M35, Int

1шт.

9

3055291R1

PINION

GEAR

1шт.

10

3136441R95

HOUSING ASSY.

CARRIER ASSY, w/3 pins, 932 thru R1, consists of items 11 thru 17

1шт.

932597R1

LOCK PIN,M10 x 14, Slotted

Roll M10 x 14, Slotted

3шт.

11

CARRIER, complete with bushing, not serviced separately

1шт.

3055297

AXLE, idler gear

1шт.

12

CASE, oil pump gear, not serviced separately

1шт.

13

COVER ASSY, oil pump, not serviced separately

1шт.

13-536

BOLT,Hex, 5/16" - 18 x 2-1/4", Gr 5

4шт.

9635082

NUT,5/16" - 18, Gr 5

4шт.

3050129R1

LOCK WASHER

WASHER, lock

4шт.

14

103387

COTTER PIN,1/8" x 1 1/2"

Pin, Split (Cotter), 1/8" x 1 1/2"

1шт.

15

3055202R2

VALVE

piston relief

1шт.

16

3136264R1

SPRING

pressure relief valve

1шт.

17

3139620R1

SPRING WASHER

spring retaining, replaces 933133R1

1шт.

18

717222R1

O-RING

1шт.

19

3228577R1

O-RING,3.1mm Thk x 24.5mm ID, Cl 7

replaces 3055199R1

1шт.

20

3132781R94

PIPE ASSY.

PIPE ASSY, oil pressure and suction

1шт.

24933R1

HEX SOC SCREW,7/16"-14 x 3 3/4"

1шт.

3218543R1

LOCK WASHER

lock

1шт.

21

3228577R1

O-RING,3.1mm Thk x 24.5mm ID, Cl 7

replaces 3055199R1

2шт.

22

GEAR, idler

1шт.

23

GEAR

1шт.

24

3132503R91

GEAR-SET

SET, oil pump gears

1шт.

Выбрано товаров: 34